解决方案搜寻 技术支持

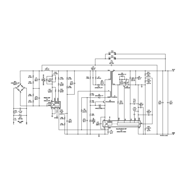
DER-712 - 60 W Ultra-Wide Input Range Adapter using InnoSwitch3-EP (750 V PowiGaN Switch) and MinE-CAP

60 W isolated flyback adapter with StackFET™ using MinE-CAP ICs to achieve the highest possible power density and design simplicity

  • PowiGaN-based InnoSwitch3-EP offline flyback switcher IC (INN3679C-H606)
  • MinE-CAP bulk capacitor miniaturization IC (MIN1072M)
  • Input: 90 - 440 VAC
  • Output: 24 V, 2.5 A
文件更新请通知我

应用