Solution Finder Get Tech Support

SID11x2K

Galvanically Isolated Single-channel Gate Driver ICs with Advanced Safety & Protection Features

This is an active product that is not recommended for new designs.
Applications

Product Details


Power Integrations talks about SCALE-iDriver

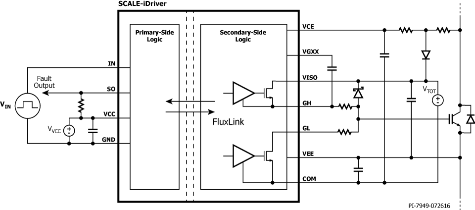
The SID11x2K Family of gate driver ICs are single-channel IGBT and MOSFET drivers in a standard eSOP package. Reinforced galvanic isolation is delivered using Power Integrations’ innovative solid insulator FluxLink™ technology. Output drive current up to 8 A (peak) enables the product to drive devices up to 600 A (typical) without requiring any additional active components. For higher current switching semiconductors, where the required gate current exceeds the SID11x2K’s stand alone capabilities, an external amplifier (booster) may be added. Stable positive and negative voltages for gate control are provided by one unipolar insulated voltage source.

Additional features such as short-circuit protection (DESAT) with advanced soft shut down (ASSD), undervoltage lock-out (UVLO) for primary-side / secondary-side and rail-to-rail output with temperature and process compensated output impedance guarantee safe operation even in harsh conditions.  Controller (PWM and fault) signals are compatible with 5 V CMOS logic, which may be adjusted to 15 V levels by using external resistor divider.

Highly Integrated, Compact Footprint

  • Split outputs providing up to 8 A peak drive current
  • Integrated FluxLink™ technology providing safe isolation between primary-side and secondary-side
  • Rail-to-rail stabilized output voltage
  • Unipolar supply voltage for secondary-side
  • Suitable for 600 V / 650 V / 1200 V IGBT and MOSFET switches
  • Up to 250 kHz switching frequency
  • Low propagation delay time 260 ns
  • Propagation delay jitter ±5 ns
  • -40 °C to 125 °C operating ambient temperature
  • High common-mode transient immunity
  • eSOP package with 9.5 mm clearance and creepage

Advanced Protection / Safety Features

  • Undervoltage lock-out protection for primary and secondary-side (UVLO) and fault feedback
  • Short-circuit protection using VCESAT monitoring and fault feedback diodes* or resistor chain** (see Figure 1)
  • Advanced soft shut down (ASSD)

Full Safety and Regulatory Compliance

  • 100% production partial discharge test
  • 100% production HIPOT compliance testing at 6 kV RMS 1 s
  • Reinforced insulation according to VDE 0884-10
  • UL certificated: E358471
  • Comparative Tracking Index (CTI) = 600

Green Package

  • Halogen free and RoHS compliant

Resources