
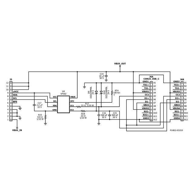
DER-814 - 45 W USB PD 3.0 with 3.3 V-21 V PPS Power Supply Using InnoSwitch3-Pro and VIA Labs VP302 Controller
45 W USB PD 3.0 with PPS charger (5 V/3 A; 9 V/3 A; 15 V/3 A; 20 V/2.25 A; 3.3 V-21 V PPS outputs) using InnoSwitch3-Pro (INN3368C-H301) and VIA Labs VP302 USB PD Controller