Solution Finder Get Tech Support

1SP0350

Digital SCALE™-2 Plug-and-Play IGBT/IEGT Gate Driver

This product is in End-of-Life status and is no longer available.
Applications

Product Details

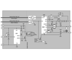
The 1SP0350V SCALE™-2 single-channel plug-and-play gate driver reliably and safely drives 4500 V Press-Pack IEGT and IGBTs as well as other IEGT and IGBT form factors. It is ideal for high-reliability applications in the HVDC and railway industries.

Based on the SCALE-2 chipset, the 1SP0350 is a highly integrated, high performance, complete and extremely compact single-channel gate driver. The SCALE-2 chipset reduces the component count by 85% compared to conventional solutions - significantly increasing reliability and reducing costs. The driver is equipped with Dynamic Advanced Active Clamping (DAAC), short-circuit protection, a built in DC/DC converter, regulated turn-on gate driving voltage, gate-emitter monitoring and supply voltage monitoring. The plug-and-play capability of the driver allows for immediate operation after connection.

Key Benefits
  • Sophisticated digital control algorithm implemented in custom mixed signal ASIC provides an accurate and reliable drive
  • Reduced component count-improves MTBF and reduces driver size
  • Conformal coating applied during manufacture – enhances environmental robustness
  • Easy-to-use – simply connect the gate driver to the module and fiber optic link
  • Simple programming option optimizes DC voltage for circuit-breaker applications
Key Features
  • Single-channel gate driver
  • Dedicated mixed signal ASIC with digital control
  • Compact, plug-and-play solution
  • Fiber optic interface
  • +15/-10 V gate driving; + 20 V configuration option for circuit breaker applications
  • Regulated gate-emitter voltage
  • IGBT/IEGT short circuit protection
  • Dynamic Advanced Active Clamping (DAAC)
  • Built-in isolated and regulated DC/DC converter
  • Creepage and clearance according to IEC Standards
  • DC/DC overload monitoring