Solution Finder Get Tech Support

2SC0635T

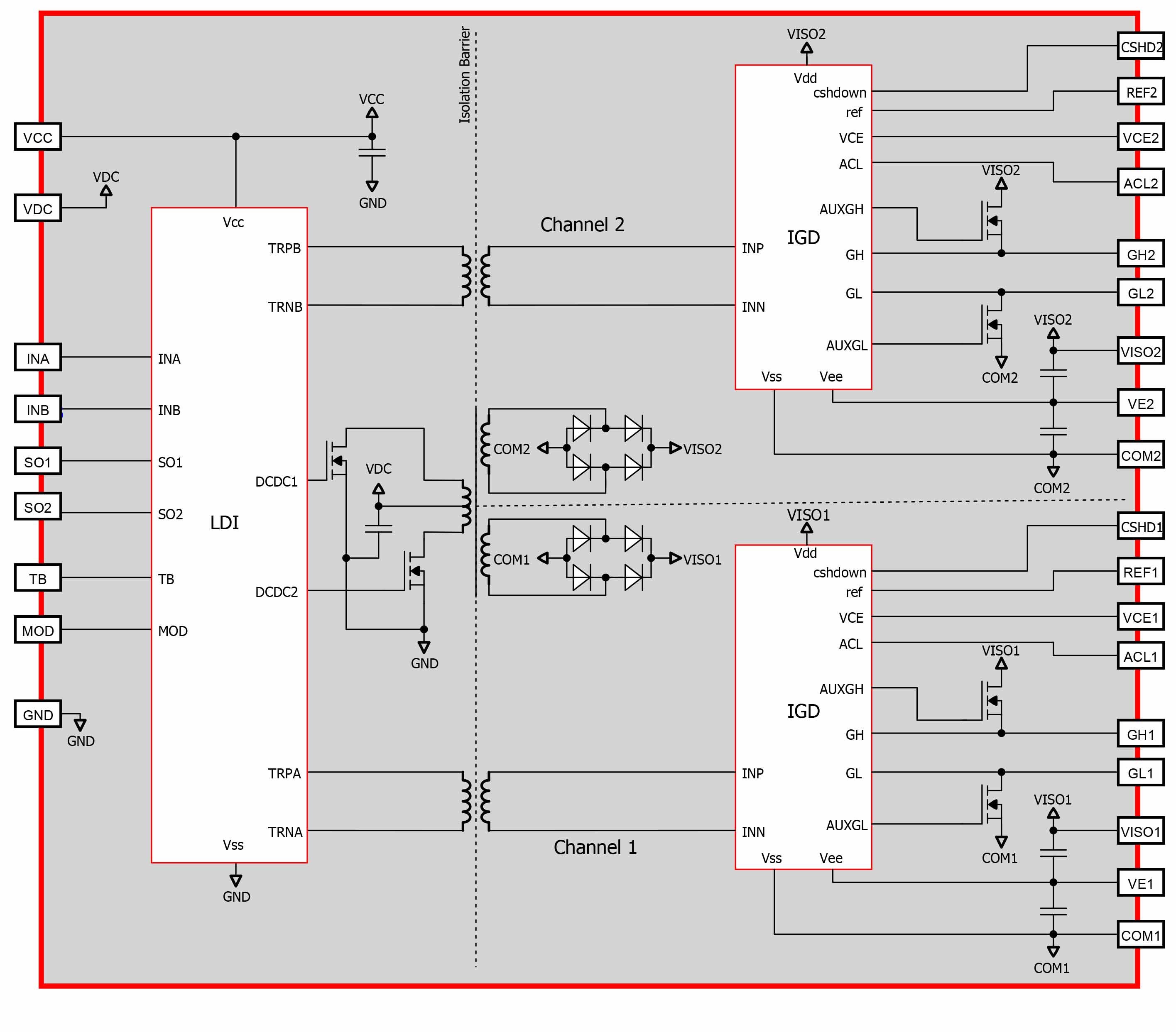
Dual-Channel SCALE-2 Driver Core for 4.5 kV IGBTs, highest integration level, low system costs, with electrical signal interface and on-board power supply

This is an active product that is not recommended for new designs.
Suggested Alternative: 1SP0335
Applications

Product Details

The 2SC0635T is the first commercially-available dual-channel IGBT gate driver core for 4.5 kV IGBT with electrical interface and integrated DC/DC converter. This gate driver unit provides functional isolation according to IEC 61800-5-1 and UL-347 and is a cost effective and reliable alternative to more expensive fiber-optic solutions. The core functionality integrates essential control and protection features while maintaining full design flexibility with regard to protection, interfacing and the partitioning of the power inverter. Targeted at applications including medium voltage inverters for traction and industrial applications.

4.5 kV driver core with on-board power supply and no fiber optics achieves lower system cost.

  • Dual channel driver core for up to 4500 V
  • ±35 A gate current, +15 V /-10 V
  • 6 W @ 85°C per channel
  • High reliability (reduced component count)
  • Design flexibility
  • 1700 V / 3300 V 3-level converters / series connection of IGBTs
  • Direct paralleling capability
  • Advanced Active Clamping
  • Short-circuit protection, under-voltage lockout
  • Adjustable short-circuit turn-off delay (3-level converters)
  • Delay time <100 ns, up to 100 kHz
  • Isolation coordination according to IEC 61800-5-1 and IEC 60664-1
  • UL compliant
  • Applications up to -55°C
  • RoHS