ソリューション ファインダー 技術サポート

LinkSwitch-4

これは、新しい設計には推奨されないアクティブ製品です。
Suggested Alternative: LinkSwitch-3 LinkSwitch-HP
アプリケーション

製品詳細

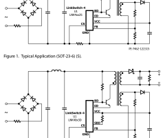
LinkSwitch™-4 ファミリーのオフライン電源変換用 IC は、米国エネルギー省 (DoE) 及び欧州行動規範 (CoC) の厳しい新効率規制を満たす必要のある充電器とアダプタをターゲットにしています。DoE-6 とも呼ばれる、新しい DoE 規制では、充電器の USB ケーブル端でエネルギー効率適合性測定を実施する必要があります。LinkSwitch-4 は、1.5 A または2 A の高電流スマートフォン充電器にも対応し、二次側にショットキー ダイオードを使い、この効率要件を満足します。

LinkSwitch-4 ファミリーは、バイポーラ ジャンクション トランジスタ (BJT) スイッチ用の高度な適応型ベース エミッタ スイッチング ドライブ スキームを特長としており、電力変換効率を大幅に改善し、二次側のブレークダウンが原因の信頼性に関する懸念を減らします。このデバイスには、効率が最大になるように、かつ高速過渡応答に対応しながらも 30 mW 未満の無負荷時待機電力の要求を満たすように、擬似共振スイッチングのマルチモード PWM/PFM コントローラが組み込まれています。

製品ハイライト

優れた動作特性

  • 適応型ベース エミッタ スイッチング ドライブ技術により、BJT スイッチング特性を最適化することで BJT トランジスタの選択における柔軟性を実現
  • BJT の逆バイアス安全動作領域 (RBSOA) を拡大
  • BJT ゲインの感度を大幅に低減
  • 最適化された疑似共振スイッチング PWM/PFM 制御によって DoE 6 及び CoC V5 2016 に適合
  • 230 VAC 入力時に 30 mW 未満の無負荷時待機電力
  • トランスのインダクタンスのバラつき、入力電圧の変動、ケーブルの電圧降下、外付け部品の温度変動を補正
  • 独自のトリミング技術により、高精度な IC パラメータ補償を実現
  • 最低ピーク電流を固定し、負荷過渡応答を改善

強化された動作特性向上

  • 大容量負荷への起動のためのEasy Start
  • 起動時に大電流を供給するため一定電力
  • 13003 BJT によって効率が向上した 13003 ドライブ

簡素化された CV/CC コンバータ

  • フォトカプラ及び二次側 CV/CC 制御回路が不要
  • 位相補償回路が不要

保護/安全面の特長

  • 単一異常による出力過電圧及び短絡保護

グリーン パッケージ

  • ハロゲン化合物不使用、RoHS 指令適合パッケージ