Solution Finder Get Tech Support

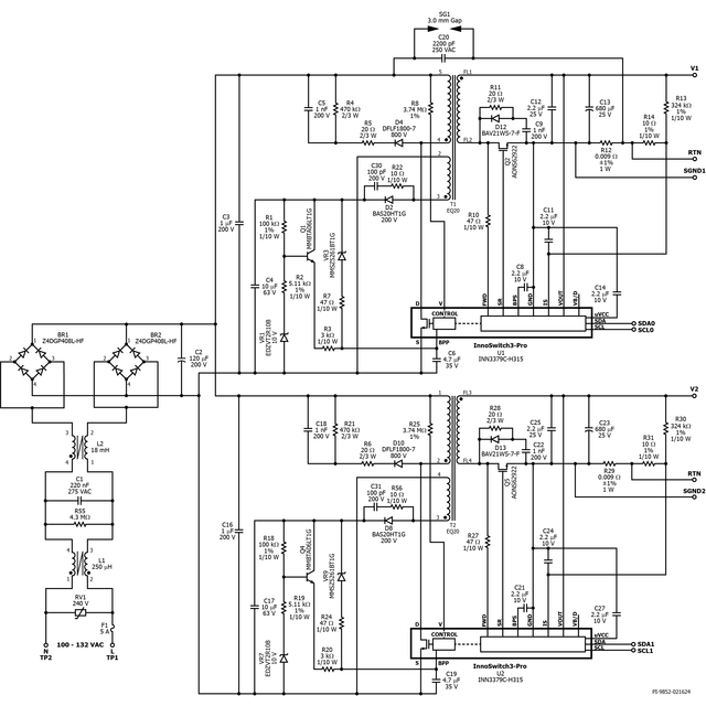
DER-1024 - 65 W USB PD 3.0 Type-C Shared-Capacity Dual-Port Wall Outlet Using InnoSwitch3-Pro PowiGaN

65 W USB PD 3.0 Type-C dual-port shared-capacity ports power supply with current sharing for wall outlet, powers strip using InnoSwitch3-Pro (PowiGaN-based INN3379C-H315) and IP2738 USB PD controller

  • >91% end to end efficiency at full load
  • Meets DOE6 and CoC v5 2016 efficiency requirement

Input:

  • 90 VAC – 132 VAC

Single Port Output:

  • 5 V / 3 A, 9 V / 3 A, ,12 V / 3 A, 15 V / 3 A, 20 V / 3.25 A

Dual Port Output (Power Limited to 65 W):

  • Port 1: 5 V / 3 A, 9 V / 3 A, 12 V / 3 A, 15 V / 3 A, 20 V / 2.25 A
  • Port 2: 5 V / 3 A, 9 V / 2.22 A, 12 V / 1.66 A, 15 V / 1.33 A, 20 V / 1 A1
Notify Me of Updates

Applications

Products