| 
             
                產品
                
               
             | 
          
             
                產品
                
               
             | 
                                                                                                                            
                   
                      產品規格型錄
                      
                     
                   | 
                                                                                            
                   
                      IGBT電壓等級
                      
                     
                   | 
                                                                                            
                   
                      最大開關頻率
                      
                     
                   | 
                                                                                            
                   
                      輸出功率/通道 - 最大
                      
                     
                   | 
                                                                                            
                   
                      電壓 - 直流母線關閉狀態, 60秒
                      
                     
                   | 
                                                                                            
                   
                      隔離類型
                      
                     
                   | 
                                                              
                   
                      支持的模組種類
                      
                     
                   | 
                                                              
                   
                      支持的模組
                      
                     
                   | 
                                                              
                   
                      IGBT製造商
                      
                     
                   | 
                                                                                            
                   
                      保形塗層?
                      
                     
                   | 
                                                                                            
                   
                      通道數
                      
                     
                   | 
                                                                                            
                   
                      主/外圍
                      
                     
                   | 
                                                                                            
                   
                      邏輯輸入電壓
                      
                     
                   | 
                                                              
                   
                      保護功能
                      
                     
                   | 
                                                              
                   
                      技術
                      
                     
                   | 
                                                              
                   
                      支持的拓撲
                      
                     
                   | 
                                                                                            
                   
                      接口類型
                      
                     
                   | 
                                                                                            
                   
                      閘極導通電壓
                      
                     
                   | 
                                                                                            
                   
                      閘極關斷電壓
                      
                     
                   | 
                                                                                            
                   
                      閘極峰值電流 (最大)
                      
                     
                   | 
                                                                                            
                   
                      隔離技術
                      
                     
                   | 
                                                                                            
                   
                      時間 - 輸出下降
                      
                     
                   | 
                                                                                            
                   
                      時間 - 輸出上升
                      
                     
                   | 
                                                              
                   
                      驅動模式
                      
                     
                   | 
                                                                                            
                   
                      運作溫度 (最小)
                      
                     
                   | 
                                                                                            
                   
                      運作溫度 (最大)
                      
                     
                   | 
                                                                                            
                   
                      存儲溫度(最低)
                      
                     
                   | 
                                                                                            
                   
                      存儲溫度(最高)
                      
                     
                   | 
                                                                                            
                   
                      IGBT的連接類型
                      
                     
                   | 
                                                                                            
                   
                      並行支持?
                      
                     
                   | 
                                                  
|---|---|---|---|---|---|---|---|---|---|---|---|---|---|---|---|---|---|---|---|---|---|---|---|---|---|---|---|---|---|---|---|
| 
                     
                                                  Data Sheet
                                                
    
      View Data Sheet
      
    
                       
                     | 
                                                                          
                     
                                                  IGBT Voltage Class
                                                1200 V
                       
                     | 
                                                                          
                     | 
                                                                          
                     
                                                  Power - Output/Channel (Max)
                                                3.0 W
                       
                     | 
                                                                          
                     
                                                  Voltage - DC Link Off state (60s)
                                                950 V
                       
                     | 
                                                                          
                     
                                                  Isolation Type
                                                加強型
                       
                     | 
                                                                          
                     
                                                  Supported Module Type
                                                IGBT
                       
                     | 
                                                                          
                     | 
                                                                          
                     | 
                                                                          
                     
                                                  Conformal Coated?
                                                No
                       
                     | 
                                                                          
                     
                                                  Number of Channels
                                                1
                       
                     | 
                                                                          
                     
                                                  Main/Peripheral
                                                外圍
                       
                     | 
                                                                          
                     | 
                                                                          
                     
                                                  Protection Features
                                                動態高級有源鉗位, 過壓, 短路, 欠壓(次級側)
                       
                     | 
                                                                          
                     
                                                  Technology
                                                SCALE-2
                       
                     | 
                                                                          
                     
                                                  Supported Topologies
                                                兩電平電壓源, 三電平NP鉗位 - 類型1, 三電平NP鉗位 - 類型2, 多電平NP鉗位
                       
                     | 
                                                                          
                     
                                                  Interface Type		
                                                光纖
                       
                     | 
                                                                          
                     
                                                  Gate Turn-on Voltage
                                                +15.0 V
                       
                     | 
                                                                          
                     
                                                  Gate Turn-off Voltage
                                                --10.1 V
                       
                     | 
                                                                          
                     
                                                  Gate Peak Current (Max)
                                                +35 A
                       
                     | 
                                                                          
                     
                                                  Isolation Technology
                                                電隔離
                       
                     | 
                                                                          
                     
                                                  Time - Output Fall
                                                30 ns
                       
                     | 
                                                                          
                     
                                                  Time - Output Rise
                                                9 ns
                       
                     | 
                                                                          
                     
                                                  Driving Mode
                                                直接獨立
                       
                     | 
                                                                          
                     
                                                  Temperature - Operating (Min)
                                                -40 ℃
                       
                     | 
                                                                          
                     
                                                  Temperature - Operating (Max)
                                                85 ℃
                       
                     | 
                                                                          
                     
                                                  Temperature - Storage (Min)
                                                -40 ℃
                       
                     | 
                                                                          
                     
                                                  Temperature - Storage (Max)
                                                90 ℃
                       
                     | 
                                                                          
                     
                                                  Connection Type to IGBT
                                                直接
                       
                     | 
                                                                          
                     
                                                  Paralleling Support?
                                                No
                       
                     | 
                                                              ||
| 
                     
                                                  Data Sheet
                                                
    
      View Data Sheet
      
    
                       
                     | 
                                                                          
                     
                                                  IGBT Voltage Class
                                                1700 V
                       
                     | 
                                                                          
                     | 
                                                                          
                     
                                                  Power - Output/Channel (Max)
                                                3.0 W
                       
                     | 
                                                                          
                     
                                                  Voltage - DC Link Off state (60s)
                                                1480 V
                       
                     | 
                                                                          
                     
                                                  Isolation Type
                                                加強型
                       
                     | 
                                                                          
                     
                                                  Supported Module Type
                                                IGBT
                       
                     | 
                                                                          
                     | 
                                                                          
                     | 
                                                                          
                     
                                                  Conformal Coated?
                                                No
                       
                     | 
                                                                          
                     
                                                  Number of Channels
                                                1
                       
                     | 
                                                                          
                     
                                                  Main/Peripheral
                                                外圍
                       
                     | 
                                                                          
                     | 
                                                                          
                     
                                                  Protection Features
                                                動態高級有源鉗位, 過壓, 短路, 欠壓(次級側)
                       
                     | 
                                                                          
                     
                                                  Technology
                                                SCALE-2
                       
                     | 
                                                                          
                     
                                                  Supported Topologies
                                                兩電平電壓源, 三電平NP鉗位 - 類型1, 三電平NP鉗位 - 類型2, 多電平NP鉗位
                       
                     | 
                                                                          
                     
                                                  Interface Type		
                                                光纖
                       
                     | 
                                                                          
                     
                                                  Gate Turn-on Voltage
                                                +15.0 V
                       
                     | 
                                                                          
                     
                                                  Gate Turn-off Voltage
                                                --10.1 V
                       
                     | 
                                                                          
                     
                                                  Gate Peak Current (Max)
                                                +35 A
                       
                     | 
                                                                          
                     
                                                  Isolation Technology
                                                電隔離
                       
                     | 
                                                                          
                     
                                                  Time - Output Fall
                                                30 ns
                       
                     | 
                                                                          
                     
                                                  Time - Output Rise
                                                9 ns
                       
                     | 
                                                                          
                     
                                                  Driving Mode
                                                直接獨立
                       
                     | 
                                                                          
                     
                                                  Temperature - Operating (Min)
                                                -40 ℃
                       
                     | 
                                                                          
                     
                                                  Temperature - Operating (Max)
                                                85 ℃
                       
                     | 
                                                                          
                     
                                                  Temperature - Storage (Min)
                                                -40 ℃
                       
                     | 
                                                                          
                     
                                                  Temperature - Storage (Max)
                                                90 ℃
                       
                     | 
                                                                          
                     
                                                  Connection Type to IGBT
                                                直接
                       
                     | 
                                                                          
                     
                                                  Paralleling Support?
                                                No
                       
                     | 
                                                              ||
| 
                     
                                                  Data Sheet
                                                
    
      View Data Sheet
      
    
                       
                     | 
                                                                          
                     
                                                  IGBT Voltage Class
                                                3300 V
                       
                     | 
                                                                          
                     
                                                  Max Switching Frequency
                                                8.1 kHz
                       
                     | 
                                                                          
                     
                                                  Power - Output/Channel (Max)
                                                3.0 W
                       
                     | 
                                                                          
                     
                                                  Voltage - DC Link Off state (60s)
                                                2700 V
                       
                     | 
                                                                          
                     
                                                  Isolation Type
                                                基本
                       
                     | 
                                                                          
                     
                                                  Supported Module Type
                                                IGBT
                       
                     | 
                                                                          
                     
                                                  Supported Module(s)
                                                1MBI1200UE-330
                       
                     | 
                                                                          
                     
                                                  IGBT Manufacturer
                                                Fuji
                       
                     | 
                                                                          
                     
                                                  Conformal Coated?
                                                No
                       
                     | 
                                                                          
                     
                                                  Number of Channels
                                                1
                       
                     | 
                                                                          
                     
                                                  Main/Peripheral
                                                外圍
                       
                     | 
                                                                          
                     | 
                                                                          
                     
                                                  Protection Features
                                                動態高級有源鉗位, 過壓, 短路, 欠壓(次級側)
                       
                     | 
                                                                          
                     
                                                  Technology
                                                SCALE-2
                       
                     | 
                                                                          
                     
                                                  Supported Topologies
                                                兩電平電壓源, 三電平NP鉗位 - 類型1, 三電平NP鉗位 - 類型2, 多電平NP鉗位
                       
                     | 
                                                                          
                     
                                                  Interface Type		
                                                光纖
                       
                     | 
                                                                          
                     
                                                  Gate Turn-on Voltage
                                                +15.0 V
                       
                     | 
                                                                          
                     
                                                  Gate Turn-off Voltage
                                                --10.1 V
                       
                     | 
                                                                          
                     
                                                  Gate Peak Current (Max)
                                                +35 A
                       
                     | 
                                                                          
                     
                                                  Isolation Technology
                                                電隔離
                       
                     | 
                                                                          
                     
                                                  Time - Output Fall
                                                30 ns
                       
                     | 
                                                                          
                     
                                                  Time - Output Rise
                                                9 ns
                       
                     | 
                                                                          
                     
                                                  Driving Mode
                                                直接獨立
                       
                     | 
                                                                          
                     
                                                  Temperature - Operating (Min)
                                                -40 ℃
                       
                     | 
                                                                          
                     
                                                  Temperature - Operating (Max)
                                                85 ℃
                       
                     | 
                                                                          
                     
                                                  Temperature - Storage (Min)
                                                -40 ℃
                       
                     | 
                                                                          
                     
                                                  Temperature - Storage (Max)
                                                50 ℃
                       
                     | 
                                                                          
                     
                                                  Connection Type to IGBT
                                                直接
                       
                     | 
                                                                          
                     
                                                  Paralleling Support?
                                                No
                       
                     | 
                                                              ||
| 
                     
                                                  Data Sheet
                                                
    
      View Data Sheet
      
    
                       
                     | 
                                                                          
                     
                                                  IGBT Voltage Class
                                                3300 V
                       
                     | 
                                                                          
                     
                                                  Max Switching Frequency
                                                8.1 kHz
                       
                     | 
                                                                          
                     
                                                  Power - Output/Channel (Max)
                                                3.0 W
                       
                     | 
                                                                          
                     
                                                  Voltage - DC Link Off state (60s)
                                                2700 V
                       
                     | 
                                                                          
                     
                                                  Isolation Type
                                                基本
                       
                     | 
                                                                          
                     
                                                  Supported Module Type
                                                IGBT
                       
                     | 
                                                                          
                     
                                                  Supported Module(s)
                                                1MBI1200UE-330
                       
                     | 
                                                                          
                     
                                                  IGBT Manufacturer
                                                Fuji
                       
                     | 
                                                                          
                     
                                                  Conformal Coated?
                                                No
                       
                     | 
                                                                          
                     
                                                  Number of Channels
                                                1
                       
                     | 
                                                                          
                     
                                                  Main/Peripheral
                                                外圍
                       
                     | 
                                                                          
                     | 
                                                                          
                     
                                                  Protection Features
                                                動態高級有源鉗位, 過壓, 短路, 欠壓(次級側)
                       
                     | 
                                                                          
                     
                                                  Technology
                                                SCALE-2
                       
                     | 
                                                                          
                     
                                                  Supported Topologies
                                                兩電平電壓源, 三電平NP鉗位 - 類型1, 三電平NP鉗位 - 類型2, 多電平NP鉗位
                       
                     | 
                                                                          
                     
                                                  Interface Type		
                                                光纖
                       
                     | 
                                                                          
                     
                                                  Gate Turn-on Voltage
                                                +15.0 V
                       
                     | 
                                                                          
                     
                                                  Gate Turn-off Voltage
                                                --10.1 V
                       
                     | 
                                                                          
                     
                                                  Gate Peak Current (Max)
                                                +35 A
                       
                     | 
                                                                          
                     
                                                  Isolation Technology
                                                電隔離
                       
                     | 
                                                                          
                     
                                                  Time - Output Fall
                                                30 ns
                       
                     | 
                                                                          
                     
                                                  Time - Output Rise
                                                9 ns
                       
                     | 
                                                                          
                     
                                                  Driving Mode
                                                直接獨立
                       
                     | 
                                                                          
                     
                                                  Temperature - Operating (Min)
                                                -40 ℃
                       
                     | 
                                                                          
                     
                                                  Temperature - Operating (Max)
                                                85 ℃
                       
                     | 
                                                                          
                     
                                                  Temperature - Storage (Min)
                                                -40 ℃
                       
                     | 
                                                                          
                     
                                                  Temperature - Storage (Max)
                                                50 ℃
                       
                     | 
                                                                          
                     
                                                  Connection Type to IGBT
                                                直接
                       
                     | 
                                                                          
                     
                                                  Paralleling Support?
                                                No
                       
                     | 
                                                              ||
| 
                     
                                                  Data Sheet
                                                
    
      View Data Sheet
      
    
                       
                     | 
                                                                          
                     
                                                  IGBT Voltage Class
                                                3300 V
                       
                     | 
                                                                          
                     
                                                  Max Switching Frequency
                                                7.0 kHz
                       
                     | 
                                                                          
                     
                                                  Power - Output/Channel (Max)
                                                3.0 W
                       
                     | 
                                                                          
                     
                                                  Voltage - DC Link Off state (60s)
                                                2700 V
                       
                     | 
                                                                          
                     
                                                  Isolation Type
                                                基本
                       
                     | 
                                                                          
                     
                                                  Supported Module Type
                                                IGBT
                       
                     | 
                                                                          
                     
                                                  Supported Module(s)
                                                1MBI1500UE-330
                       
                     | 
                                                                          
                     
                                                  IGBT Manufacturer
                                                Fuji
                       
                     | 
                                                                          
                     
                                                  Conformal Coated?
                                                No
                       
                     | 
                                                                          
                     
                                                  Number of Channels
                                                1
                       
                     | 
                                                                          
                     
                                                  Main/Peripheral
                                                外圍
                       
                     | 
                                                                          
                     | 
                                                                          
                     
                                                  Protection Features
                                                動態高級有源鉗位, 過壓, 短路, 欠壓(次級側)
                       
                     | 
                                                                          
                     
                                                  Technology
                                                SCALE-2
                       
                     | 
                                                                          
                     
                                                  Supported Topologies
                                                兩電平電壓源, 三電平NP鉗位 - 類型1, 三電平NP鉗位 - 類型2, 多電平NP鉗位
                       
                     | 
                                                                          
                     
                                                  Interface Type		
                                                光纖
                       
                     | 
                                                                          
                     
                                                  Gate Turn-on Voltage
                                                +15.0 V
                       
                     | 
                                                                          
                     
                                                  Gate Turn-off Voltage
                                                --10.1 V
                       
                     | 
                                                                          
                     
                                                  Gate Peak Current (Max)
                                                +35 A
                       
                     | 
                                                                          
                     
                                                  Isolation Technology
                                                電隔離
                       
                     | 
                                                                          
                     
                                                  Time - Output Fall
                                                30 ns
                       
                     | 
                                                                          
                     
                                                  Time - Output Rise
                                                9 ns
                       
                     | 
                                                                          
                     
                                                  Driving Mode
                                                直接獨立
                       
                     | 
                                                                          
                     
                                                  Temperature - Operating (Min)
                                                -40 ℃
                       
                     | 
                                                                          
                     
                                                  Temperature - Operating (Max)
                                                85 ℃
                       
                     | 
                                                                          
                     
                                                  Temperature - Storage (Min)
                                                -40 ℃
                       
                     | 
                                                                          
                     
                                                  Temperature - Storage (Max)
                                                50 ℃
                       
                     | 
                                                                          
                     
                                                  Connection Type to IGBT
                                                直接
                       
                     | 
                                                                          
                     
                                                  Paralleling Support?
                                                No
                       
                     | 
                                                              ||
| 
                     
                                                  Data Sheet
                                                
    
      View Data Sheet
      
    
                       
                     | 
                                                                          
                     
                                                  IGBT Voltage Class
                                                1200 V
                       
                     | 
                                                                          
                     
                                                  Max Switching Frequency
                                                6.7 kHz
                       
                     | 
                                                                          
                     
                                                  Power - Output/Channel (Max)
                                                3.0 W
                       
                     | 
                                                                          
                     
                                                  Voltage - DC Link Off state (60s)
                                                950 V
                       
                     | 
                                                                          
                     
                                                  Isolation Type
                                                加強型
                       
                     | 
                                                                          
                     
                                                  Supported Module Type
                                                IGBT
                       
                     | 
                                                                          
                     
                                                  Supported Module(s)
                                                1MBI1600VC-120P
                       
                     | 
                                                                          
                     
                                                  IGBT Manufacturer
                                                Fuji
                       
                     | 
                                                                          
                     
                                                  Conformal Coated?
                                                No
                       
                     | 
                                                                          
                     
                                                  Number of Channels
                                                1
                       
                     | 
                                                                          
                     
                                                  Main/Peripheral
                                                外圍
                       
                     | 
                                                                          
                     | 
                                                                          
                     
                                                  Protection Features
                                                動態高級有源鉗位, 過壓, 短路, 欠壓(次級側)
                       
                     | 
                                                                          
                     
                                                  Technology
                                                SCALE-2
                       
                     | 
                                                                          
                     
                                                  Supported Topologies
                                                兩電平電壓源, 三電平NP鉗位 - 類型1, 三電平NP鉗位 - 類型2, 多電平NP鉗位
                       
                     | 
                                                                          
                     
                                                  Interface Type		
                                                光纖
                       
                     | 
                                                                          
                     
                                                  Gate Turn-on Voltage
                                                +15.0 V
                       
                     | 
                                                                          
                     
                                                  Gate Turn-off Voltage
                                                --10.1 V
                       
                     | 
                                                                          
                     
                                                  Gate Peak Current (Max)
                                                +35 A
                       
                     | 
                                                                          
                     
                                                  Isolation Technology
                                                電隔離
                       
                     | 
                                                                          
                     
                                                  Time - Output Fall
                                                30 ns
                       
                     | 
                                                                          
                     
                                                  Time - Output Rise
                                                9 ns
                       
                     | 
                                                                          
                     
                                                  Driving Mode
                                                直接獨立
                       
                     | 
                                                                          
                     
                                                  Temperature - Operating (Min)
                                                -40 ℃
                       
                     | 
                                                                          
                     
                                                  Temperature - Operating (Max)
                                                85 ℃
                       
                     | 
                                                                          
                     
                                                  Temperature - Storage (Min)
                                                -40 ℃
                       
                     | 
                                                                          
                     
                                                  Temperature - Storage (Max)
                                                50 ℃
                       
                     | 
                                                                          
                     
                                                  Connection Type to IGBT
                                                直接
                       
                     | 
                                                                          
                     
                                                  Paralleling Support?
                                                No
                       
                     | 
                                                              ||
| 
                     
                                                  Data Sheet
                                                
    
      View Data Sheet
      
    
                       
                     | 
                                                                          
                     
                                                  IGBT Voltage Class
                                                1700 V
                       
                     | 
                                                                          
                     
                                                  Max Switching Frequency
                                                5.4 kHz
                       
                     | 
                                                                          
                     
                                                  Power - Output/Channel (Max)
                                                3.0 W
                       
                     | 
                                                                          
                     
                                                  Voltage - DC Link Off state (60s)
                                                1480 V
                       
                     | 
                                                                          
                     
                                                  Isolation Type
                                                加強型
                       
                     | 
                                                                          
                     
                                                  Supported Module Type
                                                IGBT
                       
                     | 
                                                                          
                     
                                                  Supported Module(s)
                                                1MBI1600VC-170E
                       
                     | 
                                                                          
                     
                                                  IGBT Manufacturer
                                                Fuji
                       
                     | 
                                                                          
                     
                                                  Conformal Coated?
                                                No
                       
                     | 
                                                                          
                     
                                                  Number of Channels
                                                1
                       
                     | 
                                                                          
                     
                                                  Main/Peripheral
                                                外圍
                       
                     | 
                                                                          
                     | 
                                                                          
                     
                                                  Protection Features
                                                動態高級有源鉗位, 過壓, 短路, 欠壓(次級側)
                       
                     | 
                                                                          
                     
                                                  Technology
                                                SCALE-2
                       
                     | 
                                                                          
                     
                                                  Supported Topologies
                                                兩電平電壓源, 三電平NP鉗位 - 類型1, 三電平NP鉗位 - 類型2, 多電平NP鉗位
                       
                     | 
                                                                          
                     
                                                  Interface Type		
                                                光纖
                       
                     | 
                                                                          
                     
                                                  Gate Turn-on Voltage
                                                +15.0 V
                       
                     | 
                                                                          
                     
                                                  Gate Turn-off Voltage
                                                --10.1 V
                       
                     | 
                                                                          
                     
                                                  Gate Peak Current (Max)
                                                +35 A
                       
                     | 
                                                                          
                     
                                                  Isolation Technology
                                                電隔離
                       
                     | 
                                                                          
                     
                                                  Time - Output Fall
                                                30 ns
                       
                     | 
                                                                          
                     
                                                  Time - Output Rise
                                                9 ns
                       
                     | 
                                                                          
                     
                                                  Driving Mode
                                                直接獨立
                       
                     | 
                                                                          
                     
                                                  Temperature - Operating (Min)
                                                -40 ℃
                       
                     | 
                                                                          
                     
                                                  Temperature - Operating (Max)
                                                85 ℃
                       
                     | 
                                                                          
                     
                                                  Temperature - Storage (Min)
                                                -40 ℃
                       
                     | 
                                                                          
                     
                                                  Temperature - Storage (Max)
                                                50 ℃
                       
                     | 
                                                                          
                     
                                                  Connection Type to IGBT
                                                直接
                       
                     | 
                                                                          
                     
                                                  Paralleling Support?
                                                No
                       
                     | 
                                                              ||
| 
                     
                                                  Data Sheet
                                                
    
      View Data Sheet
      
    
                       
                     | 
                                                                          
                     
                                                  IGBT Voltage Class
                                                1700 V
                       
                     | 
                                                                          
                     
                                                  Max Switching Frequency
                                                5.9 kHz
                       
                     | 
                                                                          
                     
                                                  Power - Output/Channel (Max)
                                                3.0 W
                       
                     | 
                                                                          
                     
                                                  Voltage - DC Link Off state (60s)
                                                1480 V
                       
                     | 
                                                                          
                     
                                                  Isolation Type
                                                加強型
                       
                     | 
                                                                          
                     
                                                  Supported Module Type
                                                IGBT
                       
                     | 
                                                                          
                     
                                                  Supported Module(s)
                                                1MBI1600VR-170E
                       
                     | 
                                                                          
                     
                                                  IGBT Manufacturer
                                                Fuji
                       
                     | 
                                                                          
                     
                                                  Conformal Coated?
                                                No
                       
                     | 
                                                                          
                     
                                                  Number of Channels
                                                1
                       
                     | 
                                                                          
                     
                                                  Main/Peripheral
                                                外圍
                       
                     | 
                                                                          
                     | 
                                                                          
                     
                                                  Protection Features
                                                動態高級有源鉗位, 過壓, 短路, 欠壓(次級側)
                       
                     | 
                                                                          
                     
                                                  Technology
                                                SCALE-2
                       
                     | 
                                                                          
                     
                                                  Supported Topologies
                                                兩電平電壓源, 三電平NP鉗位 - 類型1, 三電平NP鉗位 - 類型2, 多電平NP鉗位
                       
                     | 
                                                                          
                     
                                                  Interface Type		
                                                光纖
                       
                     | 
                                                                          
                     
                                                  Gate Turn-on Voltage
                                                +15.0 V
                       
                     | 
                                                                          
                     
                                                  Gate Turn-off Voltage
                                                --10.1 V
                       
                     | 
                                                                          
                     
                                                  Gate Peak Current (Max)
                                                +35 A
                       
                     | 
                                                                          
                     
                                                  Isolation Technology
                                                電隔離
                       
                     | 
                                                                          
                     
                                                  Time - Output Fall
                                                30 ns
                       
                     | 
                                                                          
                     
                                                  Time - Output Rise
                                                9 ns
                       
                     | 
                                                                          
                     
                                                  Driving Mode
                                                直接獨立
                       
                     | 
                                                                          
                     
                                                  Temperature - Operating (Min)
                                                -40 ℃
                       
                     | 
                                                                          
                     
                                                  Temperature - Operating (Max)
                                                85 ℃
                       
                     | 
                                                                          
                     
                                                  Temperature - Storage (Min)
                                                -40 ℃
                       
                     | 
                                                                          
                     
                                                  Temperature - Storage (Max)
                                                50 ℃
                       
                     | 
                                                                          
                     
                                                  Connection Type to IGBT
                                                直接
                       
                     | 
                                                                          
                     
                                                  Paralleling Support?
                                                No
                       
                     | 
                                                              ||
| 
                     
                                                  Data Sheet
                                                
    
      View Data Sheet
      
    
                       
                     | 
                                                                          
                     
                                                  IGBT Voltage Class
                                                1700 V
                       
                     | 
                                                                          
                     
                                                  Max Switching Frequency
                                                2.8 kHz
                       
                     | 
                                                                          
                     
                                                  Power - Output/Channel (Max)
                                                3.0 W
                       
                     | 
                                                                          
                     
                                                  Voltage - DC Link Off state (60s)
                                                1480 V
                       
                     | 
                                                                          
                     
                                                  Isolation Type
                                                基本
                       
                     | 
                                                                          
                     
                                                  Supported Module Type
                                                IGBT
                       
                     | 
                                                                          
                     
                                                  Supported Module(s)
                                                1MBI3600VD-170E
                       
                     | 
                                                                          
                     
                                                  IGBT Manufacturer
                                                Fuji
                       
                     | 
                                                                          
                     
                                                  Conformal Coated?
                                                No
                       
                     | 
                                                                          
                     
                                                  Number of Channels
                                                1
                       
                     | 
                                                                          
                     
                                                  Main/Peripheral
                                                外圍
                       
                     | 
                                                                          
                     | 
                                                                          
                     
                                                  Protection Features
                                                動態高級有源鉗位, 過壓, 短路, 欠壓(次級側)
                       
                     | 
                                                                          
                     
                                                  Technology
                                                SCALE-2
                       
                     | 
                                                                          
                     
                                                  Supported Topologies
                                                兩電平電壓源, 三電平NP鉗位 - 類型1, 三電平NP鉗位 - 類型2, 多電平NP鉗位
                       
                     | 
                                                                          
                     
                                                  Interface Type		
                                                光纖
                       
                     | 
                                                                          
                     
                                                  Gate Turn-on Voltage
                                                +15.0 V
                       
                     | 
                                                                          
                     
                                                  Gate Turn-off Voltage
                                                --10.1 V
                       
                     | 
                                                                          
                     
                                                  Gate Peak Current (Max)
                                                +35 A
                       
                     | 
                                                                          
                     
                                                  Isolation Technology
                                                電隔離
                       
                     | 
                                                                          
                     
                                                  Time - Output Fall
                                                30 ns
                       
                     | 
                                                                          
                     
                                                  Time - Output Rise
                                                9 ns
                       
                     | 
                                                                          
                     
                                                  Driving Mode
                                                直接獨立
                       
                     | 
                                                                          
                     
                                                  Temperature - Operating (Min)
                                                -40 ℃
                       
                     | 
                                                                          
                     
                                                  Temperature - Operating (Max)
                                                85 ℃
                       
                     | 
                                                                          
                     
                                                  Temperature - Storage (Min)
                                                -40 ℃
                       
                     | 
                                                                          
                     
                                                  Temperature - Storage (Max)
                                                50 ℃
                       
                     | 
                                                                          
                     
                                                  Connection Type to IGBT
                                                直接
                       
                     | 
                                                                          
                     
                                                  Paralleling Support?
                                                No
                       
                     | 
                                                              ||
| 
                     
                                                  Data Sheet
                                                
    
      View Data Sheet
      
    
                       
                     | 
                                                                          
                     
                                                  IGBT Voltage Class
                                                3300 V
                       
                     | 
                                                                          
                     
                                                  Max Switching Frequency
                                                12.4 kHz
                       
                     | 
                                                                          
                     
                                                  Power - Output/Channel (Max)
                                                3.0 W
                       
                     | 
                                                                          
                     
                                                  Voltage - DC Link Off state (60s)
                                                2700 V
                       
                     | 
                                                                          
                     
                                                  Isolation Type
                                                基本
                       
                     | 
                                                                          
                     
                                                  Supported Module Type
                                                IGBT
                       
                     | 
                                                                          
                     
                                                  Supported Module(s)
                                                1MBI800UG-330
                       
                     | 
                                                                          
                     
                                                  IGBT Manufacturer
                                                Fuji
                       
                     | 
                                                                          
                     
                                                  Conformal Coated?
                                                No
                       
                     | 
                                                                          
                     
                                                  Number of Channels
                                                1
                       
                     | 
                                                                          
                     
                                                  Main/Peripheral
                                                外圍
                       
                     | 
                                                                          
                     | 
                                                                          
                     
                                                  Protection Features
                                                動態高級有源鉗位, 過壓, 短路, 欠壓(次級側)
                       
                     | 
                                                                          
                     
                                                  Technology
                                                SCALE-2
                       
                     | 
                                                                          
                     
                                                  Supported Topologies
                                                兩電平電壓源, 三電平NP鉗位 - 類型1, 三電平NP鉗位 - 類型2, 多電平NP鉗位
                       
                     | 
                                                                          
                     
                                                  Interface Type		
                                                光纖
                       
                     | 
                                                                          
                     
                                                  Gate Turn-on Voltage
                                                +15.0 V
                       
                     | 
                                                                          
                     
                                                  Gate Turn-off Voltage
                                                --10.1 V
                       
                     | 
                                                                          
                     
                                                  Gate Peak Current (Max)
                                                +35 A
                       
                     | 
                                                                          
                     
                                                  Isolation Technology
                                                電隔離
                       
                     | 
                                                                          
                     
                                                  Time - Output Fall
                                                30 ns
                       
                     | 
                                                                          
                     
                                                  Time - Output Rise
                                                9 ns
                       
                     | 
                                                                          
                     
                                                  Driving Mode
                                                直接獨立
                       
                     | 
                                                                          
                     
                                                  Temperature - Operating (Min)
                                                -40 ℃
                       
                     | 
                                                                          
                     
                                                  Temperature - Operating (Max)
                                                85 ℃
                       
                     | 
                                                                          
                     
                                                  Temperature - Storage (Min)
                                                -40 ℃
                       
                     | 
                                                                          
                     
                                                  Temperature - Storage (Max)
                                                50 ℃
                       
                     | 
                                                                          
                     
                                                  Connection Type to IGBT
                                                直接
                       
                     | 
                                                                          
                     
                                                  Paralleling Support?
                                                No
                       
                     | 
                                                              ||
| 
                     
                                                  Data Sheet
                                                
    
      View Data Sheet
      
    
                       
                     | 
                                                                          
                     
                                                  IGBT Voltage Class
                                                2500 V
                       
                     | 
                                                                          
                     | 
                                                                          
                     
                                                  Power - Output/Channel (Max)
                                                3.0 W
                       
                     | 
                                                                          
                     
                                                  Voltage - DC Link Off state (60s)
                                                2150 V
                       
                     | 
                                                                          
                     
                                                  Isolation Type
                                                基本
                       
                     | 
                                                                          
                     
                                                  Supported Module Type
                                                IGBT
                       
                     | 
                                                                          
                     | 
                                                                          
                     | 
                                                                          
                     
                                                  Conformal Coated?
                                                No
                       
                     | 
                                                                          
                     
                                                  Number of Channels
                                                1
                       
                     | 
                                                                          
                     
                                                  Main/Peripheral
                                                外圍
                       
                     | 
                                                                          
                     | 
                                                                          
                     
                                                  Protection Features
                                                動態高級有源鉗位, 過壓, 短路, 欠壓(次級側)
                       
                     | 
                                                                          
                     
                                                  Technology
                                                SCALE-2
                       
                     | 
                                                                          
                     
                                                  Supported Topologies
                                                兩電平電壓源, 三電平NP鉗位 - 類型1, 三電平NP鉗位 - 類型2, 多電平NP鉗位
                       
                     | 
                                                                          
                     
                                                  Interface Type		
                                                光纖
                       
                     | 
                                                                          
                     
                                                  Gate Turn-on Voltage
                                                +15.0 V
                       
                     | 
                                                                          
                     
                                                  Gate Turn-off Voltage
                                                --10.1 V
                       
                     | 
                                                                          
                     
                                                  Gate Peak Current (Max)
                                                +35 A
                       
                     | 
                                                                          
                     
                                                  Isolation Technology
                                                電隔離
                       
                     | 
                                                                          
                     
                                                  Time - Output Fall
                                                30 ns
                       
                     | 
                                                                          
                     
                                                  Time - Output Rise
                                                9 ns
                       
                     | 
                                                                          
                     
                                                  Driving Mode
                                                直接獨立
                       
                     | 
                                                                          
                     
                                                  Temperature - Operating (Min)
                                                -40 ℃
                       
                     | 
                                                                          
                     
                                                  Temperature - Operating (Max)
                                                85 ℃
                       
                     | 
                                                                          
                     
                                                  Temperature - Storage (Min)
                                                -40 ℃
                       
                     | 
                                                                          
                     
                                                  Temperature - Storage (Max)
                                                90 ℃
                       
                     | 
                                                                          
                     
                                                  Connection Type to IGBT
                                                直接
                       
                     | 
                                                                          
                     
                                                  Paralleling Support?
                                                No
                       
                     | 
                                                              ||
| 
                     
                                                  Data Sheet
                                                
    
      View Data Sheet
      
    
                       
                     | 
                                                                          
                     
                                                  IGBT Voltage Class
                                                3300 V
                       
                     | 
                                                                          
                     | 
                                                                          
                     
                                                  Power - Output/Channel (Max)
                                                3.0 W
                       
                     | 
                                                                          
                     
                                                  Voltage - DC Link Off state (60s)
                                                2700 V
                       
                     | 
                                                                          
                     
                                                  Isolation Type
                                                基本
                       
                     | 
                                                                          
                     
                                                  Supported Module Type
                                                IGBT
                       
                     | 
                                                                          
                     | 
                                                                          
                     | 
                                                                          
                     
                                                  Conformal Coated?
                                                No
                       
                     | 
                                                                          
                     
                                                  Number of Channels
                                                1
                       
                     | 
                                                                          
                     
                                                  Main/Peripheral
                                                外圍
                       
                     | 
                                                                          
                     | 
                                                                          
                     
                                                  Protection Features
                                                動態高級有源鉗位, 過壓, 短路, 欠壓(次級側)
                       
                     | 
                                                                          
                     
                                                  Technology
                                                SCALE-2
                       
                     | 
                                                                          
                     
                                                  Supported Topologies
                                                兩電平電壓源, 三電平NP鉗位 - 類型1, 三電平NP鉗位 - 類型2, 多電平NP鉗位
                       
                     | 
                                                                          
                     
                                                  Interface Type		
                                                光纖
                       
                     | 
                                                                          
                     
                                                  Gate Turn-on Voltage
                                                +15.0 V
                       
                     | 
                                                                          
                     
                                                  Gate Turn-off Voltage
                                                --10.1 V
                       
                     | 
                                                                          
                     
                                                  Gate Peak Current (Max)
                                                +35 A
                       
                     | 
                                                                          
                     
                                                  Isolation Technology
                                                電隔離
                       
                     | 
                                                                          
                     
                                                  Time - Output Fall
                                                30 ns
                       
                     | 
                                                                          
                     
                                                  Time - Output Rise
                                                9 ns
                       
                     | 
                                                                          
                     
                                                  Driving Mode
                                                直接獨立
                       
                     | 
                                                                          
                     
                                                  Temperature - Operating (Min)
                                                -40 ℃
                       
                     | 
                                                                          
                     
                                                  Temperature - Operating (Max)
                                                85 ℃
                       
                     | 
                                                                          
                     
                                                  Temperature - Storage (Min)
                                                -40 ℃
                       
                     | 
                                                                          
                     
                                                  Temperature - Storage (Max)
                                                90 ℃
                       
                     | 
                                                                          
                     
                                                  Connection Type to IGBT
                                                直接
                       
                     | 
                                                                          
                     
                                                  Paralleling Support?
                                                No
                       
                     | 
                                                              ||
| 
                     
                                                  Data Sheet
                                                
    
      View Data Sheet
      
    
                       
                     | 
                                                                          
                     
                                                  IGBT Voltage Class
                                                3300 V
                       
                     | 
                                                                          
                     
                                                  Max Switching Frequency
                                                17.0 kHz
                       
                     | 
                                                                          
                     
                                                  Power - Output/Channel (Max)
                                                3.0 W
                       
                     | 
                                                                          
                     
                                                  Voltage - DC Link Off state (60s)
                                                2700 V
                       
                     | 
                                                                          
                     
                                                  Isolation Type
                                                基本
                       
                     | 
                                                                          
                     
                                                  Supported Module Type
                                                IGBT
                       
                     | 
                                                                          
                     
                                                  Supported Module(s)
                                                5SNA0800N330100
                       
                     | 
                                                                          
                     
                                                  IGBT Manufacturer
                                                ABB
                       
                     | 
                                                                          
                     
                                                  Conformal Coated?
                                                No
                       
                     | 
                                                                          
                     
                                                  Number of Channels
                                                1
                       
                     | 
                                                                          
                     
                                                  Main/Peripheral
                                                外圍
                       
                     | 
                                                                          
                     | 
                                                                          
                     
                                                  Protection Features
                                                動態高級有源鉗位, 過壓, 短路, 欠壓(次級側)
                       
                     | 
                                                                          
                     
                                                  Technology
                                                SCALE-2
                       
                     | 
                                                                          
                     
                                                  Supported Topologies
                                                兩電平電壓源, 三電平NP鉗位 - 類型1, 三電平NP鉗位 - 類型2, 多電平NP鉗位
                       
                     | 
                                                                          
                     
                                                  Interface Type		
                                                光纖
                       
                     | 
                                                                          
                     
                                                  Gate Turn-on Voltage
                                                +15.0 V
                       
                     | 
                                                                          
                     
                                                  Gate Turn-off Voltage
                                                --10.1 V
                       
                     | 
                                                                          
                     
                                                  Gate Peak Current (Max)
                                                +35 A
                       
                     | 
                                                                          
                     
                                                  Isolation Technology
                                                電隔離
                       
                     | 
                                                                          
                     
                                                  Time - Output Fall
                                                30 ns
                       
                     | 
                                                                          
                     
                                                  Time - Output Rise
                                                9 ns
                       
                     | 
                                                                          
                     
                                                  Driving Mode
                                                直接獨立
                       
                     | 
                                                                          
                     
                                                  Temperature - Operating (Min)
                                                -40 ℃
                       
                     | 
                                                                          
                     
                                                  Temperature - Operating (Max)
                                                85 ℃
                       
                     | 
                                                                          
                     
                                                  Temperature - Storage (Min)
                                                -40 ℃
                       
                     | 
                                                                          
                     
                                                  Temperature - Storage (Max)
                                                50 ℃
                       
                     | 
                                                                          
                     
                                                  Connection Type to IGBT
                                                直接
                       
                     | 
                                                                          
                     
                                                  Paralleling Support?
                                                No
                       
                     | 
                                                              ||
| 
                     
                                                  Data Sheet
                                                
    
      View Data Sheet
      
    
                       
                     | 
                                                                          
                     
                                                  IGBT Voltage Class
                                                3300 V
                       
                     | 
                                                                          
                     
                                                  Max Switching Frequency
                                                10.0 kHz
                       
                     | 
                                                                          
                     
                                                  Power - Output/Channel (Max)
                                                3.0 W
                       
                     | 
                                                                          
                     
                                                  Voltage - DC Link Off state (60s)
                                                2700 V
                       
                     | 
                                                                          
                     
                                                  Isolation Type
                                                基本
                       
                     | 
                                                                          
                     
                                                  Supported Module Type
                                                IGBT
                       
                     | 
                                                                          
                     
                                                  Supported Module(s)
                                                5SNA1000N330300
                       
                     | 
                                                                          
                     
                                                  IGBT Manufacturer
                                                ABB
                       
                     | 
                                                                          
                     
                                                  Conformal Coated?
                                                No
                       
                     | 
                                                                          
                     
                                                  Number of Channels
                                                1
                       
                     | 
                                                                          
                     
                                                  Main/Peripheral
                                                外圍
                       
                     | 
                                                                          
                     | 
                                                                          
                     
                                                  Protection Features
                                                動態高級有源鉗位, 過壓, 短路, 欠壓(次級側)
                       
                     | 
                                                                          
                     
                                                  Technology
                                                SCALE-2
                       
                     | 
                                                                          
                     
                                                  Supported Topologies
                                                兩電平電壓源, 三電平NP鉗位 - 類型1, 三電平NP鉗位 - 類型2, 多電平NP鉗位
                       
                     | 
                                                                          
                     
                                                  Interface Type		
                                                光纖
                       
                     | 
                                                                          
                     
                                                  Gate Turn-on Voltage
                                                +15.0 V
                       
                     | 
                                                                          
                     
                                                  Gate Turn-off Voltage
                                                --10.1 V
                       
                     | 
                                                                          
                     
                                                  Gate Peak Current (Max)
                                                +35 A
                       
                     | 
                                                                          
                     
                                                  Isolation Technology
                                                電隔離
                       
                     | 
                                                                          
                     
                                                  Time - Output Fall
                                                30 ns
                       
                     | 
                                                                          
                     
                                                  Time - Output Rise
                                                9 ns
                       
                     | 
                                                                          
                     
                                                  Driving Mode
                                                直接獨立
                       
                     | 
                                                                          
                     
                                                  Temperature - Operating (Min)
                                                -40 ℃
                       
                     | 
                                                                          
                     
                                                  Temperature - Operating (Max)
                                                85 ℃
                       
                     | 
                                                                          
                     
                                                  Temperature - Storage (Min)
                                                -40 ℃
                       
                     | 
                                                                          
                     
                                                  Temperature - Storage (Max)
                                                50 ℃
                       
                     | 
                                                                          
                     
                                                  Connection Type to IGBT
                                                直接
                       
                     | 
                                                                          
                     
                                                  Paralleling Support?
                                                No
                       
                     | 
                                                              ||
| 
                     
                                                  Data Sheet
                                                
    
      View Data Sheet
      
    
                       
                     | 
                                                                          
                     
                                                  IGBT Voltage Class
                                                3300 V
                       
                     | 
                                                                          
                     
                                                  Max Switching Frequency
                                                12.1 kHz
                       
                     | 
                                                                          
                     
                                                  Power - Output/Channel (Max)
                                                3.0 W
                       
                     | 
                                                                          
                     
                                                  Voltage - DC Link Off state (60s)
                                                2700 V
                       
                     | 
                                                                          
                     
                                                  Isolation Type
                                                基本
                       
                     | 
                                                                          
                     
                                                  Supported Module Type
                                                IGBT
                       
                     | 
                                                                          
                     
                                                  Supported Module(s)
                                                5SNA1200E330100
                       
                     | 
                                                                          
                     
                                                  IGBT Manufacturer
                                                ABB
                       
                     | 
                                                                          
                     
                                                  Conformal Coated?
                                                No
                       
                     | 
                                                                          
                     
                                                  Number of Channels
                                                1
                       
                     | 
                                                                          
                     
                                                  Main/Peripheral
                                                外圍
                       
                     | 
                                                                          
                     | 
                                                                          
                     
                                                  Protection Features
                                                動態高級有源鉗位, 過壓, 短路, 欠壓(次級側)
                       
                     | 
                                                                          
                     
                                                  Technology
                                                SCALE-2
                       
                     | 
                                                                          
                     
                                                  Supported Topologies
                                                兩電平電壓源, 三電平NP鉗位 - 類型1, 三電平NP鉗位 - 類型2, 多電平NP鉗位
                       
                     | 
                                                                          
                     
                                                  Interface Type		
                                                光纖
                       
                     | 
                                                                          
                     
                                                  Gate Turn-on Voltage
                                                +15.0 V
                       
                     | 
                                                                          
                     
                                                  Gate Turn-off Voltage
                                                --10.1 V
                       
                     | 
                                                                          
                     
                                                  Gate Peak Current (Max)
                                                +35 A
                       
                     | 
                                                                          
                     
                                                  Isolation Technology
                                                電隔離
                       
                     | 
                                                                          
                     
                                                  Time - Output Fall
                                                30 ns
                       
                     | 
                                                                          
                     
                                                  Time - Output Rise
                                                9 ns
                       
                     | 
                                                                          
                     
                                                  Driving Mode
                                                直接獨立
                       
                     | 
                                                                          
                     
                                                  Temperature - Operating (Min)
                                                -40 ℃
                       
                     | 
                                                                          
                     
                                                  Temperature - Operating (Max)
                                                85 ℃
                       
                     | 
                                                                          
                     
                                                  Temperature - Storage (Min)
                                                -40 ℃
                       
                     | 
                                                                          
                     
                                                  Temperature - Storage (Max)
                                                50 ℃
                       
                     | 
                                                                          
                     
                                                  Connection Type to IGBT
                                                直接
                       
                     | 
                                                                          
                     
                                                  Paralleling Support?
                                                No
                       
                     | 
                                                              ||
| 
                     
                                                  Data Sheet
                                                
    
      View Data Sheet
      
    
                       
                     | 
                                                                          
                     
                                                  IGBT Voltage Class
                                                2500 V
                       
                     | 
                                                                          
                     
                                                  Max Switching Frequency
                                                11.0 kHz
                       
                     | 
                                                                          
                     
                                                  Power - Output/Channel (Max)
                                                3.0 W
                       
                     | 
                                                                          
                     
                                                  Voltage - DC Link Off state (60s)
                                                2150 V
                       
                     | 
                                                                          
                     
                                                  Isolation Type
                                                基本
                       
                     | 
                                                                          
                     
                                                  Supported Module Type
                                                IGBT
                       
                     | 
                                                                          
                     
                                                  Supported Module(s)
                                                5SNA1500E250300
                       
                     | 
                                                                          
                     
                                                  IGBT Manufacturer
                                                ABB
                       
                     | 
                                                                          
                     
                                                  Conformal Coated?
                                                No
                       
                     | 
                                                                          
                     
                                                  Number of Channels
                                                1
                       
                     | 
                                                                          
                     
                                                  Main/Peripheral
                                                外圍
                       
                     | 
                                                                          
                     | 
                                                                          
                     
                                                  Protection Features
                                                動態高級有源鉗位, 過壓, 短路, 欠壓(次級側)
                       
                     | 
                                                                          
                     
                                                  Technology
                                                SCALE-2
                       
                     | 
                                                                          
                     
                                                  Supported Topologies
                                                兩電平電壓源, 三電平NP鉗位 - 類型1, 三電平NP鉗位 - 類型2, 多電平NP鉗位
                       
                     | 
                                                                          
                     
                                                  Interface Type		
                                                光纖
                       
                     | 
                                                                          
                     
                                                  Gate Turn-on Voltage
                                                +15.0 V
                       
                     | 
                                                                          
                     
                                                  Gate Turn-off Voltage
                                                --10.1 V
                       
                     | 
                                                                          
                     
                                                  Gate Peak Current (Max)
                                                +35 A
                       
                     | 
                                                                          
                     
                                                  Isolation Technology
                                                電隔離
                       
                     | 
                                                                          
                     
                                                  Time - Output Fall
                                                30 ns
                       
                     | 
                                                                          
                     
                                                  Time - Output Rise
                                                9 ns
                       
                     | 
                                                                          
                     
                                                  Driving Mode
                                                直接獨立
                       
                     | 
                                                                          
                     
                                                  Temperature - Operating (Min)
                                                -40 ℃
                       
                     | 
                                                                          
                     
                                                  Temperature - Operating (Max)
                                                85 ℃
                       
                     | 
                                                                          
                     
                                                  Temperature - Storage (Min)
                                                -40 ℃
                       
                     | 
                                                                          
                     
                                                  Temperature - Storage (Max)
                                                50 ℃
                       
                     | 
                                                                          
                     
                                                  Connection Type to IGBT
                                                直接
                       
                     | 
                                                                          
                     
                                                  Paralleling Support?
                                                No
                       
                     | 
                                                              ||
| 
                     
                                                  Data Sheet
                                                
    
      View Data Sheet
      
    
                       
                     | 
                                                                          
                     
                                                  IGBT Voltage Class
                                                3300 V
                       
                     | 
                                                                          
                     
                                                  Max Switching Frequency
                                                8.5 kHz
                       
                     | 
                                                                          
                     
                                                  Power - Output/Channel (Max)
                                                3.0 W
                       
                     | 
                                                                          
                     
                                                  Voltage - DC Link Off state (60s)
                                                2700 V
                       
                     | 
                                                                          
                     
                                                  Isolation Type
                                                基本
                       
                     | 
                                                                          
                     
                                                  Supported Module Type
                                                IGBT
                       
                     | 
                                                                          
                     
                                                  Supported Module(s)
                                                5SNA1500E330300
                       
                     | 
                                                                          
                     
                                                  IGBT Manufacturer
                                                ABB
                       
                     | 
                                                                          
                     
                                                  Conformal Coated?
                                                No
                       
                     | 
                                                                          
                     
                                                  Number of Channels
                                                1
                       
                     | 
                                                                          
                     
                                                  Main/Peripheral
                                                外圍
                       
                     | 
                                                                          
                     | 
                                                                          
                     
                                                  Protection Features
                                                動態高級有源鉗位, 過壓, 短路, 欠壓(次級側)
                       
                     | 
                                                                          
                     
                                                  Technology
                                                SCALE-2
                       
                     | 
                                                                          
                     
                                                  Supported Topologies
                                                兩電平電壓源, 三電平NP鉗位 - 類型1, 三電平NP鉗位 - 類型2, 多電平NP鉗位
                       
                     | 
                                                                          
                     
                                                  Interface Type		
                                                光纖
                       
                     | 
                                                                          
                     
                                                  Gate Turn-on Voltage
                                                +15.0 V
                       
                     | 
                                                                          
                     
                                                  Gate Turn-off Voltage
                                                --10.1 V
                       
                     | 
                                                                          
                     
                                                  Gate Peak Current (Max)
                                                +35 A
                       
                     | 
                                                                          
                     
                                                  Isolation Technology
                                                電隔離
                       
                     | 
                                                                          
                     
                                                  Time - Output Fall
                                                30 ns
                       
                     | 
                                                                          
                     
                                                  Time - Output Rise
                                                9 ns
                       
                     | 
                                                                          
                     
                                                  Driving Mode
                                                直接獨立
                       
                     | 
                                                                          
                     
                                                  Temperature - Operating (Min)
                                                -40 ℃
                       
                     | 
                                                                          
                     
                                                  Temperature - Operating (Max)
                                                85 ℃
                       
                     | 
                                                                          
                     
                                                  Temperature - Storage (Min)
                                                -40 ℃
                       
                     | 
                                                                          
                     
                                                  Temperature - Storage (Max)
                                                50 ℃
                       
                     | 
                                                                          
                     
                                                  Connection Type to IGBT
                                                直接
                       
                     | 
                                                                          
                     
                                                  Paralleling Support?
                                                No
                       
                     | 
                                                              ||
| 
                     
                                                  Data Sheet
                                                
    
      View Data Sheet
      
    
                       
                     | 
                                                                          
                     
                                                  IGBT Voltage Class
                                                3300 V
                       
                     | 
                                                                          
                     
                                                  Max Switching Frequency
                                                7.7 kHz
                       
                     | 
                                                                          
                     
                                                  Power - Output/Channel (Max)
                                                3.0 W
                       
                     | 
                                                                          
                     
                                                  Voltage - DC Link Off state (60s)
                                                2700 V
                       
                     | 
                                                                          
                     
                                                  Isolation Type
                                                基本
                       
                     | 
                                                                          
                     
                                                  Supported Module Type
                                                IGBT
                       
                     | 
                                                                          
                     
                                                  Supported Module(s)
                                                5SNA1500E330305
                       
                     | 
                                                                          
                     
                                                  IGBT Manufacturer
                                                ABB
                       
                     | 
                                                                          
                     
                                                  Conformal Coated?
                                                No
                       
                     | 
                                                                          
                     
                                                  Number of Channels
                                                1
                       
                     | 
                                                                          
                     
                                                  Main/Peripheral
                                                外圍
                       
                     | 
                                                                          
                     | 
                                                                          
                     
                                                  Protection Features
                                                動態高級有源鉗位, 過壓, 短路, 欠壓(次級側)
                       
                     | 
                                                                          
                     
                                                  Technology
                                                SCALE-2
                       
                     | 
                                                                          
                     
                                                  Supported Topologies
                                                兩電平電壓源, 三電平NP鉗位 - 類型1, 三電平NP鉗位 - 類型2, 多電平NP鉗位
                       
                     | 
                                                                          
                     
                                                  Interface Type		
                                                光纖
                       
                     | 
                                                                          
                     
                                                  Gate Turn-on Voltage
                                                +15.0 V
                       
                     | 
                                                                          
                     
                                                  Gate Turn-off Voltage
                                                --10.1 V
                       
                     | 
                                                                          
                     
                                                  Gate Peak Current (Max)
                                                +35 A
                       
                     | 
                                                                          
                     
                                                  Isolation Technology
                                                電隔離
                       
                     | 
                                                                          
                     
                                                  Time - Output Fall
                                                30 ns
                       
                     | 
                                                                          
                     
                                                  Time - Output Rise
                                                9 ns
                       
                     | 
                                                                          
                     
                                                  Driving Mode
                                                直接獨立
                       
                     | 
                                                                          
                     
                                                  Temperature - Operating (Min)
                                                -40 ℃
                       
                     | 
                                                                          
                     
                                                  Temperature - Operating (Max)
                                                85 ℃
                       
                     | 
                                                                          
                     
                                                  Temperature - Storage (Min)
                                                -40 ℃
                       
                     | 
                                                                          
                     
                                                  Temperature - Storage (Max)
                                                50 ℃
                       
                     | 
                                                                          
                     
                                                  Connection Type to IGBT
                                                直接
                       
                     | 
                                                                          
                     
                                                  Paralleling Support?
                                                No
                       
                     | 
                                                              ||
| 
                     
                                                  Data Sheet
                                                
    
      View Data Sheet
      
    
                       
                     | 
                                                                          
                     
                                                  IGBT Voltage Class
                                                3300 V
                       
                     | 
                                                                          
                     
                                                  Max Switching Frequency
                                                5.0 kHz
                       
                     | 
                                                                          
                     
                                                  Power - Output/Channel (Max)
                                                3.0 W
                       
                     | 
                                                                          
                     
                                                  Voltage - DC Link Off state (60s)
                                                2700 V
                       
                     | 
                                                                          
                     
                                                  Isolation Type
                                                基本
                       
                     | 
                                                                          
                     
                                                  Supported Module Type
                                                IGBT
                       
                     | 
                                                                          
                     
                                                  Supported Module(s)
                                                5SNA1800E330400
                       
                     | 
                                                                          
                     
                                                  IGBT Manufacturer
                                                ABB
                       
                     | 
                                                                          
                     
                                                  Conformal Coated?
                                                No
                       
                     | 
                                                                          
                     
                                                  Number of Channels
                                                1
                       
                     | 
                                                                          
                     
                                                  Main/Peripheral
                                                外圍
                       
                     | 
                                                                          
                     | 
                                                                          
                     
                                                  Protection Features
                                                動態高級有源鉗位, 過壓, 短路, 欠壓(次級側)
                       
                     | 
                                                                          
                     
                                                  Technology
                                                SCALE-2
                       
                     | 
                                                                          
                     
                                                  Supported Topologies
                                                兩電平電壓源, 三電平NP鉗位 - 類型1, 三電平NP鉗位 - 類型2, 多電平NP鉗位
                       
                     | 
                                                                          
                     
                                                  Interface Type		
                                                光纖
                       
                     | 
                                                                          
                     
                                                  Gate Turn-on Voltage
                                                +15.0 V
                       
                     | 
                                                                          
                     
                                                  Gate Turn-off Voltage
                                                --10.1 V
                       
                     | 
                                                                          
                     
                                                  Gate Peak Current (Max)
                                                +35 A
                       
                     | 
                                                                          
                     
                                                  Isolation Technology
                                                電隔離
                       
                     | 
                                                                          
                     
                                                  Time - Output Fall
                                                30 ns
                       
                     | 
                                                                          
                     
                                                  Time - Output Rise
                                                9 ns
                       
                     | 
                                                                          
                     
                                                  Driving Mode
                                                直接獨立
                       
                     | 
                                                                          
                     
                                                  Temperature - Operating (Min)
                                                -40 ℃
                       
                     | 
                                                                          
                     
                                                  Temperature - Operating (Max)
                                                85 ℃
                       
                     | 
                                                                          
                     
                                                  Temperature - Storage (Min)
                                                -40 ℃
                       
                     | 
                                                                          
                     
                                                  Temperature - Storage (Max)
                                                50 ℃
                       
                     | 
                                                                          
                     
                                                  Connection Type to IGBT
                                                直接
                       
                     | 
                                                                          
                     
                                                  Paralleling Support?
                                                No
                       
                     | 
                                                              ||
| 
                     
                                                  Data Sheet
                                                
    
      View Data Sheet
      
    
                       
                     | 
                                                                          
                     
                                                  IGBT Voltage Class
                                                1700 V
                       
                     | 
                                                                          
                     
                                                  Max Switching Frequency
                                                6.0 kHz
                       
                     | 
                                                                          
                     
                                                  Power - Output/Channel (Max)
                                                3.0 W
                       
                     | 
                                                                          
                     
                                                  Voltage - DC Link Off state (60s)
                                                1480 V
                       
                     | 
                                                                          
                     
                                                  Isolation Type
                                                加強型
                       
                     | 
                                                                          
                     
                                                  Supported Module Type
                                                IGBT
                       
                     | 
                                                                          
                     
                                                  Supported Module(s)
                                                5SNA3600E170300
                       
                     | 
                                                                          
                     
                                                  IGBT Manufacturer
                                                ABB
                       
                     | 
                                                                          
                     
                                                  Conformal Coated?
                                                No
                       
                     | 
                                                                          
                     
                                                  Number of Channels
                                                1
                       
                     | 
                                                                          
                     
                                                  Main/Peripheral
                                                外圍
                       
                     | 
                                                                          
                     | 
                                                                          
                     
                                                  Protection Features
                                                動態高級有源鉗位, 過壓, 短路, 欠壓(次級側)
                       
                     | 
                                                                          
                     
                                                  Technology
                                                SCALE-2
                       
                     | 
                                                                          
                     
                                                  Supported Topologies
                                                兩電平電壓源, 三電平NP鉗位 - 類型1, 三電平NP鉗位 - 類型2, 多電平NP鉗位
                       
                     | 
                                                                          
                     
                                                  Interface Type		
                                                光纖
                       
                     | 
                                                                          
                     
                                                  Gate Turn-on Voltage
                                                +15.0 V
                       
                     | 
                                                                          
                     
                                                  Gate Turn-off Voltage
                                                --10.1 V
                       
                     | 
                                                                          
                     
                                                  Gate Peak Current (Max)
                                                +35 A
                       
                     | 
                                                                          
                     
                                                  Isolation Technology
                                                電隔離
                       
                     | 
                                                                          
                     
                                                  Time - Output Fall
                                                30 ns
                       
                     | 
                                                                          
                     
                                                  Time - Output Rise
                                                9 ns
                       
                     | 
                                                                          
                     
                                                  Driving Mode
                                                直接獨立
                       
                     | 
                                                                          
                     
                                                  Temperature - Operating (Min)
                                                -40 ℃
                       
                     | 
                                                                          
                     
                                                  Temperature - Operating (Max)
                                                85 ℃
                       
                     | 
                                                                          
                     
                                                  Temperature - Storage (Min)
                                                -40 ℃
                       
                     | 
                                                                          
                     
                                                  Temperature - Storage (Max)
                                                50 ℃
                       
                     | 
                                                                          
                     
                                                  Connection Type to IGBT
                                                直接
                       
                     | 
                                                                          
                     
                                                  Paralleling Support?
                                                No
                       
                     | 
                                                              ||
| 
                     
                                                  Data Sheet
                                                
    
      View Data Sheet
      
    
                       
                     | 
                                                                          
                     
                                                  IGBT Voltage Class
                                                3300 V
                       
                     | 
                                                                          
                     
                                                  Max Switching Frequency
                                                10.0 kHz
                       
                     | 
                                                                          
                     
                                                  Power - Output/Channel (Max)
                                                3.0 W
                       
                     | 
                                                                          
                     
                                                  Voltage - DC Link Off state (60s)
                                                2700 V
                       
                     | 
                                                                          
                     
                                                  Isolation Type
                                                基本
                       
                     | 
                                                                          
                     
                                                  Supported Module Type
                                                IGBT
                       
                     | 
                                                                          
                     
                                                  Supported Module(s)
                                                5SNE1000E330300
                       
                     | 
                                                                          
                     
                                                  IGBT Manufacturer
                                                ABB
                       
                     | 
                                                                          
                     
                                                  Conformal Coated?
                                                No
                       
                     | 
                                                                          
                     
                                                  Number of Channels
                                                1
                       
                     | 
                                                                          
                     
                                                  Main/Peripheral
                                                外圍
                       
                     | 
                                                                          
                     | 
                                                                          
                     
                                                  Protection Features
                                                動態高級有源鉗位, 過壓, 短路, 欠壓(次級側)
                       
                     | 
                                                                          
                     
                                                  Technology
                                                SCALE-2
                       
                     | 
                                                                          
                     
                                                  Supported Topologies
                                                兩電平電壓源, 三電平NP鉗位 - 類型1, 三電平NP鉗位 - 類型2, 多電平NP鉗位
                       
                     | 
                                                                          
                     
                                                  Interface Type		
                                                光纖
                       
                     | 
                                                                          
                     
                                                  Gate Turn-on Voltage
                                                +15.0 V
                       
                     | 
                                                                          
                     
                                                  Gate Turn-off Voltage
                                                --10.1 V
                       
                     | 
                                                                          
                     
                                                  Gate Peak Current (Max)
                                                +35 A
                       
                     | 
                                                                          
                     
                                                  Isolation Technology
                                                電隔離
                       
                     | 
                                                                          
                     
                                                  Time - Output Fall
                                                30 ns
                       
                     | 
                                                                          
                     
                                                  Time - Output Rise
                                                9 ns
                       
                     | 
                                                                          
                     
                                                  Driving Mode
                                                直接獨立
                       
                     | 
                                                                          
                     
                                                  Temperature - Operating (Min)
                                                -40 ℃
                       
                     | 
                                                                          
                     
                                                  Temperature - Operating (Max)
                                                85 ℃
                       
                     | 
                                                                          
                     
                                                  Temperature - Storage (Min)
                                                -40 ℃
                       
                     | 
                                                                          
                     
                                                  Temperature - Storage (Max)
                                                50 ℃
                       
                     | 
                                                                          
                     
                                                  Connection Type to IGBT
                                                直接
                       
                     | 
                                                                          
                     
                                                  Paralleling Support?
                                                No
                       
                     | 
                                                              ||
| 
                     
                                                  Data Sheet
                                                
    
      View Data Sheet
      
    
                       
                     | 
                                                                          
                     
                                                  IGBT Voltage Class
                                                3300 V
                       
                     | 
                                                                          
                     
                                                  Max Switching Frequency
                                                6.6 kHz
                       
                     | 
                                                                          
                     
                                                  Power - Output/Channel (Max)
                                                3.0 W
                       
                     | 
                                                                          
                     
                                                  Voltage - DC Link Off state (60s)
                                                2700 V
                       
                     | 
                                                                          
                     
                                                  Isolation Type
                                                基本
                       
                     | 
                                                                          
                     
                                                  Supported Module Type
                                                IGBT
                       
                     | 
                                                                          
                     
                                                  Supported Module(s)
                                                CM1200HC-66H
                       
                     | 
                                                                          
                     
                                                  IGBT Manufacturer
                                                Mitsubishi/Powerex
                       
                     | 
                                                                          
                     
                                                  Conformal Coated?
                                                No
                       
                     | 
                                                                          
                     
                                                  Number of Channels
                                                1
                       
                     | 
                                                                          
                     
                                                  Main/Peripheral
                                                外圍
                       
                     | 
                                                                          
                     | 
                                                                          
                     
                                                  Protection Features
                                                動態高級有源鉗位, 過壓, 短路, 欠壓(次級側)
                       
                     | 
                                                                          
                     
                                                  Technology
                                                SCALE-2
                       
                     | 
                                                                          
                     
                                                  Supported Topologies
                                                兩電平電壓源, 三電平NP鉗位 - 類型1, 三電平NP鉗位 - 類型2, 多電平NP鉗位
                       
                     | 
                                                                          
                     
                                                  Interface Type		
                                                光纖
                       
                     | 
                                                                          
                     
                                                  Gate Turn-on Voltage
                                                +15.0 V
                       
                     | 
                                                                          
                     
                                                  Gate Turn-off Voltage
                                                --10.1 V
                       
                     | 
                                                                          
                     
                                                  Gate Peak Current (Max)
                                                +35 A
                       
                     | 
                                                                          
                     
                                                  Isolation Technology
                                                電隔離
                       
                     | 
                                                                          
                     
                                                  Time - Output Fall
                                                30 ns
                       
                     | 
                                                                          
                     
                                                  Time - Output Rise
                                                9 ns
                       
                     | 
                                                                          
                     
                                                  Driving Mode
                                                直接獨立
                       
                     | 
                                                                          
                     
                                                  Temperature - Operating (Min)
                                                -40 ℃
                       
                     | 
                                                                          
                     
                                                  Temperature - Operating (Max)
                                                85 ℃
                       
                     | 
                                                                          
                     
                                                  Temperature - Storage (Min)
                                                -40 ℃
                       
                     | 
                                                                          
                     
                                                  Temperature - Storage (Max)
                                                50 ℃
                       
                     | 
                                                                          
                     
                                                  Connection Type to IGBT
                                                直接
                       
                     | 
                                                                          
                     
                                                  Paralleling Support?
                                                No
                       
                     | 
                                                              ||
| 
                     
                                                  Data Sheet
                                                
    
      View Data Sheet
      
    
                       
                     | 
                                                                          
                     
                                                  IGBT Voltage Class
                                                3300 V
                       
                     | 
                                                                          
                     
                                                  Max Switching Frequency
                                                6.6 kHz
                       
                     | 
                                                                          
                     
                                                  Power - Output/Channel (Max)
                                                3.0 W
                       
                     | 
                                                                          
                     
                                                  Voltage - DC Link Off state (60s)
                                                2700 V
                       
                     | 
                                                                          
                     
                                                  Isolation Type
                                                基本
                       
                     | 
                                                                          
                     
                                                  Supported Module Type
                                                IGBT
                       
                     | 
                                                                          
                     
                                                  Supported Module(s)
                                                CM1200HC-66H
                       
                     | 
                                                                          
                     
                                                  IGBT Manufacturer
                                                Mitsubishi/Powerex
                       
                     | 
                                                                          
                     
                                                  Conformal Coated?
                                                No
                       
                     | 
                                                                          
                     
                                                  Number of Channels
                                                1
                       
                     | 
                                                                          
                     
                                                  Main/Peripheral
                                                外圍
                       
                     | 
                                                                          
                     | 
                                                                          
                     
                                                  Protection Features
                                                動態高級有源鉗位, 過壓, 短路, 欠壓(次級側)
                       
                     | 
                                                                          
                     
                                                  Technology
                                                SCALE-2
                       
                     | 
                                                                          
                     
                                                  Supported Topologies
                                                兩電平電壓源, 三電平NP鉗位 - 類型1, 三電平NP鉗位 - 類型2, 多電平NP鉗位
                       
                     | 
                                                                          
                     
                                                  Interface Type		
                                                光纖
                       
                     | 
                                                                          
                     
                                                  Gate Turn-on Voltage
                                                +15.0 V
                       
                     | 
                                                                          
                     
                                                  Gate Turn-off Voltage
                                                --10.1 V
                       
                     | 
                                                                          
                     
                                                  Gate Peak Current (Max)
                                                +35 A
                       
                     | 
                                                                          
                     
                                                  Isolation Technology
                                                電隔離
                       
                     | 
                                                                          
                     
                                                  Time - Output Fall
                                                30 ns
                       
                     | 
                                                                          
                     
                                                  Time - Output Rise
                                                9 ns
                       
                     | 
                                                                          
                     
                                                  Driving Mode
                                                直接獨立
                       
                     | 
                                                                          
                     
                                                  Temperature - Operating (Min)
                                                -40 ℃
                       
                     | 
                                                                          
                     
                                                  Temperature - Operating (Max)
                                                85 ℃
                       
                     | 
                                                                          
                     
                                                  Temperature - Storage (Min)
                                                -40 ℃
                       
                     | 
                                                                          
                     
                                                  Temperature - Storage (Max)
                                                50 ℃
                       
                     | 
                                                                          
                     
                                                  Connection Type to IGBT
                                                直接
                       
                     | 
                                                                          
                     
                                                  Paralleling Support?
                                                No
                       
                     | 
                                                              ||
| 
                     
                                                  Data Sheet
                                                
    
      View Data Sheet
      
    
                       
                     | 
                                                                          
                     
                                                  IGBT Voltage Class
                                                3300 V
                       
                     | 
                                                                          
                     
                                                  Max Switching Frequency
                                                15.0 kHz
                       
                     | 
                                                                          
                     
                                                  Power - Output/Channel (Max)
                                                3.0 W
                       
                     | 
                                                                          
                     
                                                  Voltage - DC Link Off state (60s)
                                                2700 V
                       
                     | 
                                                                          
                     
                                                  Isolation Type
                                                基本
                       
                     | 
                                                                          
                     
                                                  Supported Module Type
                                                IGBT
                       
                     | 
                                                                          
                     
                                                  Supported Module(s)
                                                CM1200HC-66X
                       
                     | 
                                                                          
                     
                                                  IGBT Manufacturer
                                                Mitsubishi/Powerex
                       
                     | 
                                                                          
                     
                                                  Conformal Coated?
                                                Yes
                       
                     | 
                                                                          
                     
                                                  Number of Channels
                                                1
                       
                     | 
                                                                          
                     
                                                  Main/Peripheral
                                                外圍
                       
                     | 
                                                                          
                     | 
                                                                          
                     
                                                  Protection Features
                                                動態高級有源鉗位, 過壓, 短路, 欠壓(次級側)
                       
                     | 
                                                                          
                     
                                                  Technology
                                                SCALE-2
                       
                     | 
                                                                          
                     
                                                  Supported Topologies
                                                兩電平電壓源, 三電平NP鉗位 - 類型1, 三電平NP鉗位 - 類型2, 多電平NP鉗位
                       
                     | 
                                                                          
                     
                                                  Interface Type		
                                                光纖
                       
                     | 
                                                                          
                     
                                                  Gate Turn-on Voltage
                                                +15.0 V
                       
                     | 
                                                                          
                     
                                                  Gate Turn-off Voltage
                                                --10.1 V
                       
                     | 
                                                                          
                     
                                                  Gate Peak Current (Max)
                                                +35 A
                       
                     | 
                                                                          
                     
                                                  Isolation Technology
                                                電隔離
                       
                     | 
                                                                          
                     
                                                  Time - Output Fall
                                                30 ns
                       
                     | 
                                                                          
                     
                                                  Time - Output Rise
                                                9 ns
                       
                     | 
                                                                          
                     
                                                  Driving Mode
                                                直接獨立
                       
                     | 
                                                                          
                     
                                                  Temperature - Operating (Min)
                                                -40 ℃
                       
                     | 
                                                                          
                     
                                                  Temperature - Operating (Max)
                                                85 ℃
                       
                     | 
                                                                          
                     
                                                  Temperature - Storage (Min)
                                                -40 ℃
                       
                     | 
                                                                          
                     
                                                  Temperature - Storage (Max)
                                                50 ℃
                       
                     | 
                                                                          
                     
                                                  Connection Type to IGBT
                                                直接
                       
                     | 
                                                                          
                     
                                                  Paralleling Support?
                                                No
                       
                     | 
                                                              ||
| 
                     
                                                  Data Sheet
                                                
    
      View Data Sheet
      
    
                       
                     | 
                                                                          
                     
                                                  IGBT Voltage Class
                                                3300 V
                       
                     | 
                                                                          
                     
                                                  Max Switching Frequency
                                                15.0 kHz
                       
                     | 
                                                                          
                     
                                                  Power - Output/Channel (Max)
                                                3.0 W
                       
                     | 
                                                                          
                     
                                                  Voltage - DC Link Off state (60s)
                                                2700 V
                       
                     | 
                                                                          
                     
                                                  Isolation Type
                                                基本
                       
                     | 
                                                                          
                     
                                                  Supported Module Type
                                                IGBT
                       
                     | 
                                                                          
                     
                                                  Supported Module(s)
                                                CM1200HCB-66X
                       
                     | 
                                                                          
                     
                                                  IGBT Manufacturer
                                                Mitsubishi/Powerex
                       
                     | 
                                                                          
                     
                                                  Conformal Coated?
                                                No
                       
                     | 
                                                                          
                     
                                                  Number of Channels
                                                1
                       
                     | 
                                                                          
                     
                                                  Main/Peripheral
                                                外圍
                       
                     | 
                                                                          
                     | 
                                                                          
                     
                                                  Protection Features
                                                動態高級有源鉗位, 過壓, 短路, 欠壓(次級側)
                       
                     | 
                                                                          
                     
                                                  Technology
                                                SCALE-2
                       
                     | 
                                                                          
                     
                                                  Supported Topologies
                                                兩電平電壓源, 三電平NP鉗位 - 類型1, 三電平NP鉗位 - 類型2, 多電平NP鉗位
                       
                     | 
                                                                          
                     
                                                  Interface Type		
                                                光纖
                       
                     | 
                                                                          
                     
                                                  Gate Turn-on Voltage
                                                +15.0 V
                       
                     | 
                                                                          
                     
                                                  Gate Turn-off Voltage
                                                --10.1 V
                       
                     | 
                                                                          
                     
                                                  Gate Peak Current (Max)
                                                +35 A
                       
                     | 
                                                                          
                     
                                                  Isolation Technology
                                                電隔離
                       
                     | 
                                                                          
                     
                                                  Time - Output Fall
                                                30 ns
                       
                     | 
                                                                          
                     
                                                  Time - Output Rise
                                                9 ns
                       
                     | 
                                                                          
                     
                                                  Driving Mode
                                                直接獨立
                       
                     | 
                                                                          
                     
                                                  Temperature - Operating (Min)
                                                -40 ℃
                       
                     | 
                                                                          
                     
                                                  Temperature - Operating (Max)
                                                85 ℃
                       
                     | 
                                                                          
                     
                                                  Temperature - Storage (Min)
                                                -40 ℃
                       
                     | 
                                                                          
                     
                                                  Temperature - Storage (Max)
                                                50 ℃
                       
                     | 
                                                                          
                     
                                                  Connection Type to IGBT
                                                直接
                       
                     | 
                                                                          
                     
                                                  Paralleling Support?
                                                No
                       
                     | 
                                                              ||
| 
                     
                                                  Data Sheet
                                                
    
      View Data Sheet
      
    
                       
                     | 
                                                                          
                     
                                                  IGBT Voltage Class
                                                3300 V
                       
                     | 
                                                                          
                     
                                                  Max Switching Frequency
                                                8.5 kHz
                       
                     | 
                                                                          
                     
                                                  Power - Output/Channel (Max)
                                                3.0 W
                       
                     | 
                                                                          
                     
                                                  Voltage - DC Link Off state (60s)
                                                2700 V
                       
                     | 
                                                                          
                     
                                                  Isolation Type
                                                基本
                       
                     | 
                                                                          
                     
                                                  Supported Module Type
                                                IGBT
                       
                     | 
                                                                          
                     
                                                  Supported Module(s)
                                                CM1500HC-66R
                       
                     | 
                                                                          
                     
                                                  IGBT Manufacturer
                                                Mitsubishi/Powerex
                       
                     | 
                                                                          
                     
                                                  Conformal Coated?
                                                No
                       
                     | 
                                                                          
                     
                                                  Number of Channels
                                                1
                       
                     | 
                                                                          
                     
                                                  Main/Peripheral
                                                外圍
                       
                     | 
                                                                          
                     | 
                                                                          
                     
                                                  Protection Features
                                                動態高級有源鉗位, 過壓, 短路, 欠壓(次級側)
                       
                     | 
                                                                          
                     
                                                  Technology
                                                SCALE-2
                       
                     | 
                                                                          
                     
                                                  Supported Topologies
                                                兩電平電壓源, 三電平NP鉗位 - 類型1, 三電平NP鉗位 - 類型2, 多電平NP鉗位
                       
                     | 
                                                                          
                     
                                                  Interface Type		
                                                光纖
                       
                     | 
                                                                          
                     
                                                  Gate Turn-on Voltage
                                                +15.0 V
                       
                     | 
                                                                          
                     
                                                  Gate Turn-off Voltage
                                                --10.1 V
                       
                     | 
                                                                          
                     
                                                  Gate Peak Current (Max)
                                                +35 A
                       
                     | 
                                                                          
                     
                                                  Isolation Technology
                                                電隔離
                       
                     | 
                                                                          
                     
                                                  Time - Output Fall
                                                30 ns
                       
                     | 
                                                                          
                     
                                                  Time - Output Rise
                                                9 ns
                       
                     | 
                                                                          
                     
                                                  Driving Mode
                                                直接獨立
                       
                     | 
                                                                          
                     
                                                  Temperature - Operating (Min)
                                                -40 ℃
                       
                     | 
                                                                          
                     
                                                  Temperature - Operating (Max)
                                                85 ℃
                       
                     | 
                                                                          
                     
                                                  Temperature - Storage (Min)
                                                -40 ℃
                       
                     | 
                                                                          
                     
                                                  Temperature - Storage (Max)
                                                50 ℃
                       
                     | 
                                                                          
                     
                                                  Connection Type to IGBT
                                                直接
                       
                     | 
                                                                          
                     
                                                  Paralleling Support?
                                                No
                       
                     | 
                                                              ||
| 
                     
                                                  Data Sheet
                                                
    
      View Data Sheet
      
    
                       
                     | 
                                                                          
                     
                                                  IGBT Voltage Class
                                                3300 V
                       
                     | 
                                                                          
                     
                                                  Max Switching Frequency
                                                10.0 kHz
                       
                     | 
                                                                          
                     
                                                  Power - Output/Channel (Max)
                                                3.0 W
                       
                     | 
                                                                          
                     
                                                  Voltage - DC Link Off state (60s)
                                                2700 V
                       
                     | 
                                                                          
                     
                                                  Isolation Type
                                                基本
                       
                     | 
                                                                          
                     
                                                  Supported Module Type
                                                IGBT
                       
                     | 
                                                                          
                     
                                                  Supported Module(s)
                                                CM1800HC-66X
                       
                     | 
                                                                          
                     
                                                  IGBT Manufacturer
                                                Mitsubishi/Powerex
                       
                     | 
                                                                          
                     
                                                  Conformal Coated?
                                                No
                       
                     | 
                                                                          
                     
                                                  Number of Channels
                                                1
                       
                     | 
                                                                          
                     
                                                  Main/Peripheral
                                                外圍
                       
                     | 
                                                                          
                     | 
                                                                          
                     
                                                  Protection Features
                                                動態高級有源鉗位, 過壓, 短路, 欠壓(次級側)
                       
                     | 
                                                                          
                     
                                                  Technology
                                                SCALE-2
                       
                     | 
                                                                          
                     
                                                  Supported Topologies
                                                兩電平電壓源, 三電平NP鉗位 - 類型1, 三電平NP鉗位 - 類型2, 多電平NP鉗位
                       
                     | 
                                                                          
                     
                                                  Interface Type		
                                                光纖
                       
                     | 
                                                                          
                     
                                                  Gate Turn-on Voltage
                                                +15.0 V
                       
                     | 
                                                                          
                     
                                                  Gate Turn-off Voltage
                                                --10.1 V
                       
                     | 
                                                                          
                     
                                                  Gate Peak Current (Max)
                                                +35 A
                       
                     | 
                                                                          
                     
                                                  Isolation Technology
                                                電隔離
                       
                     | 
                                                                          
                     
                                                  Time - Output Fall
                                                30 ns
                       
                     | 
                                                                          
                     
                                                  Time - Output Rise
                                                9 ns
                       
                     | 
                                                                          
                     
                                                  Driving Mode
                                                直接獨立
                       
                     | 
                                                                          
                     
                                                  Temperature - Operating (Min)
                                                -40 ℃
                       
                     | 
                                                                          
                     
                                                  Temperature - Operating (Max)
                                                85 ℃
                       
                     | 
                                                                          
                     
                                                  Temperature - Storage (Min)
                                                -40 ℃
                       
                     | 
                                                                          
                     
                                                  Temperature - Storage (Max)
                                                50 ℃
                       
                     | 
                                                                          
                     
                                                  Connection Type to IGBT
                                                直接
                       
                     | 
                                                                          
                     
                                                  Paralleling Support?
                                                No
                       
                     | 
                                                              ||
| 
                     
                                                  Data Sheet
                                                
    
      View Data Sheet
      
    
                       
                     | 
                                                                          
                     
                                                  IGBT Voltage Class
                                                1700 V
                       
                     | 
                                                                          
                     
                                                  Max Switching Frequency
                                                4.8 kHz
                       
                     | 
                                                                          
                     
                                                  Power - Output/Channel (Max)
                                                2.6 W
                       
                     | 
                                                                          
                     
                                                  Voltage - DC Link Off state (60s)
                                                1480 V
                       
                     | 
                                                                          
                     | 
                                                                          
                     
                                                  Supported Module Type
                                                IGBT
                       
                     | 
                                                                          
                     
                                                  Supported Module(s)
                                                CM2400HCB-34N
                       
                     | 
                                                                          
                     
                                                  IGBT Manufacturer
                                                Mitsubishi/Powerex
                       
                     | 
                                                                          
                     
                                                  Conformal Coated?
                                                No
                       
                     | 
                                                                          
                     
                                                  Number of Channels
                                                1
                       
                     | 
                                                                          
                     
                                                  Main/Peripheral
                                                外圍
                       
                     | 
                                                                          
                     
                                                  Logic Input Voltage
                                                15
                       
                     | 
                                                                          
                     
                                                  Protection Features
                                                動態高級有源鉗位, 過壓, 欠壓(次級側)
                       
                     | 
                                                                          
                     
                                                  Technology
                                                SCALE-2
                       
                     | 
                                                                          
                     
                                                  Supported Topologies
                                                兩電平電壓源, 三電平NP鉗位 - 類型1, 三電平NP鉗位 - 類型2, 多電平NP鉗位
                       
                     | 
                                                                          
                     
                                                  Interface Type		
                                                電氣
                       
                     | 
                                                                          
                     
                                                  Gate Turn-on Voltage
                                                +15.0 V
                       
                     | 
                                                                          
                     
                                                  Gate Turn-off Voltage
                                                --10.1 V
                       
                     | 
                                                                          
                     
                                                  Gate Peak Current (Max)
                                                +35 A
                       
                     | 
                                                                          
                     | 
                                                                          
                     
                                                  Time - Output Fall
                                                30 ns
                       
                     | 
                                                                          
                     
                                                  Time - Output Rise
                                                9 ns
                       
                     | 
                                                                          
                     
                                                  Driving Mode
                                                直接獨立
                       
                     | 
                                                                          
                     
                                                  Temperature - Operating (Min)
                                                -40 ℃
                       
                     | 
                                                                          
                     
                                                  Temperature - Operating (Max)
                                                85 ℃
                       
                     | 
                                                                          
                     
                                                  Temperature - Storage (Min)
                                                -40 ℃
                       
                     | 
                                                                          
                     
                                                  Temperature - Storage (Max)
                                                50 ℃
                       
                     | 
                                                                          
                     
                                                  Connection Type to IGBT
                                                直接
                       
                     | 
                                                                          
                     
                                                  Paralleling Support?
                                                No
                       
                     | 
                                                              ||
| 
                     
                                                  Data Sheet
                                                
    
      View Data Sheet
      
    
                       
                     | 
                                                                          
                     
                                                  IGBT Voltage Class
                                                1700 V
                       
                     | 
                                                                          
                     
                                                  Max Switching Frequency
                                                1.7 kHz
                       
                     | 
                                                                          
                     
                                                  Power - Output/Channel (Max)
                                                3.0 W
                       
                     | 
                                                                          
                     
                                                  Voltage - DC Link Off state (60s)
                                                1480 V
                       
                     | 
                                                                          
                     
                                                  Isolation Type
                                                基本
                       
                     | 
                                                                          
                     
                                                  Supported Module Type
                                                IGBT
                       
                     | 
                                                                          
                     
                                                  Supported Module(s)
                                                CM2400HCB-34X
                       
                     | 
                                                                          
                     
                                                  IGBT Manufacturer
                                                Mitsubishi
                       
                     | 
                                                                          
                     
                                                  Conformal Coated?
                                                No
                       
                     | 
                                                                          
                     
                                                  Number of Channels
                                                1
                       
                     | 
                                                                          
                     
                                                  Main/Peripheral
                                                外圍
                       
                     | 
                                                                          
                     | 
                                                                          
                     
                                                  Protection Features
                                                動態高級有源鉗位, 過壓, 短路, 欠壓(次級側)
                       
                     | 
                                                                          
                     
                                                  Technology
                                                SCALE-2
                       
                     | 
                                                                          
                     
                                                  Supported Topologies
                                                兩電平電壓源, 三電平NP鉗位 - 類型1, 三電平NP鉗位 - 類型2, 多電平NP鉗位
                       
                     | 
                                                                          
                     
                                                  Interface Type		
                                                光纖
                       
                     | 
                                                                          
                     
                                                  Gate Turn-on Voltage
                                                +15.0 V
                       
                     | 
                                                                          
                     
                                                  Gate Turn-off Voltage
                                                --10.0 V
                       
                     | 
                                                                          
                     
                                                  Gate Peak Current (Max)
                                                +35 A
                       
                     | 
                                                                          
                     
                                                  Isolation Technology
                                                電隔離
                       
                     | 
                                                                          
                     
                                                  Time - Output Fall
                                                30 ns
                       
                     | 
                                                                          
                     
                                                  Time - Output Rise
                                                9 ns
                       
                     | 
                                                                          
                     
                                                  Driving Mode
                                                直接獨立
                       
                     | 
                                                                          
                     | 
                                                                          
                     | 
                                                                          
                     | 
                                                                          
                     | 
                                                                          
                     
                                                  Connection Type to IGBT
                                                直接
                       
                     | 
                                                                          
                     
                                                  Paralleling Support?
                                                No
                       
                     | 
                                                              ||
| 
                     
                                                  Data Sheet
                                                
    
      View Data Sheet
      
    
                       
                     | 
                                                                          
                     
                                                  IGBT Voltage Class
                                                3300 V
                       
                     | 
                                                                          
                     
                                                  Max Switching Frequency
                                                7.9 kHz
                       
                     | 
                                                                          
                     
                                                  Power - Output/Channel (Max)
                                                2.6 W
                       
                     | 
                                                                          
                     
                                                  Voltage - DC Link Off state (60s)
                                                2700 V
                       
                     | 
                                                                          
                     | 
                                                                          
                     
                                                  Supported Module Type
                                                IGBT
                       
                     | 
                                                                          
                     
                                                  Supported Module(s)
                                                CM800HC-66H
                       
                     | 
                                                                          
                     
                                                  IGBT Manufacturer
                                                Mitsubishi/Powerex
                       
                     | 
                                                                          
                     
                                                  Conformal Coated?
                                                No
                       
                     | 
                                                                          
                     
                                                  Number of Channels
                                                1
                       
                     | 
                                                                          
                     
                                                  Main/Peripheral
                                                外圍
                       
                     | 
                                                                          
                     
                                                  Logic Input Voltage
                                                15
                       
                     | 
                                                                          
                     
                                                  Protection Features
                                                動態高級有源鉗位, 過壓, 欠壓(次級側)
                       
                     | 
                                                                          
                     
                                                  Technology
                                                SCALE-2
                       
                     | 
                                                                          
                     
                                                  Supported Topologies
                                                兩電平電壓源, 三電平NP鉗位 - 類型1, 三電平NP鉗位 - 類型2, 多電平NP鉗位
                       
                     | 
                                                                          
                     
                                                  Interface Type		
                                                電氣
                       
                     | 
                                                                          
                     
                                                  Gate Turn-on Voltage
                                                +15.0 V
                       
                     | 
                                                                          
                     
                                                  Gate Turn-off Voltage
                                                --10.1 V
                       
                     | 
                                                                          
                     
                                                  Gate Peak Current (Max)
                                                +35 A
                       
                     | 
                                                                          
                     | 
                                                                          
                     
                                                  Time - Output Fall
                                                30 ns
                       
                     | 
                                                                          
                     
                                                  Time - Output Rise
                                                9 ns
                       
                     | 
                                                                          
                     
                                                  Driving Mode
                                                直接獨立
                       
                     | 
                                                                          
                     
                                                  Temperature - Operating (Min)
                                                -40 ℃
                       
                     | 
                                                                          
                     
                                                  Temperature - Operating (Max)
                                                85 ℃
                       
                     | 
                                                                          
                     
                                                  Temperature - Storage (Min)
                                                -40 ℃
                       
                     | 
                                                                          
                     
                                                  Temperature - Storage (Max)
                                                50 ℃
                       
                     | 
                                                                          
                     
                                                  Connection Type to IGBT
                                                直接
                       
                     | 
                                                                          
                     
                                                  Paralleling Support?
                                                No
                       
                     | 
                                                              ||
| 
                     
                                                  Data Sheet
                                                
    
      View Data Sheet
      
    
                       
                     | 
                                                                          
                     
                                                  IGBT Voltage Class
                                                3300 V
                       
                     | 
                                                                          
                     
                                                  Max Switching Frequency
                                                8.2 kHz
                       
                     | 
                                                                          
                     
                                                  Power - Output/Channel (Max)
                                                2.6 W
                       
                     | 
                                                                          
                     
                                                  Voltage - DC Link Off state (60s)
                                                2700 V
                       
                     | 
                                                                          
                     | 
                                                                          
                     
                                                  Supported Module Type
                                                IGBT
                       
                     | 
                                                                          
                     
                                                  Supported Module(s)
                                                DIM1000NSM33-TS000, TIM1000NSM33-TS000
                       
                     | 
                                                                          
                     
                                                  IGBT Manufacturer
                                                Dynex
                       
                     | 
                                                                          
                     
                                                  Conformal Coated?
                                                No
                       
                     | 
                                                                          
                     
                                                  Number of Channels
                                                1
                       
                     | 
                                                                          
                     
                                                  Main/Peripheral
                                                外圍
                       
                     | 
                                                                          
                     
                                                  Logic Input Voltage
                                                15
                       
                     | 
                                                                          
                     
                                                  Protection Features
                                                動態高級有源鉗位, 過壓, 欠壓(次級側)
                       
                     | 
                                                                          
                     
                                                  Technology
                                                SCALE-2
                       
                     | 
                                                                          
                     
                                                  Supported Topologies
                                                兩電平電壓源, 三電平NP鉗位 - 類型1, 三電平NP鉗位 - 類型2, 多電平NP鉗位
                       
                     | 
                                                                          
                     
                                                  Interface Type		
                                                電氣
                       
                     | 
                                                                          
                     
                                                  Gate Turn-on Voltage
                                                +15.0 V
                       
                     | 
                                                                          
                     
                                                  Gate Turn-off Voltage
                                                --10.1 V
                       
                     | 
                                                                          
                     
                                                  Gate Peak Current (Max)
                                                +35 A
                       
                     | 
                                                                          
                     | 
                                                                          
                     
                                                  Time - Output Fall
                                                30 ns
                       
                     | 
                                                                          
                     
                                                  Time - Output Rise
                                                9 ns
                       
                     | 
                                                                          
                     
                                                  Driving Mode
                                                直接獨立
                       
                     | 
                                                                          
                     
                                                  Temperature - Operating (Min)
                                                -40 ℃
                       
                     | 
                                                                          
                     
                                                  Temperature - Operating (Max)
                                                85 ℃
                       
                     | 
                                                                          
                     
                                                  Temperature - Storage (Min)
                                                -40 ℃
                       
                     | 
                                                                          
                     
                                                  Temperature - Storage (Max)
                                                50 ℃
                       
                     | 
                                                                          
                     
                                                  Connection Type to IGBT
                                                直接
                       
                     | 
                                                                          
                     
                                                  Paralleling Support?
                                                No
                       
                     | 
                                                              ||
| 
                     
                                                  Data Sheet
                                                
    
      View Data Sheet
      
    
                       
                     | 
                                                                          
                     
                                                  IGBT Voltage Class
                                                3300 V
                       
                     | 
                                                                          
                     
                                                  Max Switching Frequency
                                                4.0 kHz
                       
                     | 
                                                                          
                     
                                                  Power - Output/Channel (Max)
                                                2.6 W
                       
                     | 
                                                                          
                     
                                                  Voltage - DC Link Off state (60s)
                                                2700 V
                       
                     | 
                                                                          
                     | 
                                                                          
                     
                                                  Supported Module Type
                                                IGBT
                       
                     | 
                                                                          
                     
                                                  Supported Module(s)
                                                DIM1200ESM33-F000
                       
                     | 
                                                                          
                     
                                                  IGBT Manufacturer
                                                Dynex
                       
                     | 
                                                                          
                     
                                                  Conformal Coated?
                                                No
                       
                     | 
                                                                          
                     
                                                  Number of Channels
                                                1
                       
                     | 
                                                                          
                     
                                                  Main/Peripheral
                                                外圍
                       
                     | 
                                                                          
                     
                                                  Logic Input Voltage
                                                15
                       
                     | 
                                                                          
                     
                                                  Protection Features
                                                動態高級有源鉗位, 過壓, 欠壓(次級側)
                       
                     | 
                                                                          
                     
                                                  Technology
                                                SCALE-2
                       
                     | 
                                                                          
                     
                                                  Supported Topologies
                                                兩電平電壓源, 三電平NP鉗位 - 類型1, 三電平NP鉗位 - 類型2, 多電平NP鉗位
                       
                     | 
                                                                          
                     
                                                  Interface Type		
                                                電氣
                       
                     | 
                                                                          
                     
                                                  Gate Turn-on Voltage
                                                +15.0 V
                       
                     | 
                                                                          
                     
                                                  Gate Turn-off Voltage
                                                --10.1 V
                       
                     | 
                                                                          
                     
                                                  Gate Peak Current (Max)
                                                +35 A
                       
                     | 
                                                                          
                     | 
                                                                          
                     
                                                  Time - Output Fall
                                                30 ns
                       
                     | 
                                                                          
                     
                                                  Time - Output Rise
                                                9 ns
                       
                     | 
                                                                          
                     
                                                  Driving Mode
                                                直接獨立
                       
                     | 
                                                                          
                     
                                                  Temperature - Operating (Min)
                                                -40 ℃
                       
                     | 
                                                                          
                     
                                                  Temperature - Operating (Max)
                                                85 ℃
                       
                     | 
                                                                          
                     
                                                  Temperature - Storage (Min)
                                                -40 ℃
                       
                     | 
                                                                          
                     
                                                  Temperature - Storage (Max)
                                                50 ℃
                       
                     | 
                                                                          
                     
                                                  Connection Type to IGBT
                                                直接
                       
                     | 
                                                                          
                     
                                                  Paralleling Support?
                                                No
                       
                     | 
                                                              ||
| 
                     
                                                  Data Sheet
                                                
    
      View Data Sheet
      
    
                       
                     | 
                                                                          
                     
                                                  IGBT Voltage Class
                                                3300 V
                       
                     | 
                                                                          
                     
                                                  Max Switching Frequency
                                                5.5 kHz
                       
                     | 
                                                                          
                     
                                                  Power - Output/Channel (Max)
                                                2.6 W
                       
                     | 
                                                                          
                     
                                                  Voltage - DC Link Off state (60s)
                                                2700 V
                       
                     | 
                                                                          
                     | 
                                                                          
                     
                                                  Supported Module Type
                                                IGBT
                       
                     | 
                                                                          
                     
                                                  Supported Module(s)
                                                DIM1500ESM33-PR500, DIM1500ESM33-PSA012, TIM1500ESM33-PSA012
                       
                     | 
                                                                          
                     
                                                  IGBT Manufacturer
                                                Dynex
                       
                     | 
                                                                          
                     
                                                  Conformal Coated?
                                                No
                       
                     | 
                                                                          
                     
                                                  Number of Channels
                                                1
                       
                     | 
                                                                          
                     
                                                  Main/Peripheral
                                                外圍
                       
                     | 
                                                                          
                     
                                                  Logic Input Voltage
                                                15
                       
                     | 
                                                                          
                     
                                                  Protection Features
                                                動態高級有源鉗位, 過壓, 欠壓(次級側)
                       
                     | 
                                                                          
                     
                                                  Technology
                                                SCALE-2
                       
                     | 
                                                                          
                     
                                                  Supported Topologies
                                                兩電平電壓源, 三電平NP鉗位 - 類型1, 三電平NP鉗位 - 類型2, 多電平NP鉗位
                       
                     | 
                                                                          
                     
                                                  Interface Type		
                                                電氣
                       
                     | 
                                                                          
                     
                                                  Gate Turn-on Voltage
                                                +15.0 V
                       
                     | 
                                                                          
                     
                                                  Gate Turn-off Voltage
                                                --10.1 V
                       
                     | 
                                                                          
                     
                                                  Gate Peak Current (Max)
                                                +35 A
                       
                     | 
                                                                          
                     | 
                                                                          
                     
                                                  Time - Output Fall
                                                30 ns
                       
                     | 
                                                                          
                     
                                                  Time - Output Rise
                                                9 ns
                       
                     | 
                                                                          
                     
                                                  Driving Mode
                                                直接獨立
                       
                     | 
                                                                          
                     
                                                  Temperature - Operating (Min)
                                                -40 ℃
                       
                     | 
                                                                          
                     
                                                  Temperature - Operating (Max)
                                                85 ℃
                       
                     | 
                                                                          
                     
                                                  Temperature - Storage (Min)
                                                -40 ℃
                       
                     | 
                                                                          
                     
                                                  Temperature - Storage (Max)
                                                50 ℃
                       
                     | 
                                                                          
                     
                                                  Connection Type to IGBT
                                                直接
                       
                     | 
                                                                          
                     
                                                  Paralleling Support?
                                                No
                       
                     | 
                                                              ||
| 
                     
                                                  Data Sheet
                                                
    
      View Data Sheet
      
    
                       
                     | 
                                                                          
                     
                                                  IGBT Voltage Class
                                                3300 V
                       
                     | 
                                                                          
                     
                                                  Max Switching Frequency
                                                5.5 kHz
                       
                     | 
                                                                          
                     
                                                  Power - Output/Channel (Max)
                                                2.6 W
                       
                     | 
                                                                          
                     
                                                  Voltage - DC Link Off state (60s)
                                                2700 V
                       
                     | 
                                                                          
                     | 
                                                                          
                     
                                                  Supported Module Type
                                                IGBT
                       
                     | 
                                                                          
                     
                                                  Supported Module(s)
                                                DIM1500ESM33-PSA012, TIM1500ESM33-PSA012
                       
                     | 
                                                                          
                     
                                                  IGBT Manufacturer
                                                Dynex
                       
                     | 
                                                                          
                     
                                                  Conformal Coated?
                                                No
                       
                     | 
                                                                          
                     
                                                  Number of Channels
                                                1
                       
                     | 
                                                                          
                     
                                                  Main/Peripheral
                                                外圍
                       
                     | 
                                                                          
                     
                                                  Logic Input Voltage
                                                15
                       
                     | 
                                                                          
                     
                                                  Protection Features
                                                動態高級有源鉗位, 過壓, 欠壓(次級側)
                       
                     | 
                                                                          
                     
                                                  Technology
                                                SCALE-2
                       
                     | 
                                                                          
                     
                                                  Supported Topologies
                                                兩電平電壓源, 三電平NP鉗位 - 類型1, 三電平NP鉗位 - 類型2, 多電平NP鉗位
                       
                     | 
                                                                          
                     
                                                  Interface Type		
                                                電氣
                       
                     | 
                                                                          
                     
                                                  Gate Turn-on Voltage
                                                +15.0 V
                       
                     | 
                                                                          
                     
                                                  Gate Turn-off Voltage
                                                --10.1 V
                       
                     | 
                                                                          
                     
                                                  Gate Peak Current (Max)
                                                +35 A
                       
                     | 
                                                                          
                     | 
                                                                          
                     
                                                  Time - Output Fall
                                                30 ns
                       
                     | 
                                                                          
                     
                                                  Time - Output Rise
                                                9 ns
                       
                     | 
                                                                          
                     
                                                  Driving Mode
                                                直接獨立
                       
                     | 
                                                                          
                     
                                                  Temperature - Operating (Min)
                                                -40 ℃
                       
                     | 
                                                                          
                     
                                                  Temperature - Operating (Max)
                                                85 ℃
                       
                     | 
                                                                          
                     
                                                  Temperature - Storage (Min)
                                                -40 ℃
                       
                     | 
                                                                          
                     
                                                  Temperature - Storage (Max)
                                                50 ℃
                       
                     | 
                                                                          
                     
                                                  Connection Type to IGBT
                                                直接
                       
                     | 
                                                                          
                     
                                                  Paralleling Support?
                                                No
                       
                     | 
                                                              ||
| 
                     
                                                  Data Sheet
                                                
    
      View Data Sheet
      
    
                       
                     | 
                                                                          
                     
                                                  IGBT Voltage Class
                                                3300 V
                       
                     | 
                                                                          
                     
                                                  Max Switching Frequency
                                                5.5 kHz
                       
                     | 
                                                                          
                     
                                                  Power - Output/Channel (Max)
                                                2.6 W
                       
                     | 
                                                                          
                     
                                                  Voltage - DC Link Off state (60s)
                                                2700 V
                       
                     | 
                                                                          
                     | 
                                                                          
                     
                                                  Supported Module Type
                                                IGBT
                       
                     | 
                                                                          
                     
                                                  Supported Module(s)
                                                DIM1500ESM33-TS000
                       
                     | 
                                                                          
                     
                                                  IGBT Manufacturer
                                                Dynex
                       
                     | 
                                                                          
                     
                                                  Conformal Coated?
                                                No
                       
                     | 
                                                                          
                     
                                                  Number of Channels
                                                1
                       
                     | 
                                                                          
                     
                                                  Main/Peripheral
                                                外圍
                       
                     | 
                                                                          
                     
                                                  Logic Input Voltage
                                                15
                       
                     | 
                                                                          
                     
                                                  Protection Features
                                                動態高級有源鉗位, 過壓, 欠壓(次級側)
                       
                     | 
                                                                          
                     
                                                  Technology
                                                SCALE-2
                       
                     | 
                                                                          
                     
                                                  Supported Topologies
                                                兩電平電壓源, 三電平NP鉗位 - 類型1, 三電平NP鉗位 - 類型2, 多電平NP鉗位
                       
                     | 
                                                                          
                     
                                                  Interface Type		
                                                電氣
                       
                     | 
                                                                          
                     
                                                  Gate Turn-on Voltage
                                                +15.0 V
                       
                     | 
                                                                          
                     
                                                  Gate Turn-off Voltage
                                                --10.1 V
                       
                     | 
                                                                          
                     
                                                  Gate Peak Current (Max)
                                                +35 A
                       
                     | 
                                                                          
                     | 
                                                                          
                     
                                                  Time - Output Fall
                                                30 ns
                       
                     | 
                                                                          
                     
                                                  Time - Output Rise
                                                9 ns
                       
                     | 
                                                                          
                     
                                                  Driving Mode
                                                直接獨立
                       
                     | 
                                                                          
                     
                                                  Temperature - Operating (Min)
                                                -40 ℃
                       
                     | 
                                                                          
                     
                                                  Temperature - Operating (Max)
                                                85 ℃
                       
                     | 
                                                                          
                     
                                                  Temperature - Storage (Min)
                                                -40 ℃
                       
                     | 
                                                                          
                     
                                                  Temperature - Storage (Max)
                                                50 ℃
                       
                     | 
                                                                          
                     
                                                  Connection Type to IGBT
                                                直接
                       
                     | 
                                                                          
                     
                                                  Paralleling Support?
                                                No
                       
                     | 
                                                              ||
| 
                     
                                                  Data Sheet
                                                
    
      View Data Sheet
      
    
                       
                     | 
                                                                          
                     
                                                  IGBT Voltage Class
                                                3300 V
                       
                     | 
                                                                          
                     
                                                  Max Switching Frequency
                                                6.0 kHz
                       
                     | 
                                                                          
                     
                                                  Power - Output/Channel (Max)
                                                2.6 W
                       
                     | 
                                                                          
                     
                                                  Voltage - DC Link Off state (60s)
                                                2700 V
                       
                     | 
                                                                          
                     | 
                                                                          
                     
                                                  Supported Module Type
                                                IGBT
                       
                     | 
                                                                          
                     
                                                  Supported Module(s)
                                                DIM800NSM33-F000
                       
                     | 
                                                                          
                     
                                                  IGBT Manufacturer
                                                Dynex
                       
                     | 
                                                                          
                     
                                                  Conformal Coated?
                                                No
                       
                     | 
                                                                          
                     
                                                  Number of Channels
                                                1
                       
                     | 
                                                                          
                     
                                                  Main/Peripheral
                                                外圍
                       
                     | 
                                                                          
                     
                                                  Logic Input Voltage
                                                15
                       
                     | 
                                                                          
                     
                                                  Protection Features
                                                動態高級有源鉗位, 過壓, 欠壓(次級側)
                       
                     | 
                                                                          
                     
                                                  Technology
                                                SCALE-2
                       
                     | 
                                                                          
                     
                                                  Supported Topologies
                                                兩電平電壓源, 三電平NP鉗位 - 類型1, 三電平NP鉗位 - 類型2, 多電平NP鉗位
                       
                     | 
                                                                          
                     
                                                  Interface Type		
                                                電氣
                       
                     | 
                                                                          
                     
                                                  Gate Turn-on Voltage
                                                +15.0 V
                       
                     | 
                                                                          
                     
                                                  Gate Turn-off Voltage
                                                --10.1 V
                       
                     | 
                                                                          
                     
                                                  Gate Peak Current (Max)
                                                +35 A
                       
                     | 
                                                                          
                     | 
                                                                          
                     
                                                  Time - Output Fall
                                                30 ns
                       
                     | 
                                                                          
                     
                                                  Time - Output Rise
                                                9 ns
                       
                     | 
                                                                          
                     
                                                  Driving Mode
                                                直接獨立
                       
                     | 
                                                                          
                     
                                                  Temperature - Operating (Min)
                                                -40 ℃
                       
                     | 
                                                                          
                     
                                                  Temperature - Operating (Max)
                                                85 ℃
                       
                     | 
                                                                          
                     
                                                  Temperature - Storage (Min)
                                                -40 ℃
                       
                     | 
                                                                          
                     
                                                  Temperature - Storage (Max)
                                                50 ℃
                       
                     | 
                                                                          
                     
                                                  Connection Type to IGBT
                                                直接
                       
                     | 
                                                                          
                     
                                                  Paralleling Support?
                                                No
                       
                     | 
                                                              ||
| 
                     
                                                  Data Sheet
                                                
    
      View Data Sheet
      
    
                       
                     | 
                                                                          
                     
                                                  IGBT Voltage Class
                                                1700 V
                       
                     | 
                                                                          
                     
                                                  Max Switching Frequency
                                                9.5 kHz
                       
                     | 
                                                                          
                     
                                                  Power - Output/Channel (Max)
                                                2.6 W
                       
                     | 
                                                                          
                     
                                                  Voltage - DC Link Off state (60s)
                                                1480 V
                       
                     | 
                                                                          
                     | 
                                                                          
                     
                                                  Supported Module Type
                                                IGBT
                       
                     | 
                                                                          
                     
                                                  Supported Module(s)
                                                FD1200R17HP4-K_B2
                       
                     | 
                                                                          
                     
                                                  IGBT Manufacturer
                                                Infineon
                       
                     | 
                                                                          
                     
                                                  Conformal Coated?
                                                No
                       
                     | 
                                                                          
                     
                                                  Number of Channels
                                                1
                       
                     | 
                                                                          
                     
                                                  Main/Peripheral
                                                外圍
                       
                     | 
                                                                          
                     
                                                  Logic Input Voltage
                                                15
                       
                     | 
                                                                          
                     
                                                  Protection Features
                                                動態高級有源鉗位, 過壓, 欠壓(次級側)
                       
                     | 
                                                                          
                     
                                                  Technology
                                                SCALE-2
                       
                     | 
                                                                          
                     
                                                  Supported Topologies
                                                兩電平電壓源, 三電平NP鉗位 - 類型1, 三電平NP鉗位 - 類型2, 多電平NP鉗位
                       
                     | 
                                                                          
                     
                                                  Interface Type		
                                                電氣
                       
                     | 
                                                                          
                     
                                                  Gate Turn-on Voltage
                                                +15.0 V
                       
                     | 
                                                                          
                     
                                                  Gate Turn-off Voltage
                                                --10.1 V
                       
                     | 
                                                                          
                     
                                                  Gate Peak Current (Max)
                                                +35 A
                       
                     | 
                                                                          
                     | 
                                                                          
                     
                                                  Time - Output Fall
                                                30 ns
                       
                     | 
                                                                          
                     
                                                  Time - Output Rise
                                                9 ns
                       
                     | 
                                                                          
                     
                                                  Driving Mode
                                                直接獨立
                       
                     | 
                                                                          
                     
                                                  Temperature - Operating (Min)
                                                -40 ℃
                       
                     | 
                                                                          
                     
                                                  Temperature - Operating (Max)
                                                85 ℃
                       
                     | 
                                                                          
                     
                                                  Temperature - Storage (Min)
                                                -40 ℃
                       
                     | 
                                                                          
                     
                                                  Temperature - Storage (Max)
                                                50 ℃
                       
                     | 
                                                                          
                     
                                                  Connection Type to IGBT
                                                直接
                       
                     | 
                                                                          
                     
                                                  Paralleling Support?
                                                No
                       
                     | 
                                                              ||
| 
                     
                                                  Data Sheet
                                                
    
      View Data Sheet
      
    
                       
                     | 
                                                                          
                     
                                                  IGBT Voltage Class
                                                1700 V
                       
                     | 
                                                                          
                     
                                                  Max Switching Frequency
                                                8.1 kHz
                       
                     | 
                                                                          
                     
                                                  Power - Output/Channel (Max)
                                                2.6 W
                       
                     | 
                                                                          
                     
                                                  Voltage - DC Link Off state (60s)
                                                1480 V
                       
                     | 
                                                                          
                     | 
                                                                          
                     
                                                  Supported Module Type
                                                IGBT
                       
                     | 
                                                                          
                     
                                                  Supported Module(s)
                                                FD1200R17KE3-K_B2
                       
                     | 
                                                                          
                     
                                                  IGBT Manufacturer
                                                Infineon
                       
                     | 
                                                                          
                     
                                                  Conformal Coated?
                                                No
                       
                     | 
                                                                          
                     
                                                  Number of Channels
                                                1
                       
                     | 
                                                                          
                     
                                                  Main/Peripheral
                                                外圍
                       
                     | 
                                                                          
                     
                                                  Logic Input Voltage
                                                15
                       
                     | 
                                                                          
                     
                                                  Protection Features
                                                動態高級有源鉗位, 過壓, 欠壓(次級側)
                       
                     | 
                                                                          
                     
                                                  Technology
                                                SCALE-2
                       
                     | 
                                                                          
                     
                                                  Supported Topologies
                                                兩電平電壓源, 三電平NP鉗位 - 類型1, 三電平NP鉗位 - 類型2, 多電平NP鉗位
                       
                     | 
                                                                          
                     
                                                  Interface Type		
                                                電氣
                       
                     | 
                                                                          
                     
                                                  Gate Turn-on Voltage
                                                +15.0 V
                       
                     | 
                                                                          
                     
                                                  Gate Turn-off Voltage
                                                --10.1 V
                       
                     | 
                                                                          
                     
                                                  Gate Peak Current (Max)
                                                +35 A
                       
                     | 
                                                                          
                     | 
                                                                          
                     
                                                  Time - Output Fall
                                                30 ns
                       
                     | 
                                                                          
                     
                                                  Time - Output Rise
                                                9 ns
                       
                     | 
                                                                          
                     
                                                  Driving Mode
                                                直接獨立
                       
                     | 
                                                                          
                     
                                                  Temperature - Operating (Min)
                                                -40 ℃
                       
                     | 
                                                                          
                     
                                                  Temperature - Operating (Max)
                                                85 ℃
                       
                     | 
                                                                          
                     
                                                  Temperature - Storage (Min)
                                                -40 ℃
                       
                     | 
                                                                          
                     
                                                  Temperature - Storage (Max)
                                                50 ℃
                       
                     | 
                                                                          
                     
                                                  Connection Type to IGBT
                                                直接
                       
                     | 
                                                                          
                     
                                                  Paralleling Support?
                                                No
                       
                     | 
                                                              ||
| 
                     
                                                  Data Sheet
                                                
    
      View Data Sheet
      
    
                       
                     | 
                                                                          
                     
                                                  IGBT Voltage Class
                                                3300 V
                       
                     | 
                                                                          
                     
                                                  Max Switching Frequency
                                                3.7 kHz
                       
                     | 
                                                                          
                     
                                                  Power - Output/Channel (Max)
                                                2.6 W
                       
                     | 
                                                                          
                     
                                                  Voltage - DC Link Off state (60s)
                                                2700 V
                       
                     | 
                                                                          
                     | 
                                                                          
                     
                                                  Supported Module Type
                                                IGBT
                       
                     | 
                                                                          
                     
                                                  Supported Module(s)
                                                FZ1000R33HE3
                       
                     | 
                                                                          
                     
                                                  IGBT Manufacturer
                                                Infineon
                       
                     | 
                                                                          
                     
                                                  Conformal Coated?
                                                No
                       
                     | 
                                                                          
                     
                                                  Number of Channels
                                                1
                       
                     | 
                                                                          
                     
                                                  Main/Peripheral
                                                外圍
                       
                     | 
                                                                          
                     
                                                  Logic Input Voltage
                                                15
                       
                     | 
                                                                          
                     
                                                  Protection Features
                                                動態高級有源鉗位, 過壓, 欠壓(次級側)
                       
                     | 
                                                                          
                     
                                                  Technology
                                                SCALE-2
                       
                     | 
                                                                          
                     
                                                  Supported Topologies
                                                兩電平電壓源, 三電平NP鉗位 - 類型1, 三電平NP鉗位 - 類型2, 多電平NP鉗位
                       
                     | 
                                                                          
                     
                                                  Interface Type		
                                                電氣
                       
                     | 
                                                                          
                     
                                                  Gate Turn-on Voltage
                                                +15.0 V
                       
                     | 
                                                                          
                     
                                                  Gate Turn-off Voltage
                                                --10.1 V
                       
                     | 
                                                                          
                     
                                                  Gate Peak Current (Max)
                                                +35 A
                       
                     | 
                                                                          
                     | 
                                                                          
                     
                                                  Time - Output Fall
                                                30 ns
                       
                     | 
                                                                          
                     
                                                  Time - Output Rise
                                                9 ns
                       
                     | 
                                                                          
                     
                                                  Driving Mode
                                                直接獨立
                       
                     | 
                                                                          
                     
                                                  Temperature - Operating (Min)
                                                -40 ℃
                       
                     | 
                                                                          
                     
                                                  Temperature - Operating (Max)
                                                85 ℃
                       
                     | 
                                                                          
                     
                                                  Temperature - Storage (Min)
                                                -40 ℃
                       
                     | 
                                                                          
                     
                                                  Temperature - Storage (Max)
                                                50 ℃
                       
                     | 
                                                                          
                     
                                                  Connection Type to IGBT
                                                直接
                       
                     | 
                                                                          
                     
                                                  Paralleling Support?
                                                No
                       
                     | 
                                                              ||
| 
                     
                                                  Data Sheet
                                                
    
      View Data Sheet
      
    
                       
                     | 
                                                                          
                     
                                                  IGBT Voltage Class
                                                3300 V
                       
                     | 
                                                                          
                     
                                                  Max Switching Frequency
                                                3.8 kHz
                       
                     | 
                                                                          
                     
                                                  Power - Output/Channel (Max)
                                                2.6 W
                       
                     | 
                                                                          
                     
                                                  Voltage - DC Link Off state (60s)
                                                2700 V
                       
                     | 
                                                                          
                     | 
                                                                          
                     
                                                  Supported Module Type
                                                IGBT
                       
                     | 
                                                                          
                     
                                                  Supported Module(s)
                                                FZ1000R33HL3
                       
                     | 
                                                                          
                     
                                                  IGBT Manufacturer
                                                Infineon
                       
                     | 
                                                                          
                     
                                                  Conformal Coated?
                                                No
                       
                     | 
                                                                          
                     
                                                  Number of Channels
                                                1
                       
                     | 
                                                                          
                     
                                                  Main/Peripheral
                                                外圍
                       
                     | 
                                                                          
                     
                                                  Logic Input Voltage
                                                15
                       
                     | 
                                                                          
                     
                                                  Protection Features
                                                動態高級有源鉗位, 過壓, 欠壓(次級側)
                       
                     | 
                                                                          
                     
                                                  Technology
                                                SCALE-2
                       
                     | 
                                                                          
                     
                                                  Supported Topologies
                                                兩電平電壓源, 三電平NP鉗位 - 類型1, 三電平NP鉗位 - 類型2, 多電平NP鉗位
                       
                     | 
                                                                          
                     
                                                  Interface Type		
                                                電氣
                       
                     | 
                                                                          
                     
                                                  Gate Turn-on Voltage
                                                +15.0 V
                       
                     | 
                                                                          
                     
                                                  Gate Turn-off Voltage
                                                --10.1 V
                       
                     | 
                                                                          
                     
                                                  Gate Peak Current (Max)
                                                +35 A
                       
                     | 
                                                                          
                     | 
                                                                          
                     
                                                  Time - Output Fall
                                                30 ns
                       
                     | 
                                                                          
                     
                                                  Time - Output Rise
                                                9 ns
                       
                     | 
                                                                          
                     
                                                  Driving Mode
                                                直接獨立
                       
                     | 
                                                                          
                     
                                                  Temperature - Operating (Min)
                                                -40 ℃
                       
                     | 
                                                                          
                     
                                                  Temperature - Operating (Max)
                                                85 ℃
                       
                     | 
                                                                          
                     
                                                  Temperature - Storage (Min)
                                                -40 ℃
                       
                     | 
                                                                          
                     
                                                  Temperature - Storage (Max)
                                                50 ℃
                       
                     | 
                                                                          
                     
                                                  Connection Type to IGBT
                                                直接
                       
                     | 
                                                                          
                     
                                                  Paralleling Support?
                                                No
                       
                     | 
                                                              ||
| 
                     
                                                  Data Sheet
                                                
    
      View Data Sheet
      
    
                       
                     | 
                                                                          
                     
                                                  IGBT Voltage Class
                                                1200 V
                       
                     | 
                                                                          
                     
                                                  Max Switching Frequency
                                                12.5 kHz
                       
                     | 
                                                                          
                     
                                                  Power - Output/Channel (Max)
                                                2.6 W
                       
                     | 
                                                                          
                     
                                                  Voltage - DC Link Off state (60s)
                                                950 V
                       
                     | 
                                                                          
                     | 
                                                                          
                     
                                                  Supported Module Type
                                                IGBT
                       
                     | 
                                                                          
                     
                                                  Supported Module(s)
                                                FZ1200R12HP4
                       
                     | 
                                                                          
                     
                                                  IGBT Manufacturer
                                                Infineon
                       
                     | 
                                                                          
                     
                                                  Conformal Coated?
                                                No
                       
                     | 
                                                                          
                     
                                                  Number of Channels
                                                1
                       
                     | 
                                                                          
                     
                                                  Main/Peripheral
                                                外圍
                       
                     | 
                                                                          
                     
                                                  Logic Input Voltage
                                                15
                       
                     | 
                                                                          
                     
                                                  Protection Features
                                                動態高級有源鉗位, 過壓, 欠壓(次級側)
                       
                     | 
                                                                          
                     
                                                  Technology
                                                SCALE-2
                       
                     | 
                                                                          
                     
                                                  Supported Topologies
                                                兩電平電壓源, 三電平NP鉗位 - 類型1, 三電平NP鉗位 - 類型2, 多電平NP鉗位
                       
                     | 
                                                                          
                     
                                                  Interface Type		
                                                電氣
                       
                     | 
                                                                          
                     
                                                  Gate Turn-on Voltage
                                                +15.0 V
                       
                     | 
                                                                          
                     
                                                  Gate Turn-off Voltage
                                                --10.1 V
                       
                     | 
                                                                          
                     
                                                  Gate Peak Current (Max)
                                                +35 A
                       
                     | 
                                                                          
                     | 
                                                                          
                     
                                                  Time - Output Fall
                                                30 ns
                       
                     | 
                                                                          
                     
                                                  Time - Output Rise
                                                9 ns
                       
                     | 
                                                                          
                     
                                                  Driving Mode
                                                直接獨立
                       
                     | 
                                                                          
                     
                                                  Temperature - Operating (Min)
                                                -40 ℃
                       
                     | 
                                                                          
                     
                                                  Temperature - Operating (Max)
                                                85 ℃
                       
                     | 
                                                                          
                     
                                                  Temperature - Storage (Min)
                                                -40 ℃
                       
                     | 
                                                                          
                     
                                                  Temperature - Storage (Max)
                                                50 ℃
                       
                     | 
                                                                          
                     
                                                  Connection Type to IGBT
                                                直接
                       
                     | 
                                                                          
                     
                                                  Paralleling Support?
                                                No
                       
                     | 
                                                              ||
| 
                     
                                                  Data Sheet
                                                
    
      View Data Sheet
      
    
                       
                     | 
                                                                          
                     
                                                  IGBT Voltage Class
                                                3300 V
                       
                     | 
                                                                          
                     
                                                  Max Switching Frequency
                                                3.4 kHz
                       
                     | 
                                                                          
                     
                                                  Power - Output/Channel (Max)
                                                2.6 W
                       
                     | 
                                                                          
                     
                                                  Voltage - DC Link Off state (60s)
                                                2700 V
                       
                     | 
                                                                          
                     | 
                                                                          
                     
                                                  Supported Module Type
                                                IGBT
                       
                     | 
                                                                          
                     
                                                  Supported Module(s)
                                                FZ1200R33HE3
                       
                     | 
                                                                          
                     
                                                  IGBT Manufacturer
                                                Infineon
                       
                     | 
                                                                          
                     
                                                  Conformal Coated?
                                                No
                       
                     | 
                                                                          
                     
                                                  Number of Channels
                                                1
                       
                     | 
                                                                          
                     
                                                  Main/Peripheral
                                                外圍
                       
                     | 
                                                                          
                     
                                                  Logic Input Voltage
                                                15
                       
                     | 
                                                                          
                     
                                                  Protection Features
                                                動態高級有源鉗位, 過壓, 欠壓(次級側)
                       
                     | 
                                                                          
                     
                                                  Technology
                                                SCALE-2
                       
                     | 
                                                                          
                     
                                                  Supported Topologies
                                                兩電平電壓源, 三電平NP鉗位 - 類型1, 三電平NP鉗位 - 類型2, 多電平NP鉗位
                       
                     | 
                                                                          
                     
                                                  Interface Type		
                                                電氣
                       
                     | 
                                                                          
                     
                                                  Gate Turn-on Voltage
                                                +15.0 V
                       
                     | 
                                                                          
                     
                                                  Gate Turn-off Voltage
                                                --10.1 V
                       
                     | 
                                                                          
                     
                                                  Gate Peak Current (Max)
                                                +35 A
                       
                     | 
                                                                          
                     | 
                                                                          
                     
                                                  Time - Output Fall
                                                30 ns
                       
                     | 
                                                                          
                     
                                                  Time - Output Rise
                                                9 ns
                       
                     | 
                                                                          
                     
                                                  Driving Mode
                                                直接獨立
                       
                     | 
                                                                          
                     
                                                  Temperature - Operating (Min)
                                                -40 ℃
                       
                     | 
                                                                          
                     
                                                  Temperature - Operating (Max)
                                                85 ℃
                       
                     | 
                                                                          
                     
                                                  Temperature - Storage (Min)
                                                -40 ℃
                       
                     | 
                                                                          
                     
                                                  Temperature - Storage (Max)
                                                50 ℃
                       
                     | 
                                                                          
                     
                                                  Connection Type to IGBT
                                                直接
                       
                     | 
                                                                          
                     
                                                  Paralleling Support?
                                                No
                       
                     | 
                                                              ||
| 
                     
                                                  Data Sheet
                                                
    
      View Data Sheet
      
    
                       
                     | 
                                                                          
                     
                                                  IGBT Voltage Class
                                                3300 V
                       
                     | 
                                                                          
                     
                                                  Max Switching Frequency
                                                4.5 kHz
                       
                     | 
                                                                          
                     
                                                  Power - Output/Channel (Max)
                                                2.6 W
                       
                     | 
                                                                          
                     
                                                  Voltage - DC Link Off state (60s)
                                                2700 V
                       
                     | 
                                                                          
                     | 
                                                                          
                     
                                                  Supported Module Type
                                                IGBT
                       
                     | 
                                                                          
                     
                                                  Supported Module(s)
                                                FZ1200R33KF2C
                       
                     | 
                                                                          
                     
                                                  IGBT Manufacturer
                                                Infineon
                       
                     | 
                                                                          
                     
                                                  Conformal Coated?
                                                No
                       
                     | 
                                                                          
                     
                                                  Number of Channels
                                                1
                       
                     | 
                                                                          
                     
                                                  Main/Peripheral
                                                外圍
                       
                     | 
                                                                          
                     
                                                  Logic Input Voltage
                                                15
                       
                     | 
                                                                          
                     
                                                  Protection Features
                                                動態高級有源鉗位, 過壓, 欠壓(次級側)
                       
                     | 
                                                                          
                     
                                                  Technology
                                                SCALE-2
                       
                     | 
                                                                          
                     
                                                  Supported Topologies
                                                兩電平電壓源, 三電平NP鉗位 - 類型1, 三電平NP鉗位 - 類型2, 多電平NP鉗位
                       
                     | 
                                                                          
                     
                                                  Interface Type		
                                                電氣
                       
                     | 
                                                                          
                     
                                                  Gate Turn-on Voltage
                                                +15.0 V
                       
                     | 
                                                                          
                     
                                                  Gate Turn-off Voltage
                                                --10.1 V
                       
                     | 
                                                                          
                     
                                                  Gate Peak Current (Max)
                                                +35 A
                       
                     | 
                                                                          
                     | 
                                                                          
                     
                                                  Time - Output Fall
                                                30 ns
                       
                     | 
                                                                          
                     
                                                  Time - Output Rise
                                                9 ns
                       
                     | 
                                                                          
                     
                                                  Driving Mode
                                                直接獨立
                       
                     | 
                                                                          
                     
                                                  Temperature - Operating (Min)
                                                -40 ℃
                       
                     | 
                                                                          
                     
                                                  Temperature - Operating (Max)
                                                85 ℃
                       
                     | 
                                                                          
                     
                                                  Temperature - Storage (Min)
                                                -40 ℃
                       
                     | 
                                                                          
                     
                                                  Temperature - Storage (Max)
                                                50 ℃
                       
                     | 
                                                                          
                     
                                                  Connection Type to IGBT
                                                直接
                       
                     | 
                                                                          
                     
                                                  Paralleling Support?
                                                No
                       
                     | 
                                                              ||
| 
                     
                                                  Data Sheet
                                                
    
      View Data Sheet
      
    
                       
                     | 
                                                                          
                     
                                                  IGBT Voltage Class
                                                3300 V
                       
                     | 
                                                                          
                     
                                                  Max Switching Frequency
                                                4.5 kHz
                       
                     | 
                                                                          
                     
                                                  Power - Output/Channel (Max)
                                                2.6 W
                       
                     | 
                                                                          
                     
                                                  Voltage - DC Link Off state (60s)
                                                2700 V
                       
                     | 
                                                                          
                     | 
                                                                          
                     
                                                  Supported Module Type
                                                IGBT
                       
                     | 
                                                                          
                     
                                                  Supported Module(s)
                                                FZ1400R33HE4
                       
                     | 
                                                                          
                     
                                                  IGBT Manufacturer
                                                Infineon
                       
                     | 
                                                                          
                     
                                                  Conformal Coated?
                                                No
                       
                     | 
                                                                          
                     
                                                  Number of Channels
                                                1
                       
                     | 
                                                                          
                     
                                                  Main/Peripheral
                                                外圍
                       
                     | 
                                                                          
                     
                                                  Logic Input Voltage
                                                15
                       
                     | 
                                                                          
                     
                                                  Protection Features
                                                動態高級有源鉗位, 過壓, 欠壓(次級側)
                       
                     | 
                                                                          
                     
                                                  Technology
                                                SCALE-2
                       
                     | 
                                                                          
                     
                                                  Supported Topologies
                                                兩電平電壓源, 三電平NP鉗位 - 類型1, 三電平NP鉗位 - 類型2, 多電平NP鉗位
                       
                     | 
                                                                          
                     
                                                  Interface Type		
                                                電氣
                       
                     | 
                                                                          
                     
                                                  Gate Turn-on Voltage
                                                +15.0 V
                       
                     | 
                                                                          
                     
                                                  Gate Turn-off Voltage
                                                --10.1 V
                       
                     | 
                                                                          
                     
                                                  Gate Peak Current (Max)
                                                +35 A
                       
                     | 
                                                                          
                     | 
                                                                          
                     
                                                  Time - Output Fall
                                                30 ns
                       
                     | 
                                                                          
                     
                                                  Time - Output Rise
                                                9 ns
                       
                     | 
                                                                          
                     
                                                  Driving Mode
                                                直接獨立
                       
                     | 
                                                                          
                     
                                                  Temperature - Operating (Min)
                                                -40 ℃
                       
                     | 
                                                                          
                     
                                                  Temperature - Operating (Max)
                                                85 ℃
                       
                     | 
                                                                          
                     
                                                  Temperature - Storage (Min)
                                                -40 ℃
                       
                     | 
                                                                          
                     
                                                  Temperature - Storage (Max)
                                                50 ℃
                       
                     | 
                                                                          
                     
                                                  Connection Type to IGBT
                                                直接
                       
                     | 
                                                                          
                     
                                                  Paralleling Support?
                                                No
                       
                     | 
                                                              ||
| 
                     
                                                  Data Sheet
                                                
    
      View Data Sheet
      
    
                       
                     | 
                                                                          
                     
                                                  IGBT Voltage Class
                                                3300 V
                       
                     | 
                                                                          
                     
                                                  Max Switching Frequency
                                                2.5 kHz
                       
                     | 
                                                                          
                     
                                                  Power - Output/Channel (Max)
                                                2.6 W
                       
                     | 
                                                                          
                     
                                                  Voltage - DC Link Off state (60s)
                                                2700 V
                       
                     | 
                                                                          
                     | 
                                                                          
                     
                                                  Supported Module Type
                                                IGBT
                       
                     | 
                                                                          
                     
                                                  Supported Module(s)
                                                FZ1500R33HE3
                       
                     | 
                                                                          
                     
                                                  IGBT Manufacturer
                                                Infineon
                       
                     | 
                                                                          
                     
                                                  Conformal Coated?
                                                No
                       
                     | 
                                                                          
                     
                                                  Number of Channels
                                                1
                       
                     | 
                                                                          
                     
                                                  Main/Peripheral
                                                外圍
                       
                     | 
                                                                          
                     
                                                  Logic Input Voltage
                                                15
                       
                     | 
                                                                          
                     
                                                  Protection Features
                                                動態高級有源鉗位, 過壓, 欠壓(次級側)
                       
                     | 
                                                                          
                     
                                                  Technology
                                                SCALE-2
                       
                     | 
                                                                          
                     
                                                  Supported Topologies
                                                兩電平電壓源, 三電平NP鉗位 - 類型1, 三電平NP鉗位 - 類型2, 多電平NP鉗位
                       
                     | 
                                                                          
                     
                                                  Interface Type		
                                                電氣
                       
                     | 
                                                                          
                     
                                                  Gate Turn-on Voltage
                                                +15.0 V
                       
                     | 
                                                                          
                     
                                                  Gate Turn-off Voltage
                                                --10.1 V
                       
                     | 
                                                                          
                     
                                                  Gate Peak Current (Max)
                                                +35 A
                       
                     | 
                                                                          
                     | 
                                                                          
                     
                                                  Time - Output Fall
                                                30 ns
                       
                     | 
                                                                          
                     
                                                  Time - Output Rise
                                                9 ns
                       
                     | 
                                                                          
                     
                                                  Driving Mode
                                                直接獨立
                       
                     | 
                                                                          
                     
                                                  Temperature - Operating (Min)
                                                -40 ℃
                       
                     | 
                                                                          
                     
                                                  Temperature - Operating (Max)
                                                85 ℃
                       
                     | 
                                                                          
                     
                                                  Temperature - Storage (Min)
                                                -40 ℃
                       
                     | 
                                                                          
                     
                                                  Temperature - Storage (Max)
                                                50 ℃
                       
                     | 
                                                                          
                     
                                                  Connection Type to IGBT
                                                直接
                       
                     | 
                                                                          
                     
                                                  Paralleling Support?
                                                No
                       
                     | 
                                                              ||
| 
                     
                                                  Data Sheet
                                                
    
      View Data Sheet
      
    
                       
                     | 
                                                                          
                     
                                                  IGBT Voltage Class
                                                3300 V
                       
                     | 
                                                                          
                     
                                                  Max Switching Frequency
                                                2.5 kHz
                       
                     | 
                                                                          
                     
                                                  Power - Output/Channel (Max)
                                                2.6 W
                       
                     | 
                                                                          
                     
                                                  Voltage - DC Link Off state (60s)
                                                2700 V
                       
                     | 
                                                                          
                     | 
                                                                          
                     
                                                  Supported Module Type
                                                IGBT
                       
                     | 
                                                                          
                     
                                                  Supported Module(s)
                                                FZ1500R33HL3
                       
                     | 
                                                                          
                     
                                                  IGBT Manufacturer
                                                Infineon
                       
                     | 
                                                                          
                     
                                                  Conformal Coated?
                                                No
                       
                     | 
                                                                          
                     
                                                  Number of Channels
                                                1
                       
                     | 
                                                                          
                     
                                                  Main/Peripheral
                                                外圍
                       
                     | 
                                                                          
                     
                                                  Logic Input Voltage
                                                15
                       
                     | 
                                                                          
                     
                                                  Protection Features
                                                動態高級有源鉗位, 過壓, 欠壓(次級側)
                       
                     | 
                                                                          
                     
                                                  Technology
                                                SCALE-2
                       
                     | 
                                                                          
                     
                                                  Supported Topologies
                                                兩電平電壓源, 三電平NP鉗位 - 類型1, 三電平NP鉗位 - 類型2, 多電平NP鉗位
                       
                     | 
                                                                          
                     
                                                  Interface Type		
                                                電氣
                       
                     | 
                                                                          
                     
                                                  Gate Turn-on Voltage
                                                +15.0 V
                       
                     | 
                                                                          
                     
                                                  Gate Turn-off Voltage
                                                --10.1 V
                       
                     | 
                                                                          
                     
                                                  Gate Peak Current (Max)
                                                +35 A
                       
                     | 
                                                                          
                     | 
                                                                          
                     
                                                  Time - Output Fall
                                                30 ns
                       
                     | 
                                                                          
                     
                                                  Time - Output Rise
                                                9 ns
                       
                     | 
                                                                          
                     
                                                  Driving Mode
                                                直接獨立
                       
                     | 
                                                                          
                     
                                                  Temperature - Operating (Min)
                                                -40 ℃
                       
                     | 
                                                                          
                     
                                                  Temperature - Operating (Max)
                                                85 ℃
                       
                     | 
                                                                          
                     
                                                  Temperature - Storage (Min)
                                                -40 ℃
                       
                     | 
                                                                          
                     
                                                  Temperature - Storage (Max)
                                                50 ℃
                       
                     | 
                                                                          
                     
                                                  Connection Type to IGBT
                                                直接
                       
                     | 
                                                                          
                     
                                                  Paralleling Support?
                                                No
                       
                     | 
                                                              ||
| 
                     
                                                  Data Sheet
                                                
    
      View Data Sheet
      
    
                       
                     | 
                                                                          
                     
                                                  IGBT Voltage Class
                                                1700 V
                       
                     | 
                                                                          
                     
                                                  Max Switching Frequency
                                                7.0 kHz
                       
                     | 
                                                                          
                     
                                                  Power - Output/Channel (Max)
                                                2.6 W
                       
                     | 
                                                                          
                     
                                                  Voltage - DC Link Off state (60s)
                                                1480 V
                       
                     | 
                                                                          
                     | 
                                                                          
                     
                                                  Supported Module Type
                                                IGBT
                       
                     | 
                                                                          
                     
                                                  Supported Module(s)
                                                FZ1600R17HP4_B2
                       
                     | 
                                                                          
                     
                                                  IGBT Manufacturer
                                                Infineon
                       
                     | 
                                                                          
                     
                                                  Conformal Coated?
                                                No
                       
                     | 
                                                                          
                     
                                                  Number of Channels
                                                1
                       
                     | 
                                                                          
                     
                                                  Main/Peripheral
                                                外圍
                       
                     | 
                                                                          
                     
                                                  Logic Input Voltage
                                                15
                       
                     | 
                                                                          
                     
                                                  Protection Features
                                                動態高級有源鉗位, 過壓, 欠壓(次級側)
                       
                     | 
                                                                          
                     
                                                  Technology
                                                SCALE-2
                       
                     | 
                                                                          
                     
                                                  Supported Topologies
                                                兩電平電壓源, 三電平NP鉗位 - 類型1, 三電平NP鉗位 - 類型2, 多電平NP鉗位
                       
                     | 
                                                                          
                     
                                                  Interface Type		
                                                電氣
                       
                     | 
                                                                          
                     
                                                  Gate Turn-on Voltage
                                                +15.0 V
                       
                     | 
                                                                          
                     
                                                  Gate Turn-off Voltage
                                                --10.1 V
                       
                     | 
                                                                          
                     
                                                  Gate Peak Current (Max)
                                                +35 A
                       
                     | 
                                                                          
                     | 
                                                                          
                     
                                                  Time - Output Fall
                                                30 ns
                       
                     | 
                                                                          
                     
                                                  Time - Output Rise
                                                9 ns
                       
                     | 
                                                                          
                     
                                                  Driving Mode
                                                直接獨立
                       
                     | 
                                                                          
                     
                                                  Temperature - Operating (Min)
                                                -40 ℃
                       
                     | 
                                                                          
                     
                                                  Temperature - Operating (Max)
                                                85 ℃
                       
                     | 
                                                                          
                     
                                                  Temperature - Storage (Min)
                                                -40 ℃
                       
                     | 
                                                                          
                     
                                                  Temperature - Storage (Max)
                                                50 ℃
                       
                     | 
                                                                          
                     
                                                  Connection Type to IGBT
                                                直接
                       
                     | 
                                                                          
                     
                                                  Paralleling Support?
                                                No
                       
                     | 
                                                              ||
| 
                     
                                                  Data Sheet
                                                
    
      View Data Sheet
      
    
                       
                     | 
                                                                          
                     
                                                  IGBT Voltage Class
                                                1700 V
                       
                     | 
                                                                          
                     
                                                  Max Switching Frequency
                                                6.5 kHz
                       
                     | 
                                                                          
                     
                                                  Power - Output/Channel (Max)
                                                2.6 W
                       
                     | 
                                                                          
                     
                                                  Voltage - DC Link Off state (60s)
                                                1480 V
                       
                     | 
                                                                          
                     | 
                                                                          
                     
                                                  Supported Module Type
                                                IGBT
                       
                     | 
                                                                          
                     
                                                  Supported Module(s)
                                                FZ1800R17HP4_B29
                       
                     | 
                                                                          
                     
                                                  IGBT Manufacturer
                                                Infineon
                       
                     | 
                                                                          
                     
                                                  Conformal Coated?
                                                No
                       
                     | 
                                                                          
                     
                                                  Number of Channels
                                                1
                       
                     | 
                                                                          
                     
                                                  Main/Peripheral
                                                外圍
                       
                     | 
                                                                          
                     
                                                  Logic Input Voltage
                                                15
                       
                     | 
                                                                          
                     
                                                  Protection Features
                                                動態高級有源鉗位, 過壓, 欠壓(次級側)
                       
                     | 
                                                                          
                     
                                                  Technology
                                                SCALE-2
                       
                     | 
                                                                          
                     
                                                  Supported Topologies
                                                兩電平電壓源, 三電平NP鉗位 - 類型1, 三電平NP鉗位 - 類型2, 多電平NP鉗位
                       
                     | 
                                                                          
                     
                                                  Interface Type		
                                                電氣
                       
                     | 
                                                                          
                     
                                                  Gate Turn-on Voltage
                                                +15.0 V
                       
                     | 
                                                                          
                     
                                                  Gate Turn-off Voltage
                                                --10.1 V
                       
                     | 
                                                                          
                     
                                                  Gate Peak Current (Max)
                                                +35 A
                       
                     | 
                                                                          
                     | 
                                                                          
                     
                                                  Time - Output Fall
                                                30 ns
                       
                     | 
                                                                          
                     
                                                  Time - Output Rise
                                                9 ns
                       
                     | 
                                                                          
                     
                                                  Driving Mode
                                                直接獨立
                       
                     | 
                                                                          
                     
                                                  Temperature - Operating (Min)
                                                -40 ℃
                       
                     | 
                                                                          
                     
                                                  Temperature - Operating (Max)
                                                85 ℃
                       
                     | 
                                                                          
                     
                                                  Temperature - Storage (Min)
                                                -40 ℃
                       
                     | 
                                                                          
                     
                                                  Temperature - Storage (Max)
                                                50 ℃
                       
                     | 
                                                                          
                     
                                                  Connection Type to IGBT
                                                直接
                       
                     | 
                                                                          
                     
                                                  Paralleling Support?
                                                No
                       
                     | 
                                                              ||
| 
                     
                                                  Data Sheet
                                                
    
      View Data Sheet
      
    
                       
                     | 
                                                                          
                     
                                                  IGBT Voltage Class
                                                3300 V
                       
                     | 
                                                                          
                     
                                                  Max Switching Frequency
                                                2.9 kHz
                       
                     | 
                                                                          
                     
                                                  Power - Output/Channel (Max)
                                                2.6 W
                       
                     | 
                                                                          
                     
                                                  Voltage - DC Link Off state (60s)
                                                2700 V
                       
                     | 
                                                                          
                     | 
                                                                          
                     
                                                  Supported Module Type
                                                IGBT
                       
                     | 
                                                                          
                     
                                                  Supported Module(s)
                                                FZ2000R33HE4
                       
                     | 
                                                                          
                     
                                                  IGBT Manufacturer
                                                Infineon
                       
                     | 
                                                                          
                     
                                                  Conformal Coated?
                                                No
                       
                     | 
                                                                          
                     
                                                  Number of Channels
                                                1
                       
                     | 
                                                                          
                     
                                                  Main/Peripheral
                                                外圍
                       
                     | 
                                                                          
                     
                                                  Logic Input Voltage
                                                15
                       
                     | 
                                                                          
                     
                                                  Protection Features
                                                動態高級有源鉗位, 過壓, 欠壓(次級側)
                       
                     | 
                                                                          
                     
                                                  Technology
                                                SCALE-2
                       
                     | 
                                                                          
                     
                                                  Supported Topologies
                                                兩電平電壓源, 三電平NP鉗位 - 類型1, 三電平NP鉗位 - 類型2, 多電平NP鉗位
                       
                     | 
                                                                          
                     
                                                  Interface Type		
                                                電氣
                       
                     | 
                                                                          
                     
                                                  Gate Turn-on Voltage
                                                +15.0 V
                       
                     | 
                                                                          
                     
                                                  Gate Turn-off Voltage
                                                --10.1 V
                       
                     | 
                                                                          
                     
                                                  Gate Peak Current (Max)
                                                +35 A
                       
                     | 
                                                                          
                     | 
                                                                          
                     
                                                  Time - Output Fall
                                                30 ns
                       
                     | 
                                                                          
                     
                                                  Time - Output Rise
                                                9 ns
                       
                     | 
                                                                          
                     
                                                  Driving Mode
                                                直接獨立
                       
                     | 
                                                                          
                     
                                                  Temperature - Operating (Min)
                                                -40 ℃
                       
                     | 
                                                                          
                     
                                                  Temperature - Operating (Max)
                                                85 ℃
                       
                     | 
                                                                          
                     
                                                  Temperature - Storage (Min)
                                                -40 ℃
                       
                     | 
                                                                          
                     
                                                  Temperature - Storage (Max)
                                                50 ℃
                       
                     | 
                                                                          
                     
                                                  Connection Type to IGBT
                                                直接
                       
                     | 
                                                                          
                     
                                                  Paralleling Support?
                                                No
                       
                     | 
                                                              ||
| 
                     
                                                  Data Sheet
                                                
    
      View Data Sheet
      
    
                       
                     | 
                                                                          
                     
                                                  IGBT Voltage Class
                                                1200 V
                       
                     | 
                                                                          
                     
                                                  Max Switching Frequency
                                                6.5 kHz
                       
                     | 
                                                                          
                     
                                                  Power - Output/Channel (Max)
                                                2.6 W
                       
                     | 
                                                                          
                     
                                                  Voltage - DC Link Off state (60s)
                                                950 V
                       
                     | 
                                                                          
                     | 
                                                                          
                     
                                                  Supported Module Type
                                                IGBT
                       
                     | 
                                                                          
                     
                                                  Supported Module(s)
                                                FZ2400R12HP4
                       
                     | 
                                                                          
                     
                                                  IGBT Manufacturer
                                                Infineon
                       
                     | 
                                                                          
                     
                                                  Conformal Coated?
                                                No
                       
                     | 
                                                                          
                     
                                                  Number of Channels
                                                1
                       
                     | 
                                                                          
                     
                                                  Main/Peripheral
                                                外圍
                       
                     | 
                                                                          
                     
                                                  Logic Input Voltage
                                                15
                       
                     | 
                                                                          
                     
                                                  Protection Features
                                                動態高級有源鉗位, 過壓, 欠壓(次級側)
                       
                     | 
                                                                          
                     
                                                  Technology
                                                SCALE-2
                       
                     | 
                                                                          
                     
                                                  Supported Topologies
                                                兩電平電壓源, 三電平NP鉗位 - 類型1, 三電平NP鉗位 - 類型2, 多電平NP鉗位
                       
                     | 
                                                                          
                     
                                                  Interface Type		
                                                電氣
                       
                     | 
                                                                          
                     
                                                  Gate Turn-on Voltage
                                                +15.0 V
                       
                     | 
                                                                          
                     
                                                  Gate Turn-off Voltage
                                                --10.1 V
                       
                     | 
                                                                          
                     
                                                  Gate Peak Current (Max)
                                                +35 A
                       
                     | 
                                                                          
                     | 
                                                                          
                     
                                                  Time - Output Fall
                                                30 ns
                       
                     | 
                                                                          
                     
                                                  Time - Output Rise
                                                9 ns
                       
                     | 
                                                                          
                     
                                                  Driving Mode
                                                直接獨立
                       
                     | 
                                                                          
                     
                                                  Temperature - Operating (Min)
                                                -40 ℃
                       
                     | 
                                                                          
                     
                                                  Temperature - Operating (Max)
                                                85 ℃
                       
                     | 
                                                                          
                     
                                                  Temperature - Storage (Min)
                                                -40 ℃
                       
                     | 
                                                                          
                     
                                                  Temperature - Storage (Max)
                                                50 ℃
                       
                     | 
                                                                          
                     
                                                  Connection Type to IGBT
                                                直接
                       
                     | 
                                                                          
                     
                                                  Paralleling Support?
                                                No
                       
                     | 
                                                              
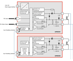
1SP0635 SCALE-2 Plug-and-Play drivers safely and reliably drive 130 x 140 mm and 190 x 140 mm high-voltage and high-power IGBT modules ranging from 1200 V to 3300 V. They are optimised for use in high-reliability applications in the rail industry.
The drivers operate in a master/slave configuraion that allows the safe operation of parallel-connected IGBT modules. The master (1SP0635V or 1SP0635S) can be used as a stand-alone driver without slave to drive a single IGBT module or it can be used with up to three slaves (1SP0635D) to drive up to four parallel-connected IGBT modules.
The master drive is equipped with a fiber-optic interface and global fault management. In master/slave configurations, the slaves are connected to the master by a bus cable which distributes the common command signal and the secondary-side supply voltages from the DC/DC converter.
1SP0635 drivers are based on Power Integrations' highly-integrated SCALE-2 chipset. Therefore the single-channel drivers are high-performance, complete and extremely compact. The SCALE-2 chipset also reduces the component count by up to 80% compared to conventional solutions, thus significantly increasing reliability and reducing costs.
The drivers are equipped with Dynamic Advanced Active Clamping (DA2C), short-circuit protection, built-in DC/DC converters, regulated turn-on gate driving voltage and supply-voltage monitoring.
Perfectly-matched drivers are available for all mechanically-compatible IGBT modules. Plug-and-play configuration allows immediate operation after mounting, so the user needs to invest no time and effort in designing or adjusting the driver for a specific application.
Fiber-Optic Interface Options
Fiber-optic links are used to provide electrical insulation for the command and status-feedback signals. Two versions of fiber-optic interfaces are available: 
For details, please check the product documentation.
Reliable and safe operation of parallel connected high-voltage and high-power IGBT modules.
