InnoSwitch3-CP
離線式 CV/CC QR 返馳式切換開關 IC 具有整合式一次側開關、同步整流、FluxLink 回授與恆功率配置
              應用            
            
      | 
                產品
                
               | 
                產品
                
               | 
                      產品規格型錄
                      
                     | 
                      輸出功率 (最大) - 封閉式, 230V
                      
                     | 
                      輸出功率 (最大) - 敞開式, 230V
                      
                     | 
                      PowiGaN?
                      
                     | 
                      擊穿電壓
                      
                     | 
                      電纜壓降補償
                      
                     | 
                      輸出功率 (最大) - 封閉式, 通用
                      
                     | 
                      輸出功率 (最大) - 敞開式, 通用
                      
                     | 
                      自動重啟閾值 
                      
                     | 
                      過熱反應
                      
                     | 
                      輸出配置
                      
                     | 
                      自動重啟和過壓反應
                      
                     | 
                      次級回應
                      
                     | 
                      控制方式
                      
                     | 
                      輸出電壓 (最小)
                      
                     | 
                      產品類別
                      
                     | 
                      輸入電壓 (最大)
                      
                     | 
                      輸入電壓 (最小)
                      
                     | 
                      運作溫度 (最大)
                      
                     | 
                      運作溫度 (最小)
                      
                     | 
                      保護功能
                      
                     | 
                      內部開關
                      
                     | 
                      IC封裝
                      
                     | 
                      輸出電壓  (最大)
                      
                     | 
                      開關頻率 (最大)
                      
                     | 
                      開關頻率 (最小)
                      
                     | 
                      拓撲結構
                      
                     | 
                      MSL等級
                      
                     | 
|---|---|---|---|---|---|---|---|---|---|---|---|---|---|---|---|---|---|---|---|---|---|---|---|---|---|---|---|---|---|
| 
                                                  Data Sheet
                                                
    
      View Data Sheet
      
    
                       | 
                                                  Output Power (Max) - Enclosed, 230V
                                                20.0 W
                       | 
                                                  Output Power (Max) - Open Frame, 230V
                                                25.0 W
                       |  | 
                                                  Breakdown Voltage
                                                650 V
                       | 
                                                  Cable Drop Compensation
                                                0 mV
                       | 
                                                  Output Power (Max) - Enclosed, Univ
                                                15.0 W
                       | 
                                                  Output Power (Max) - Open Frame, Univ
                                                20.0 W
                       | 
                                                  Auto-Restart Threshold
                                                3.45 V
                       | 
                                                  Over-Temperature Response
                                                滯回
                       | 
                                                  Output Profile
                                                CV/CC
                       | 
                                                  Auto-Restart & Overvoltage Response
                                                自動重啟
                       | 
                                                  Secondary Response
                                                自動重啟
                       | 
                                                  Control Scheme
                                                Fluxlink
                       | 
                                                  Voltage - Output (Min)
                                                5 V
                       | 
                                                  Product Type
                                                IC
                       | 
                                                  Voltage - Input (Max)
                                                265 V
                       | 
                                                  Voltage - Input (Min)
                                                85 V
                       | 
                                                  Temperature - Operating (Max)
                                                150 °C
                       | 
                                                  Temperature - Operating (Min)
                                                -40 °C
                       | 
                                                  Protection Features
                                                輸入過壓, 輸入欠壓, 開路同步整流FET檢測, 輸出過載, 輸出過壓, 輸出短路, 過溫
                       | 
                                                  Internal Switch
                                                Yes
                       | 
                                                  IC Package
                                                InSOP-24D
                       | 
                                                  Voltage - Output (Max)
                                                24 V
                       | 
                                                  Switching Frequency (max)
                                                95 kHz
                       | 
                                                  Switching Frequency (min)
                                                25 kHz
                       | 
                                                  Topology
                                                返馳式
                       | 
                                                  MSL Rating
                                                15
                       | ||
| 
                                                  Data Sheet
                                                
    
      View Data Sheet
      
    
                       | 
                                                  Output Power (Max) - Enclosed, 230V
                                                20.0 W
                       | 
                                                  Output Power (Max) - Open Frame, 230V
                                                25.0 W
                       |  | 
                                                  Breakdown Voltage
                                                650 V
                       | 
                                                  Cable Drop Compensation
                                                300 mV
                       | 
                                                  Output Power (Max) - Enclosed, Univ
                                                15.0 W
                       | 
                                                  Output Power (Max) - Open Frame, Univ
                                                20.0 W
                       | 
                                                  Auto-Restart Threshold
                                                3.45 V
                       | 
                                                  Over-Temperature Response
                                                滯回
                       | 
                                                  Output Profile
                                                CV/CC
                       | 
                                                  Auto-Restart & Overvoltage Response
                                                自動重啟
                       | 
                                                  Secondary Response
                                                自動重啟
                       | 
                                                  Control Scheme
                                                Fluxlink
                       | 
                                                  Voltage - Output (Min)
                                                5 V
                       | 
                                                  Product Type
                                                IC
                       | 
                                                  Voltage - Input (Max)
                                                265 V
                       | 
                                                  Voltage - Input (Min)
                                                85 V
                       | 
                                                  Temperature - Operating (Max)
                                                150 °C
                       | 
                                                  Temperature - Operating (Min)
                                                -40 °C
                       | 
                                                  Protection Features
                                                輸入過壓, 輸入欠壓, 開路同步整流FET檢測, 輸出過載, 輸出過壓, 輸出短路, 過溫
                       | 
                                                  Internal Switch
                                                Yes
                       | 
                                                  IC Package
                                                InSOP-24D
                       | 
                                                  Voltage - Output (Max)
                                                24 V
                       | 
                                                  Switching Frequency (max)
                                                95 kHz
                       | 
                                                  Switching Frequency (min)
                                                25 kHz
                       | 
                                                  Topology
                                                返馳式
                       | 
                                                  MSL Rating
                                                15
                       | ||
| 
                                                  Data Sheet
                                                
    
      View Data Sheet
      
    
                       | 
                                                  Output Power (Max) - Enclosed, 230V
                                                25.0 W
                       | 
                                                  Output Power (Max) - Open Frame, 230V
                                                30.0 W
                       |  | 
                                                  Breakdown Voltage
                                                650 V
                       | 
                                                  Cable Drop Compensation
                                                0 mV
                       | 
                                                  Output Power (Max) - Enclosed, Univ
                                                22.0 W
                       | 
                                                  Output Power (Max) - Open Frame, Univ
                                                25.0 W
                       | 
                                                  Auto-Restart Threshold
                                                3.45 V
                       | 
                                                  Over-Temperature Response
                                                滯回
                       | 
                                                  Output Profile
                                                CV/CC
                       | 
                                                  Auto-Restart & Overvoltage Response
                                                自動重啟
                       | 
                                                  Secondary Response
                                                自動重啟
                       | 
                                                  Control Scheme
                                                Fluxlink
                       | 
                                                  Voltage - Output (Min)
                                                5 V
                       | 
                                                  Product Type
                                                IC
                       | 
                                                  Voltage - Input (Max)
                                                265 V
                       | 
                                                  Voltage - Input (Min)
                                                85 V
                       | 
                                                  Temperature - Operating (Max)
                                                150 °C
                       | 
                                                  Temperature - Operating (Min)
                                                -40 °C
                       | 
                                                  Protection Features
                                                輸入過壓, 輸入欠壓, 開路同步整流FET檢測, 輸出過載, 輸出過壓, 輸出短路, 過溫
                       | 
                                                  Internal Switch
                                                Yes
                       | 
                                                  IC Package
                                                InSOP-24D
                       | 
                                                  Voltage - Output (Max)
                                                24 V
                       | 
                                                  Switching Frequency (max)
                                                95 kHz
                       | 
                                                  Switching Frequency (min)
                                                25 kHz
                       | 
                                                  Topology
                                                返馳式
                       | 
                                                  MSL Rating
                                                15
                       | ||
| 
                                                  Data Sheet
                                                
    
      View Data Sheet
      
    
                       | 
                                                  Output Power (Max) - Enclosed, 230V
                                                25.0 W
                       | 
                                                  Output Power (Max) - Open Frame, 230V
                                                30.0 W
                       |  | 
                                                  Breakdown Voltage
                                                650 V
                       | 
                                                  Cable Drop Compensation
                                                300 mV
                       | 
                                                  Output Power (Max) - Enclosed, Univ
                                                22.0 W
                       | 
                                                  Output Power (Max) - Open Frame, Univ
                                                25.0 W
                       | 
                                                  Auto-Restart Threshold
                                                3.45 V
                       | 
                                                  Over-Temperature Response
                                                滯回
                       | 
                                                  Output Profile
                                                CV/CC
                       | 
                                                  Auto-Restart & Overvoltage Response
                                                自動重啟
                       | 
                                                  Secondary Response
                                                自動重啟
                       | 
                                                  Control Scheme
                                                Fluxlink
                       | 
                                                  Voltage - Output (Min)
                                                5 V
                       | 
                                                  Product Type
                                                IC
                       | 
                                                  Voltage - Input (Max)
                                                265 V
                       | 
                                                  Voltage - Input (Min)
                                                85 V
                       | 
                                                  Temperature - Operating (Max)
                                                150 °C
                       | 
                                                  Temperature - Operating (Min)
                                                -40 °C
                       | 
                                                  Protection Features
                                                輸入過壓, 輸入欠壓, 開路同步整流FET檢測, 輸出過載, 輸出過壓, 輸出短路, 過溫
                       | 
                                                  Internal Switch
                                                Yes
                       | 
                                                  IC Package
                                                InSOP-24D
                       | 
                                                  Voltage - Output (Max)
                                                24 V
                       | 
                                                  Switching Frequency (max)
                                                95 kHz
                       | 
                                                  Switching Frequency (min)
                                                25 kHz
                       | 
                                                  Topology
                                                返馳式
                       | 
                                                  MSL Rating
                                                15
                       | ||
| 
                                                  Data Sheet
                                                
    
      View Data Sheet
      
    
                       | 
                                                  Output Power (Max) - Enclosed, 230V
                                                25.0 W
                       | 
                                                  Output Power (Max) - Open Frame, 230V
                                                30.0 W
                       |  | 
                                                  Breakdown Voltage
                                                650 V
                       | 
                                                  Cable Drop Compensation
                                                0 mV
                       | 
                                                  Output Power (Max) - Enclosed, Univ
                                                22.0 W
                       | 
                                                  Output Power (Max) - Open Frame, Univ
                                                25.0 W
                       | 
                                                  Auto-Restart Threshold
                                                55%
                       | 
                                                  Over-Temperature Response
                                                自動重啟
                       | 
                                                  Output Profile
                                                CP
                       | 
                                                  Auto-Restart & Overvoltage Response
                                                自動重啟
                       | 
                                                  Secondary Response
                                                自動重啟
                       | 
                                                  Control Scheme
                                                Fluxlink
                       | 
                                                  Voltage - Output (Min)
                                                5 V
                       | 
                                                  Product Type
                                                IC
                       | 
                                                  Voltage - Input (Max)
                                                265 V
                       | 
                                                  Voltage - Input (Min)
                                                85 V
                       | 
                                                  Temperature - Operating (Max)
                                                150 °C
                       | 
                                                  Temperature - Operating (Min)
                                                -40 °C
                       | 
                                                  Protection Features
                                                輸入過壓, 輸入欠壓, 開路同步整流FET檢測, 輸出過載, 輸出過壓, 輸出短路, 過溫
                       | 
                                                  Internal Switch
                                                Yes
                       | 
                                                  IC Package
                                                InSOP-24D
                       | 
                                                  Voltage - Output (Max)
                                                24 V
                       | 
                                                  Switching Frequency (max)
                                                95 kHz
                       | 
                                                  Switching Frequency (min)
                                                25 kHz
                       | 
                                                  Topology
                                                返馳式
                       | 
                                                  MSL Rating
                                                15
                       | ||
| 
                                                  Data Sheet
                                                
    
      View Data Sheet
      
    
                       | 
                                                  Output Power (Max) - Enclosed, 230V
                                                35.0 W
                       | 
                                                  Output Power (Max) - Open Frame, 230V
                                                40.0 W
                       |  | 
                                                  Breakdown Voltage
                                                650 V
                       | 
                                                  Cable Drop Compensation
                                                0 mV
                       | 
                                                  Output Power (Max) - Enclosed, Univ
                                                27.0 W
                       | 
                                                  Output Power (Max) - Open Frame, Univ
                                                36.0 W
                       | 
                                                  Auto-Restart Threshold
                                                3.45 V
                       | 
                                                  Over-Temperature Response
                                                滯回
                       | 
                                                  Output Profile
                                                CV/CC
                       | 
                                                  Auto-Restart & Overvoltage Response
                                                自動重啟
                       | 
                                                  Secondary Response
                                                自動重啟
                       | 
                                                  Control Scheme
                                                Fluxlink
                       | 
                                                  Voltage - Output (Min)
                                                5 V
                       | 
                                                  Product Type
                                                IC
                       | 
                                                  Voltage - Input (Max)
                                                265 V
                       | 
                                                  Voltage - Input (Min)
                                                85 V
                       | 
                                                  Temperature - Operating (Max)
                                                150 °C
                       | 
                                                  Temperature - Operating (Min)
                                                -40 °C
                       | 
                                                  Protection Features
                                                輸入過壓, 輸入欠壓, 開路同步整流FET檢測, 輸出過載, 輸出過壓, 輸出短路, 過溫
                       | 
                                                  Internal Switch
                                                Yes
                       | 
                                                  IC Package
                                                InSOP-24D
                       | 
                                                  Voltage - Output (Max)
                                                24 V
                       | 
                                                  Switching Frequency (max)
                                                95 kHz
                       | 
                                                  Switching Frequency (min)
                                                25 kHz
                       | 
                                                  Topology
                                                返馳式
                       | 
                                                  MSL Rating
                                                15
                       | ||
| 
                                                  Data Sheet
                                                
    
      View Data Sheet
      
    
                       | 
                                                  Output Power (Max) - Enclosed, 230V
                                                35.0 W
                       | 
                                                  Output Power (Max) - Open Frame, 230V
                                                40.0 W
                       |  | 
                                                  Breakdown Voltage
                                                650 V
                       | 
                                                  Cable Drop Compensation
                                                300 mV
                       | 
                                                  Output Power (Max) - Enclosed, Univ
                                                27.0 W
                       | 
                                                  Output Power (Max) - Open Frame, Univ
                                                36.0 W
                       | 
                                                  Auto-Restart Threshold
                                                3.45 V
                       | 
                                                  Over-Temperature Response
                                                滯回
                       | 
                                                  Output Profile
                                                CP
                       | 
                                                  Auto-Restart & Overvoltage Response
                                                自動重啟
                       | 
                                                  Secondary Response
                                                自動重啟
                       | 
                                                  Control Scheme
                                                Fluxlink
                       | 
                                                  Voltage - Output (Min)
                                                5 V
                       | 
                                                  Product Type
                                                IC
                       | 
                                                  Voltage - Input (Max)
                                                265 V
                       | 
                                                  Voltage - Input (Min)
                                                85 V
                       | 
                                                  Temperature - Operating (Max)
                                                150 °C
                       | 
                                                  Temperature - Operating (Min)
                                                -40 °C
                       | 
                                                  Protection Features
                                                輸入過壓, 輸入欠壓, 開路同步整流FET檢測, 輸出過載, 輸出過壓, 輸出短路, 過溫
                       | 
                                                  Internal Switch
                                                Yes
                       | 
                                                  IC Package
                                                InSOP-24D
                       | 
                                                  Voltage - Output (Max)
                                                24 V
                       | 
                                                  Switching Frequency (max)
                                                95 kHz
                       | 
                                                  Switching Frequency (min)
                                                25 kHz
                       | 
                                                  Topology
                                                返馳式
                       | 
                                                  MSL Rating
                                                15
                       | ||
| 
                                                  Data Sheet
                                                
    
      View Data Sheet
      
    
                       | 
                                                  Output Power (Max) - Enclosed, 230V
                                                35.0 W
                       | 
                                                  Output Power (Max) - Open Frame, 230V
                                                40.0 W
                       |  | 
                                                  Breakdown Voltage
                                                650 V
                       | 
                                                  Cable Drop Compensation
                                                0 mV
                       | 
                                                  Output Power (Max) - Enclosed, Univ
                                                27.0 W
                       | 
                                                  Output Power (Max) - Open Frame, Univ
                                                36.0 W
                       | 
                                                  Auto-Restart Threshold
                                                63%
                       | 
                                                  Over-Temperature Response
                                                鎖定關斷
                       | 
                                                  Output Profile
                                                CC
                       | 
                                                  Auto-Restart & Overvoltage Response
                                                鎖定關斷
                       | 
                                                  Secondary Response
                                                鎖定關斷
                       | 
                                                  Control Scheme
                                                Fluxlink
                       | 
                                                  Voltage - Output (Min)
                                                5 V
                       | 
                                                  Product Type
                                                IC
                       | 
                                                  Voltage - Input (Max)
                                                265 V
                       | 
                                                  Voltage - Input (Min)
                                                85 V
                       | 
                                                  Temperature - Operating (Max)
                                                150 °C
                       | 
                                                  Temperature - Operating (Min)
                                                -40 °C
                       | 
                                                  Protection Features
                                                輸入過壓, 輸入欠壓, 開路同步整流FET檢測, 輸出過載, 輸出過壓, 輸出短路, 過溫
                       | 
                                                  Internal Switch
                                                Yes
                       | 
                                                  IC Package
                                                InSOP-24D
                       | 
                                                  Voltage - Output (Max)
                                                24 V
                       | 
                                                  Switching Frequency (max)
                                                95 kHz
                       | 
                                                  Switching Frequency (min)
                                                25 kHz
                       | 
                                                  Topology
                                                返馳式
                       | 
                                                  MSL Rating
                                                15
                       | ||
| 
                                                  Data Sheet
                                                
    
      View Data Sheet
      
    
                       | 
                                                  Output Power (Max) - Enclosed, 230V
                                                35.0 W
                       | 
                                                  Output Power (Max) - Open Frame, 230V
                                                40.0 W
                       |  | 
                                                  Breakdown Voltage
                                                650 V
                       | 
                                                  Cable Drop Compensation
                                                0 mV
                       | 
                                                  Output Power (Max) - Enclosed, Univ
                                                27.0 W
                       | 
                                                  Output Power (Max) - Open Frame, Univ
                                                36.0 W
                       | 
                                                  Auto-Restart Threshold
                                                55%
                       | 
                                                  Over-Temperature Response
                                                自動重啟
                       | 
                                                  Output Profile
                                                CP
                       | 
                                                  Auto-Restart & Overvoltage Response
                                                自動重啟
                       | 
                                                  Secondary Response
                                                自動重啟
                       | 
                                                  Control Scheme
                                                Fluxlink
                       | 
                                                  Voltage - Output (Min)
                                                5 V
                       | 
                                                  Product Type
                                                IC
                       | 
                                                  Voltage - Input (Max)
                                                265 V
                       | 
                                                  Voltage - Input (Min)
                                                85 V
                       | 
                                                  Temperature - Operating (Max)
                                                150 °C
                       | 
                                                  Temperature - Operating (Min)
                                                -40 °C
                       | 
                                                  Protection Features
                                                輸入過壓, 輸入欠壓, 開路同步整流FET檢測, 輸出過載, 輸出過壓, 輸出短路, 過溫
                       | 
                                                  Internal Switch
                                                Yes
                       | 
                                                  IC Package
                                                InSOP-24D
                       | 
                                                  Voltage - Output (Max)
                                                24 V
                       | 
                                                  Switching Frequency (max)
                                                95 kHz
                       | 
                                                  Switching Frequency (min)
                                                25 kHz
                       | 
                                                  Topology
                                                返馳式
                       | 
                                                  MSL Rating
                                                15
                       | ||
| 
                                                  Data Sheet
                                                
    
      View Data Sheet
      
    
                       | 
                                                  Output Power (Max) - Enclosed, 230V
                                                45.0 W
                       | 
                                                  Output Power (Max) - Open Frame, 230V
                                                50.0 W
                       |  | 
                                                  Breakdown Voltage
                                                650 V
                       | 
                                                  Cable Drop Compensation
                                                0 mV
                       | 
                                                  Output Power (Max) - Enclosed, Univ
                                                40.0 W
                       | 
                                                  Output Power (Max) - Open Frame, Univ
                                                45.0 W
                       | 
                                                  Auto-Restart Threshold
                                                3.45 V
                       | 
                                                  Over-Temperature Response
                                                滯回
                       | 
                                                  Output Profile
                                                CP
                       | 
                                                  Auto-Restart & Overvoltage Response
                                                自動重啟
                       | 
                                                  Secondary Response
                                                自動重啟
                       | 
                                                  Control Scheme
                                                Fluxlink
                       | 
                                                  Voltage - Output (Min)
                                                5 V
                       | 
                                                  Product Type
                                                IC
                       | 
                                                  Voltage - Input (Max)
                                                265 V
                       | 
                                                  Voltage - Input (Min)
                                                85 V
                       | 
                                                  Temperature - Operating (Max)
                                                150 °C
                       | 
                                                  Temperature - Operating (Min)
                                                -40 °C
                       | 
                                                  Protection Features
                                                輸入過壓, 輸入欠壓, 開路同步整流FET檢測, 輸出過載, 輸出過壓, 輸出短路, 過溫
                       | 
                                                  Internal Switch
                                                Yes
                       | 
                                                  IC Package
                                                InSOP-24D
                       | 
                                                  Voltage - Output (Max)
                                                24 V
                       | 
                                                  Switching Frequency (max)
                                                95 kHz
                       | 
                                                  Switching Frequency (min)
                                                25 kHz
                       | 
                                                  Topology
                                                返馳式
                       | 
                                                  MSL Rating
                                                15
                       | ||
| 
                                                  Data Sheet
                                                
    
      View Data Sheet
      
    
                       | 
                                                  Output Power (Max) - Enclosed, 230V
                                                55.0 W
                       | 
                                                  Output Power (Max) - Open Frame, 230V
                                                65.0 W
                       |  | 
                                                  Breakdown Voltage
                                                650 V
                       | 
                                                  Cable Drop Compensation
                                                300 mV
                       | 
                                                  Output Power (Max) - Enclosed, Univ
                                                50.0 W
                       | 
                                                  Output Power (Max) - Open Frame, Univ
                                                55.0 W
                       | 
                                                  Auto-Restart Threshold
                                                3.45 V
                       | 
                                                  Over-Temperature Response
                                                滯回
                       | 
                                                  Output Profile
                                                CV/CC
                       | 
                                                  Auto-Restart & Overvoltage Response
                                                自動重啟
                       | 
                                                  Secondary Response
                                                自動重啟
                       | 
                                                  Control Scheme
                                                Fluxlink
                       | 
                                                  Voltage - Output (Min)
                                                5 V
                       | 
                                                  Product Type
                                                IC
                       | 
                                                  Voltage - Input (Max)
                                                265 V
                       | 
                                                  Voltage - Input (Min)
                                                85 V
                       | 
                                                  Temperature - Operating (Max)
                                                150 °C
                       | 
                                                  Temperature - Operating (Min)
                                                -40 °C
                       | 
                                                  Protection Features
                                                輸入過壓, 輸入欠壓, 開路同步整流FET檢測, 輸出過載, 輸出過壓, 輸出短路, 過溫
                       | 
                                                  Internal Switch
                                                Yes
                       | 
                                                  IC Package
                                                InSOP-24D
                       | 
                                                  Voltage - Output (Max)
                                                24 V
                       | 
                                                  Switching Frequency (max)
                                                95 kHz
                       | 
                                                  Switching Frequency (min)
                                                25 kHz
                       | 
                                                  Topology
                                                返馳式
                       | 
                                                  MSL Rating
                                                15
                       | ||
| 
                                                  Data Sheet
                                                
    
      View Data Sheet
      
    
                       | 
                                                  Output Power (Max) - Enclosed, 230V
                                                55.0 W
                       | 
                                                  Output Power (Max) - Open Frame, 230V
                                                65.0 W
                       |  | 
                                                  Breakdown Voltage
                                                650 V
                       | 
                                                  Cable Drop Compensation
                                                0 mV
                       | 
                                                  Output Power (Max) - Enclosed, Univ
                                                50.0 W
                       | 
                                                  Output Power (Max) - Open Frame, Univ
                                                55.0 W
                       | 
                                                  Auto-Restart Threshold
                                                3.45 V
                       | 
                                                  Over-Temperature Response
                                                鎖定關斷
                       | 
                                                  Output Profile
                                                CP
                       | 
                                                  Auto-Restart & Overvoltage Response
                                                鎖定關斷
                       | 
                                                  Secondary Response
                                                鎖定關斷
                       | 
                                                  Control Scheme
                                                Fluxlink
                       | 
                                                  Voltage - Output (Min)
                                                5 V
                       | 
                                                  Product Type
                                                IC
                       | 
                                                  Voltage - Input (Max)
                                                265 V
                       | 
                                                  Voltage - Input (Min)
                                                85 V
                       | 
                                                  Temperature - Operating (Max)
                                                150 °C
                       | 
                                                  Temperature - Operating (Min)
                                                -40 °C
                       | 
                                                  Protection Features
                                                輸入過壓, 輸入欠壓, 開路同步整流FET檢測, 輸出過載, 輸出過壓, 輸出短路, 過溫
                       | 
                                                  Internal Switch
                                                Yes
                       | 
                                                  IC Package
                                                InSOP-24D
                       | 
                                                  Voltage - Output (Max)
                                                24 V
                       | 
                                                  Switching Frequency (max)
                                                95 kHz
                       | 
                                                  Switching Frequency (min)
                                                25 kHz
                       | 
                                                  Topology
                                                返馳式
                       | 
                                                  MSL Rating
                                                15
                       | ||
| 
                                                  Data Sheet
                                                
    
      View Data Sheet
      
    
                       | 
                                                  Output Power (Max) - Enclosed, 230V
                                                55.0 W
                       | 
                                                  Output Power (Max) - Open Frame, 230V
                                                65.0 W
                       |  | 
                                                  Breakdown Voltage
                                                650 V
                       | 
                                                  Cable Drop Compensation
                                                0 mV
                       | 
                                                  Output Power (Max) - Enclosed, Univ
                                                50.0 W
                       | 
                                                  Output Power (Max) - Open Frame, Univ
                                                55.0 W
                       | 
                                                  Auto-Restart Threshold
                                                3.45 V
                       | 
                                                  Over-Temperature Response
                                                鎖定關斷
                       | 
                                                  Output Profile
                                                CP
                       | 
                                                  Auto-Restart & Overvoltage Response
                                                自動重啟
                       | 
                                                  Secondary Response
                                                鎖定關斷
                       | 
                                                  Control Scheme
                                                Fluxlink
                       | 
                                                  Voltage - Output (Min)
                                                5 V
                       | 
                                                  Product Type
                                                IC
                       | 
                                                  Voltage - Input (Max)
                                                265 V
                       | 
                                                  Voltage - Input (Min)
                                                85 V
                       | 
                                                  Temperature - Operating (Max)
                                                150 °C
                       | 
                                                  Temperature - Operating (Min)
                                                -40 °C
                       | 
                                                  Protection Features
                                                輸入過壓, 輸入欠壓, 開路同步整流FET檢測, 輸出過載, 輸出過壓, 輸出短路, 過溫
                       | 
                                                  Internal Switch
                                                Yes
                       | 
                                                  IC Package
                                                InSOP-24D
                       | 
                                                  Voltage - Output (Max)
                                                24 V
                       | 
                                                  Switching Frequency (max)
                                                95 kHz
                       | 
                                                  Switching Frequency (min)
                                                25 kHz
                       | 
                                                  Topology
                                                返馳式
                       | 
                                                  MSL Rating
                                                15
                       | ||
| 
                                                  Data Sheet
                                                
    
      View Data Sheet
      
    
                       | 
                                                  Output Power (Max) - Enclosed, 230V
                                                55.0 W
                       | 
                                                  Output Power (Max) - Open Frame, 230V
                                                65.0 W
                       |  | 
                                                  Breakdown Voltage
                                                650 V
                       | 
                                                  Cable Drop Compensation
                                                0 mV
                       | 
                                                  Output Power (Max) - Enclosed, Univ
                                                50.0 W
                       | 
                                                  Output Power (Max) - Open Frame, Univ
                                                55.0 W
                       | 
                                                  Auto-Restart Threshold
                                                3.45 V
                       | 
                                                  Over-Temperature Response
                                                鎖定關斷
                       | 
                                                  Output Profile
                                                CC
                       | 
                                                  Auto-Restart & Overvoltage Response
                                                自動重啟
                       | 
                                                  Secondary Response
                                                鎖定關斷
                       | 
                                                  Control Scheme
                                                Fluxlink
                       | 
                                                  Voltage - Output (Min)
                                                5 V
                       | 
                                                  Product Type
                                                IC
                       | 
                                                  Voltage - Input (Max)
                                                265 V
                       | 
                                                  Voltage - Input (Min)
                                                85 V
                       | 
                                                  Temperature - Operating (Max)
                                                150 °C
                       | 
                                                  Temperature - Operating (Min)
                                                -40 °C
                       | 
                                                  Protection Features
                                                輸入過壓, 輸入欠壓, 開路同步整流FET檢測, 輸出過載, 輸出過壓, 輸出短路, 過溫
                       | 
                                                  Internal Switch
                                                Yes
                       | 
                                                  IC Package
                                                InSOP-24D
                       | 
                                                  Voltage - Output (Max)
                                                24 V
                       | 
                                                  Switching Frequency (max)
                                                95 kHz
                       | 
                                                  Switching Frequency (min)
                                                25 kHz
                       | 
                                                  Topology
                                                返馳式
                       | 
                                                  MSL Rating
                                                15
                       | ||
| 
                                                  Data Sheet
                                                
    
      View Data Sheet
      
    
                       | 
                                                  Output Power (Max) - Enclosed, 230V
                                                55.0 W
                       | 
                                                  Output Power (Max) - Open Frame, 230V
                                                65.0 W
                       |  | 
                                                  Breakdown Voltage
                                                650 V
                       | 
                                                  Cable Drop Compensation
                                                0 mV
                       | 
                                                  Output Power (Max) - Enclosed, Univ
                                                50.0 W
                       | 
                                                  Output Power (Max) - Open Frame, Univ
                                                55.0 W
                       | 
                                                  Auto-Restart Threshold
                                                55%
                       | 
                                                  Over-Temperature Response
                                                自動重啟
                       | 
                                                  Output Profile
                                                CP
                       | 
                                                  Auto-Restart & Overvoltage Response
                                                自動重啟
                       | 
                                                  Secondary Response
                                                自動重啟
                       | 
                                                  Control Scheme
                                                Fluxlink
                       | 
                                                  Voltage - Output (Min)
                                                5 V
                       | 
                                                  Product Type
                                                IC
                       | 
                                                  Voltage - Input (Max)
                                                265 V
                       | 
                                                  Voltage - Input (Min)
                                                85 V
                       | 
                                                  Temperature - Operating (Max)
                                                150 °C
                       | 
                                                  Temperature - Operating (Min)
                                                -40 °C
                       | 
                                                  Protection Features
                                                輸入過壓, 輸入欠壓, 開路同步整流FET檢測, 輸出過載, 輸出過壓, 輸出短路, 過溫
                       | 
                                                  Internal Switch
                                                Yes
                       | 
                                                  IC Package
                                                InSOP-24D
                       | 
                                                  Voltage - Output (Max)
                                                24 V
                       | 
                                                  Switching Frequency (max)
                                                95 kHz
                       | 
                                                  Switching Frequency (min)
                                                25 kHz
                       | 
                                                  Topology
                                                返馳式
                       | 
                                                  MSL Rating
                                                15
                       | ||
| 
                                                  Data Sheet
                                                
    
      View Data Sheet
      
    
                       | 
                                                  Output Power (Max) - Enclosed, 230V
                                                55.0 W
                       | 
                                                  Output Power (Max) - Open Frame, 230V
                                                65.0 W
                       |  | 
                                                  Breakdown Voltage
                                                650 V
                       | 
                                                  Cable Drop Compensation
                                                0 mV
                       | 
                                                  Output Power (Max) - Enclosed, Univ
                                                50.0 W
                       | 
                                                  Output Power (Max) - Open Frame, Univ
                                                55.0 W
                       | 
                                                  Auto-Restart Threshold
                                                55%
                       | 
                                                  Over-Temperature Response
                                                自動重啟
                       | 
                                                  Output Profile
                                                CC
                       | 
                                                  Auto-Restart & Overvoltage Response
                                                自動重啟
                       | 
                                                  Secondary Response
                                                鎖定關斷
                       | 
                                                  Control Scheme
                                                Fluxlink
                       | 
                                                  Voltage - Output (Min)
                                                5 V
                       | 
                                                  Product Type
                                                IC
                       | 
                                                  Voltage - Input (Max)
                                                265 V
                       | 
                                                  Voltage - Input (Min)
                                                85 V
                       | 
                                                  Temperature - Operating (Max)
                                                150 °C
                       | 
                                                  Temperature - Operating (Min)
                                                -40 °C
                       | 
                                                  Protection Features
                                                輸入過壓, 輸入欠壓, 開路同步整流FET檢測, 輸出過載, 輸出過壓, 輸出短路, 過溫
                       | 
                                                  Internal Switch
                                                Yes
                       | 
                                                  IC Package
                                                InSOP-24D
                       | 
                                                  Voltage - Output (Max)
                                                24 V
                       | 
                                                  Switching Frequency (max)
                                                95 kHz
                       | 
                                                  Switching Frequency (min)
                                                25 kHz
                       | 
                                                  Topology
                                                返馳式
                       | 
                                                  MSL Rating
                                                15
                       | ||
| 
                                                  Data Sheet
                                                
    
      View Data Sheet
      
    
                       | 
                                                  Output Power (Max) - Enclosed, 230V
                                                90.0 W
                       | 
                                                  Output Power (Max) - Open Frame, 230V
                                                100.0 W
                       | 
                                                  PowiGaN?
                                                Yes
                       | 
                                                  Breakdown Voltage
                                                750 V
                       | 
                                                  Cable Drop Compensation
                                                0 mV
                       | 
                                                  Output Power (Max) - Enclosed, Univ
                                                75.0 W
                       | 
                                                  Output Power (Max) - Open Frame, Univ
                                                85.0 W
                       | 
                                                  Auto-Restart Threshold
                                                63%
                       | 
                                                  Over-Temperature Response
                                                自動重啟
                       | 
                                                  Output Profile
                                                CC
                       | 
                                                  Auto-Restart & Overvoltage Response
                                                自動重啟
                       | 
                                                  Secondary Response
                                                自動重啟
                       | 
                                                  Control Scheme
                                                Fluxlink
                       | 
                                                  Voltage - Output (Min)
                                                5 V
                       | 
                                                  Product Type
                                                IC
                       | 
                                                  Voltage - Input (Max)
                                                265 V
                       | 
                                                  Voltage - Input (Min)
                                                85 V
                       | 
                                                  Temperature - Operating (Max)
                                                150 °C
                       | 
                                                  Temperature - Operating (Min)
                                                -40 °C
                       | 
                                                  Protection Features
                                                輸入過壓, 輸入欠壓, 開路同步整流FET檢測, 輸出過載, 輸出過壓, 輸出短路, 過溫
                       | 
                                                  Internal Switch
                                                Yes
                       | 
                                                  IC Package
                                                InSOP-24D
                       | 
                                                  Voltage - Output (Max)
                                                24 V
                       | 
                                                  Switching Frequency (max)
                                                95 kHz
                       | 
                                                  Switching Frequency (min)
                                                25 kHz
                       | 
                                                  Topology
                                                返馳式
                       | 
                                                  MSL Rating
                                                15
                       | ||
| 
                                                  Data Sheet
                                                
    
      View Data Sheet
      
    
                       | 
                                                  Output Power (Max) - Enclosed, 230V
                                                90.0 W
                       | 
                                                  Output Power (Max) - Open Frame, 230V
                                                100.0 W
                       | 
                                                  PowiGaN?
                                                Yes
                       | 
                                                  Breakdown Voltage
                                                750 V
                       | 
                                                  Cable Drop Compensation
                                                0 mV
                       | 
                                                  Output Power (Max) - Enclosed, Univ
                                                75.0 W
                       | 
                                                  Output Power (Max) - Open Frame, Univ
                                                85.0 W
                       | 
                                                  Auto-Restart Threshold
                                                3.45 V
                       | 
                                                  Over-Temperature Response
                                                鎖定關斷
                       | 
                                                  Output Profile
                                                CC
                       | 
                                                  Auto-Restart & Overvoltage Response
                                                自動重啟
                       | 
                                                  Secondary Response
                                                鎖定關斷
                       | 
                                                  Control Scheme
                                                Fluxlink
                       | 
                                                  Voltage - Output (Min)
                                                5 V
                       | 
                                                  Product Type
                                                IC
                       | 
                                                  Voltage - Input (Max)
                                                265 V
                       | 
                                                  Voltage - Input (Min)
                                                85 V
                       | 
                                                  Temperature - Operating (Max)
                                                150 °C
                       | 
                                                  Temperature - Operating (Min)
                                                -40 °C
                       | 
                                                  Protection Features
                                                輸入過壓, 輸入欠壓, 開路同步整流FET檢測, 輸出過載, 輸出過壓, 輸出短路, 過溫
                       | 
                                                  Internal Switch
                                                Yes
                       | 
                                                  IC Package
                                                InSOP-24D
                       | 
                                                  Voltage - Output (Max)
                                                24 V
                       | 
                                                  Switching Frequency (max)
                                                95 kHz
                       | 
                                                  Switching Frequency (min)
                                                25 kHz
                       | 
                                                  Topology
                                                返馳式
                       | 
                                                  MSL Rating
                                                15
                       | ||
| 
                                                  Data Sheet
                                                
    
      View Data Sheet
      
    
                       | 
                                                  Output Power (Max) - Enclosed, 230V
                                                90.0 W
                       | 
                                                  Output Power (Max) - Open Frame, 230V
                                                100.0 W
                       | 
                                                  PowiGaN?
                                                Yes
                       | 
                                                  Breakdown Voltage
                                                750 V
                       | 
                                                  Cable Drop Compensation
                                                0 mV
                       | 
                                                  Output Power (Max) - Enclosed, Univ
                                                75.0 W
                       | 
                                                  Output Power (Max) - Open Frame, Univ
                                                85.0 W
                       | 
                                                  Auto-Restart Threshold
                                                63%
                       | 
                                                  Over-Temperature Response
                                                鎖定關斷
                       | 
                                                  Output Profile
                                                CC
                       | 
                                                  Auto-Restart & Overvoltage Response
                                                鎖定關斷
                       | 
                                                  Secondary Response
                                                鎖定關斷
                       | 
                                                  Control Scheme
                                                Fluxlink
                       | 
                                                  Voltage - Output (Min)
                                                5 V
                       | 
                                                  Product Type
                                                IC
                       | 
                                                  Voltage - Input (Max)
                                                265 V
                       | 
                                                  Voltage - Input (Min)
                                                85 V
                       | 
                                                  Temperature - Operating (Max)
                                                150 °C
                       | 
                                                  Temperature - Operating (Min)
                                                -40 °C
                       | 
                                                  Protection Features
                                                輸入過壓, 輸入欠壓, 開路同步整流FET檢測, 輸出過載, 輸出過壓, 輸出短路, 過溫
                       | 
                                                  Internal Switch
                                                Yes
                       | 
                                                  IC Package
                                                InSOP-24D
                       | 
                                                  Voltage - Output (Max)
                                                24 V
                       | 
                                                  Switching Frequency (max)
                                                95 kHz
                       | 
                                                  Switching Frequency (min)
                                                25 kHz
                       | 
                                                  Topology
                                                返馳式
                       | 
                                                  MSL Rating
                                                15
                       | ||
| 
                                                  Data Sheet
                                                
    
      View Data Sheet
      
    
                       | 
                                                  Output Power (Max) - Enclosed, 230V
                                                20.0 W
                       | 
                                                  Output Power (Max) - Open Frame, 230V
                                                25.0 W
                       |  | 
                                                  Breakdown Voltage
                                                725 V
                       | 
                                                  Cable Drop Compensation
                                                0 mV
                       | 
                                                  Output Power (Max) - Enclosed, Univ
                                                15.0 W
                       | 
                                                  Output Power (Max) - Open Frame, Univ
                                                20.0 W
                       | 
                                                  Auto-Restart Threshold
                                                3.45 V
                       | 
                                                  Over-Temperature Response
                                                滯回
                       | 
                                                  Output Profile
                                                CV/CC
                       | 
                                                  Auto-Restart & Overvoltage Response
                                                自動重啟
                       | 
                                                  Secondary Response
                                                自動重啟
                       | 
                                                  Control Scheme
                                                Fluxlink
                       | 
                                                  Voltage - Output (Min)
                                                5 V
                       | 
                                                  Product Type
                                                IC
                       | 
                                                  Voltage - Input (Max)
                                                265 V
                       | 
                                                  Voltage - Input (Min)
                                                85 V
                       | 
                                                  Temperature - Operating (Max)
                                                150 °C
                       | 
                                                  Temperature - Operating (Min)
                                                -40 °C
                       | 
                                                  Protection Features
                                                輸入過壓, 輸入欠壓, 開路同步整流FET檢測, 輸出過載, 輸出過壓, 輸出短路, 過溫
                       | 
                                                  Internal Switch
                                                Yes
                       | 
                                                  IC Package
                                                InSOP-24D
                       | 
                                                  Voltage - Output (Max)
                                                24 V
                       | 
                                                  Switching Frequency (max)
                                                95 kHz
                       | 
                                                  Switching Frequency (min)
                                                25 kHz
                       | 
                                                  Topology
                                                返馳式
                       | 
                                                  MSL Rating
                                                15
                       | ||
| 
                                                  Data Sheet
                                                
    
      View Data Sheet
      
    
                       | 
                                                  Output Power (Max) - Enclosed, 230V
                                                20.0 W
                       | 
                                                  Output Power (Max) - Open Frame, 230V
                                                25.0 W
                       |  | 
                                                  Breakdown Voltage
                                                725 V
                       | 
                                                  Cable Drop Compensation
                                                300 mV
                       | 
                                                  Output Power (Max) - Enclosed, Univ
                                                15.0 W
                       | 
                                                  Output Power (Max) - Open Frame, Univ
                                                20.0 W
                       | 
                                                  Auto-Restart Threshold
                                                3.45 V
                       | 
                                                  Over-Temperature Response
                                                滯回
                       | 
                                                  Output Profile
                                                CV/CC
                       | 
                                                  Auto-Restart & Overvoltage Response
                                                自動重啟
                       | 
                                                  Secondary Response
                                                自動重啟
                       | 
                                                  Control Scheme
                                                Fluxlink
                       | 
                                                  Voltage - Output (Min)
                                                5 V
                       | 
                                                  Product Type
                                                IC
                       | 
                                                  Voltage - Input (Max)
                                                265 V
                       | 
                                                  Voltage - Input (Min)
                                                85 V
                       | 
                                                  Temperature - Operating (Max)
                                                150 °C
                       | 
                                                  Temperature - Operating (Min)
                                                -40 °C
                       | 
                                                  Protection Features
                                                輸入過壓, 輸入欠壓, 開路同步整流FET檢測, 輸出過載, 輸出過壓, 輸出短路, 過溫
                       | 
                                                  Internal Switch
                                                Yes
                       | 
                                                  IC Package
                                                InSOP-24D
                       | 
                                                  Voltage - Output (Max)
                                                24 V
                       | 
                                                  Switching Frequency (max)
                                                95 kHz
                       | 
                                                  Switching Frequency (min)
                                                25 kHz
                       | 
                                                  Topology
                                                返馳式
                       | 
                                                  MSL Rating
                                                15
                       | ||
| 
                                                  Data Sheet
                                                
    
      View Data Sheet
      
    
                       | 
                                                  Output Power (Max) - Enclosed, 230V
                                                25.0 W
                       | 
                                                  Output Power (Max) - Open Frame, 230V
                                                30.0 W
                       |  | 
                                                  Breakdown Voltage
                                                725 V
                       | 
                                                  Cable Drop Compensation
                                                0 mV
                       | 
                                                  Output Power (Max) - Enclosed, Univ
                                                22.0 W
                       | 
                                                  Output Power (Max) - Open Frame, Univ
                                                25.0 W
                       | 
                                                  Auto-Restart Threshold
                                                3.45 V
                       | 
                                                  Over-Temperature Response
                                                滯回
                       | 
                                                  Output Profile
                                                CV/CC
                       | 
                                                  Auto-Restart & Overvoltage Response
                                                自動重啟
                       | 
                                                  Secondary Response
                                                自動重啟
                       | 
                                                  Control Scheme
                                                Fluxlink
                       | 
                                                  Voltage - Output (Min)
                                                5 V
                       | 
                                                  Product Type
                                                IC
                       | 
                                                  Voltage - Input (Max)
                                                265 V
                       | 
                                                  Voltage - Input (Min)
                                                85 V
                       | 
                                                  Temperature - Operating (Max)
                                                150 °C
                       | 
                                                  Temperature - Operating (Min)
                                                -40 °C
                       | 
                                                  Protection Features
                                                輸入過壓, 輸入欠壓, 開路同步整流FET檢測, 輸出過載, 輸出過壓, 輸出短路, 過溫
                       | 
                                                  Internal Switch
                                                Yes
                       | 
                                                  IC Package
                                                InSOP-24D
                       | 
                                                  Voltage - Output (Max)
                                                24 V
                       | 
                                                  Switching Frequency (max)
                                                95 kHz
                       | 
                                                  Switching Frequency (min)
                                                25 kHz
                       | 
                                                  Topology
                                                返馳式
                       | 
                                                  MSL Rating
                                                15
                       | ||
| 
                                                  Data Sheet
                                                
    
      View Data Sheet
      
    
                       | 
                                                  Output Power (Max) - Enclosed, 230V
                                                25.0 W
                       | 
                                                  Output Power (Max) - Open Frame, 230V
                                                30.0 W
                       |  | 
                                                  Breakdown Voltage
                                                725 V
                       | 
                                                  Cable Drop Compensation
                                                300 mV
                       | 
                                                  Output Power (Max) - Enclosed, Univ
                                                22.0 W
                       | 
                                                  Output Power (Max) - Open Frame, Univ
                                                25.0 W
                       | 
                                                  Auto-Restart Threshold
                                                3.45 V
                       | 
                                                  Over-Temperature Response
                                                滯回
                       | 
                                                  Output Profile
                                                CV/CC
                       | 
                                                  Auto-Restart & Overvoltage Response
                                                自動重啟
                       | 
                                                  Secondary Response
                                                自動重啟
                       | 
                                                  Control Scheme
                                                Fluxlink
                       | 
                                                  Voltage - Output (Min)
                                                5 V
                       | 
                                                  Product Type
                                                IC
                       | 
                                                  Voltage - Input (Max)
                                                265 V
                       | 
                                                  Voltage - Input (Min)
                                                85 V
                       | 
                                                  Temperature - Operating (Max)
                                                150 °C
                       | 
                                                  Temperature - Operating (Min)
                                                -40 °C
                       | 
                                                  Protection Features
                                                輸入過壓, 輸入欠壓, 開路同步整流FET檢測, 輸出過載, 輸出過壓, 輸出短路, 過溫
                       | 
                                                  Internal Switch
                                                Yes
                       | 
                                                  IC Package
                                                InSOP-24D
                       | 
                                                  Voltage - Output (Max)
                                                24 V
                       | 
                                                  Switching Frequency (max)
                                                95 kHz
                       | 
                                                  Switching Frequency (min)
                                                25 kHz
                       | 
                                                  Topology
                                                返馳式
                       | 
                                                  MSL Rating
                                                15
                       | ||
| 
                                                  Data Sheet
                                                
    
      View Data Sheet
      
    
                       | 
                                                  Output Power (Max) - Enclosed, 230V
                                                35.0 W
                       | 
                                                  Output Power (Max) - Open Frame, 230V
                                                40.0 W
                       |  | 
                                                  Breakdown Voltage
                                                725 V
                       | 
                                                  Cable Drop Compensation
                                                0 mV
                       | 
                                                  Output Power (Max) - Enclosed, Univ
                                                27.0 W
                       | 
                                                  Output Power (Max) - Open Frame, Univ
                                                36.0 W
                       | 
                                                  Auto-Restart Threshold
                                                3.45 V
                       | 
                                                  Over-Temperature Response
                                                滯回
                       | 
                                                  Output Profile
                                                CV/CC
                       | 
                                                  Auto-Restart & Overvoltage Response
                                                自動重啟
                       | 
                                                  Secondary Response
                                                自動重啟
                       | 
                                                  Control Scheme
                                                Fluxlink
                       | 
                                                  Voltage - Output (Min)
                                                5 V
                       | 
                                                  Product Type
                                                IC
                       | 
                                                  Voltage - Input (Max)
                                                265 V
                       | 
                                                  Voltage - Input (Min)
                                                85 V
                       | 
                                                  Temperature - Operating (Max)
                                                150 °C
                       | 
                                                  Temperature - Operating (Min)
                                                -40 °C
                       | 
                                                  Protection Features
                                                輸入過壓, 輸入欠壓, 開路同步整流FET檢測, 輸出過載, 輸出過壓, 輸出短路, 過溫
                       | 
                                                  Internal Switch
                                                Yes
                       | 
                                                  IC Package
                                                InSOP-24D
                       | 
                                                  Voltage - Output (Max)
                                                24 V
                       | 
                                                  Switching Frequency (max)
                                                95 kHz
                       | 
                                                  Switching Frequency (min)
                                                25 kHz
                       | 
                                                  Topology
                                                返馳式
                       | 
                                                  MSL Rating
                                                15
                       | ||
| 
                                                  Data Sheet
                                                
    
      View Data Sheet
      
    
                       | 
                                                  Output Power (Max) - Enclosed, 230V
                                                35.0 W
                       | 
                                                  Output Power (Max) - Open Frame, 230V
                                                40.0 W
                       |  | 
                                                  Breakdown Voltage
                                                725 V
                       | 
                                                  Cable Drop Compensation
                                                300 mV
                       | 
                                                  Output Power (Max) - Enclosed, Univ
                                                27.0 W
                       | 
                                                  Output Power (Max) - Open Frame, Univ
                                                36.0 W
                       | 
                                                  Auto-Restart Threshold
                                                3.45 V
                       | 
                                                  Over-Temperature Response
                                                滯回
                       | 
                                                  Output Profile
                                                CP
                       | 
                                                  Auto-Restart & Overvoltage Response
                                                自動重啟
                       | 
                                                  Secondary Response
                                                自動重啟
                       | 
                                                  Control Scheme
                                                Fluxlink
                       | 
                                                  Voltage - Output (Min)
                                                5 V
                       | 
                                                  Product Type
                                                IC
                       | 
                                                  Voltage - Input (Max)
                                                265 V
                       | 
                                                  Voltage - Input (Min)
                                                85 V
                       | 
                                                  Temperature - Operating (Max)
                                                150 °C
                       | 
                                                  Temperature - Operating (Min)
                                                -40 °C
                       | 
                                                  Protection Features
                                                輸入過壓, 輸入欠壓, 開路同步整流FET檢測, 輸出過載, 輸出過壓, 輸出短路, 過溫
                       | 
                                                  Internal Switch
                                                Yes
                       | 
                                                  IC Package
                                                InSOP-24D
                       | 
                                                  Voltage - Output (Max)
                                                24 V
                       | 
                                                  Switching Frequency (max)
                                                95 kHz
                       | 
                                                  Switching Frequency (min)
                                                25 kHz
                       | 
                                                  Topology
                                                返馳式
                       | 
                                                  MSL Rating
                                                15
                       | ||
| 
                                                  Data Sheet
                                                
    
      View Data Sheet
      
    
                       | 
                                                  Output Power (Max) - Enclosed, 230V
                                                35.0 W
                       | 
                                                  Output Power (Max) - Open Frame, 230V
                                                40.0 W
                       |  | 
                                                  Breakdown Voltage
                                                725 V
                       | 
                                                  Cable Drop Compensation
                                                0 mV
                       | 
                                                  Output Power (Max) - Enclosed, Univ
                                                27.0 W
                       | 
                                                  Output Power (Max) - Open Frame, Univ
                                                36.0 W
                       | 
                                                  Auto-Restart Threshold
                                                63%
                       | 
                                                  Over-Temperature Response
                                                鎖定關斷
                       | 
                                                  Output Profile
                                                CC
                       | 
                                                  Auto-Restart & Overvoltage Response
                                                鎖定關斷
                       | 
                                                  Secondary Response
                                                鎖定關斷
                       | 
                                                  Control Scheme
                                                Fluxlink
                       | 
                                                  Voltage - Output (Min)
                                                5 V
                       | 
                                                  Product Type
                                                IC
                       | 
                                                  Voltage - Input (Max)
                                                265 V
                       | 
                                                  Voltage - Input (Min)
                                                85 V
                       | 
                                                  Temperature - Operating (Max)
                                                150 °C
                       | 
                                                  Temperature - Operating (Min)
                                                -40 °C
                       | 
                                                  Protection Features
                                                輸入過壓, 輸入欠壓, 開路同步整流FET檢測, 輸出過載, 輸出過壓, 輸出短路, 過溫
                       | 
                                                  Internal Switch
                                                Yes
                       | 
                                                  IC Package
                                                InSOP-24D
                       | 
                                                  Voltage - Output (Max)
                                                24 V
                       | 
                                                  Switching Frequency (max)
                                                95 kHz
                       | 
                                                  Switching Frequency (min)
                                                25 kHz
                       | 
                                                  Topology
                                                返馳式
                       | 
                                                  MSL Rating
                                                15
                       | ||
| 
                                                  Data Sheet
                                                
    
      View Data Sheet
      
    
                       | 
                                                  Output Power (Max) - Enclosed, 230V
                                                40.0 W
                       | 
                                                  Output Power (Max) - Open Frame, 230V
                                                45.0 W
                       |  | 
                                                  Breakdown Voltage
                                                725 V
                       | 
                                                  Cable Drop Compensation
                                                0 mV
                       | 
                                                  Output Power (Max) - Enclosed, Univ
                                                36.0 W
                       | 
                                                  Output Power (Max) - Open Frame, Univ
                                                40.0 W
                       | 
                                                  Auto-Restart Threshold
                                                3.45 V
                       | 
                                                  Over-Temperature Response
                                                滯回
                       | 
                                                  Output Profile
                                                CP
                       | 
                                                  Auto-Restart & Overvoltage Response
                                                自動重啟
                       | 
                                                  Secondary Response
                                                自動重啟
                       | 
                                                  Control Scheme
                                                Fluxlink
                       | 
                                                  Voltage - Output (Min)
                                                5 V
                       | 
                                                  Product Type
                                                IC
                       | 
                                                  Voltage - Input (Max)
                                                265 V
                       | 
                                                  Voltage - Input (Min)
                                                85 V
                       | 
                                                  Temperature - Operating (Max)
                                                150 °C
                       | 
                                                  Temperature - Operating (Min)
                                                -40 °C
                       | 
                                                  Protection Features
                                                輸入過壓, 輸入欠壓, 開路同步整流FET檢測, 輸出過載, 輸出過壓, 輸出短路, 過溫
                       | 
                                                  Internal Switch
                                                Yes
                       | 
                                                  IC Package
                                                InSOP-24D
                       | 
                                                  Voltage - Output (Max)
                                                24 V
                       | 
                                                  Switching Frequency (max)
                                                95 kHz
                       | 
                                                  Switching Frequency (min)
                                                25 kHz
                       | 
                                                  Topology
                                                返馳式
                       | 
                                                  MSL Rating
                                                15
                       | ||
| 
                                                  Data Sheet
                                                
    
      View Data Sheet
      
    
                       | 
                                                  Output Power (Max) - Enclosed, 230V
                                                70.0 W
                       | 
                                                  Output Power (Max) - Open Frame, 230V
                                                75.0 W
                       | 
                                                  PowiGaN?
                                                Yes
                       | 
                                                  Breakdown Voltage
                                                750 V
                       | 
                                                  Cable Drop Compensation
                                                0 mV
                       | 
                                                  Output Power (Max) - Enclosed, Univ
                                                55.0 W
                       | 
                                                  Output Power (Max) - Open Frame, Univ
                                                65.0 W
                       | 
                                                  Auto-Restart Threshold
                                                63%
                       | 
                                                  Over-Temperature Response
                                                自動重啟
                       | 
                                                  Output Profile
                                                CC
                       | 
                                                  Auto-Restart & Overvoltage Response
                                                自動重啟
                       | 
                                                  Secondary Response
                                                自動重啟
                       | 
                                                  Control Scheme
                                                Fluxlink
                       | 
                                                  Voltage - Output (Min)
                                                5 V
                       | 
                                                  Product Type
                                                IC
                       | 
                                                  Voltage - Input (Max)
                                                265 V
                       | 
                                                  Voltage - Input (Min)
                                                85 V
                       | 
                                                  Temperature - Operating (Max)
                                                150 °C
                       | 
                                                  Temperature - Operating (Min)
                                                -40 °C
                       | 
                                                  Protection Features
                                                輸入過壓, 輸入欠壓, 開路同步整流FET檢測, 輸出過載, 輸出過壓, 輸出短路, 過溫
                       | 
                                                  Internal Switch
                                                Yes
                       | 
                                                  IC Package
                                                InSOP-24D
                       | 
                                                  Voltage - Output (Max)
                                                24 V
                       | 
                                                  Switching Frequency (max)
                                                95 kHz
                       | 
                                                  Switching Frequency (min)
                                                25 kHz
                       | 
                                                  Topology
                                                返馳式
                       | 
                                                  MSL Rating
                                                15
                       | ||
| 
                                                  Data Sheet
                                                
    
      View Data Sheet
      
    
                       | 
                                                  Output Power (Max) - Enclosed, 230V
                                                70.0 W
                       | 
                                                  Output Power (Max) - Open Frame, 230V
                                                75.0 W
                       | 
                                                  PowiGaN?
                                                Yes
                       | 
                                                  Breakdown Voltage
                                                750 V
                       | 
                                                  Cable Drop Compensation
                                                0 mV
                       | 
                                                  Output Power (Max) - Enclosed, Univ
                                                55.0 W
                       | 
                                                  Output Power (Max) - Open Frame, Univ
                                                65.0 W
                       | 
                                                  Auto-Restart Threshold
                                                3.45 V
                       | 
                                                  Over-Temperature Response
                                                鎖定關斷
                       | 
                                                  Output Profile
                                                CC
                       | 
                                                  Auto-Restart & Overvoltage Response
                                                自動重啟
                       | 
                                                  Secondary Response
                                                鎖定關斷
                       | 
                                                  Control Scheme
                                                Fluxlink
                       | 
                                                  Voltage - Output (Min)
                                                5 V
                       | 
                                                  Product Type
                                                IC
                       | 
                                                  Voltage - Input (Max)
                                                265 V
                       | 
                                                  Voltage - Input (Min)
                                                85 V
                       | 
                                                  Temperature - Operating (Max)
                                                150 °C
                       | 
                                                  Temperature - Operating (Min)
                                                -40 °C
                       | 
                                                  Protection Features
                                                輸入過壓, 輸入欠壓, 開路同步整流FET檢測, 輸出過載, 輸出過壓, 輸出短路, 過溫
                       | 
                                                  Internal Switch
                                                Yes
                       | 
                                                  IC Package
                                                InSOP-24D
                       | 
                                                  Voltage - Output (Max)
                                                24 V
                       | 
                                                  Switching Frequency (max)
                                                95 kHz
                       | 
                                                  Switching Frequency (min)
                                                25 kHz
                       | 
                                                  Topology
                                                返馳式
                       | 
                                                  MSL Rating
                                                15
                       | ||
| 
                                                  Data Sheet
                                                
    
      View Data Sheet
      
    
                       | 
                                                  Output Power (Max) - Enclosed, 230V
                                                70.0 W
                       | 
                                                  Output Power (Max) - Open Frame, 230V
                                                75.0 W
                       | 
                                                  PowiGaN?
                                                Yes
                       | 
                                                  Breakdown Voltage
                                                750 V
                       | 
                                                  Cable Drop Compensation
                                                0 mV
                       | 
                                                  Output Power (Max) - Enclosed, Univ
                                                55.0 W
                       | 
                                                  Output Power (Max) - Open Frame, Univ
                                                65.0 W
                       | 
                                                  Auto-Restart Threshold
                                                63%
                       | 
                                                  Over-Temperature Response
                                                鎖定關斷
                       | 
                                                  Output Profile
                                                CC
                       | 
                                                  Auto-Restart & Overvoltage Response
                                                鎖定關斷
                       | 
                                                  Secondary Response
                                                鎖定關斷
                       | 
                                                  Control Scheme
                                                Fluxlink
                       | 
                                                  Voltage - Output (Min)
                                                5 V
                       | 
                                                  Product Type
                                                IC
                       | 
                                                  Voltage - Input (Max)
                                                265 V
                       | 
                                                  Voltage - Input (Min)
                                                85 V
                       | 
                                                  Temperature - Operating (Max)
                                                150 °C
                       | 
                                                  Temperature - Operating (Min)
                                                -40 °C
                       | 
                                                  Protection Features
                                                輸入過壓, 輸入欠壓, 開路同步整流FET檢測, 輸出過載, 輸出過壓, 輸出短路, 過溫
                       | 
                                                  Internal Switch
                                                Yes
                       | 
                                                  IC Package
                                                InSOP-24D
                       | 
                                                  Voltage - Output (Max)
                                                24 V
                       | 
                                                  Switching Frequency (max)
                                                95 kHz
                       | 
                                                  Switching Frequency (min)
                                                25 kHz
                       | 
                                                  Topology
                                                返馳式
                       | 
                                                  MSL Rating
                                                15
                       | ||
| 
                                                  Data Sheet
                                                
    
      View Data Sheet
      
    
                       | 
                                                  Output Power (Max) - Enclosed, 230V
                                                80.0 W
                       | 
                                                  Output Power (Max) - Open Frame, 230V
                                                85.0 W
                       | 
                                                  PowiGaN?
                                                Yes
                       | 
                                                  Breakdown Voltage
                                                750 V
                       | 
                                                  Cable Drop Compensation
                                                0 mV
                       | 
                                                  Output Power (Max) - Enclosed, Univ
                                                65.0 W
                       | 
                                                  Output Power (Max) - Open Frame, Univ
                                                75.0 W
                       | 
                                                  Auto-Restart Threshold
                                                63%
                       | 
                                                  Over-Temperature Response
                                                自動重啟
                       | 
                                                  Output Profile
                                                CC
                       | 
                                                  Auto-Restart & Overvoltage Response
                                                自動重啟
                       | 
                                                  Secondary Response
                                                自動重啟
                       | 
                                                  Control Scheme
                                                Fluxlink
                       | 
                                                  Voltage - Output (Min)
                                                5 V
                       | 
                                                  Product Type
                                                IC
                       | 
                                                  Voltage - Input (Max)
                                                265 V
                       | 
                                                  Voltage - Input (Min)
                                                85 V
                       | 
                                                  Temperature - Operating (Max)
                                                150 °C
                       | 
                                                  Temperature - Operating (Min)
                                                -40 °C
                       | 
                                                  Protection Features
                                                輸入過壓, 輸入欠壓, 開路同步整流FET檢測, 輸出過載, 輸出過壓, 輸出短路, 過溫
                       | 
                                                  Internal Switch
                                                Yes
                       | 
                                                  IC Package
                                                InSOP-24D
                       | 
                                                  Voltage - Output (Max)
                                                24 V
                       | 
                                                  Switching Frequency (max)
                                                95 kHz
                       | 
                                                  Switching Frequency (min)
                                                25 kHz
                       | 
                                                  Topology
                                                返馳式
                       | 
                                                  MSL Rating
                                                15
                       | ||
| 
                                                  Data Sheet
                                                
    
      View Data Sheet
      
    
                       | 
                                                  Output Power (Max) - Enclosed, 230V
                                                80.0 W
                       | 
                                                  Output Power (Max) - Open Frame, 230V
                                                85.0 W
                       | 
                                                  PowiGaN?
                                                Yes
                       | 
                                                  Breakdown Voltage
                                                750 V
                       | 
                                                  Cable Drop Compensation
                                                0 mV
                       | 
                                                  Output Power (Max) - Enclosed, Univ
                                                65.0 W
                       | 
                                                  Output Power (Max) - Open Frame, Univ
                                                75.0 W
                       | 
                                                  Auto-Restart Threshold
                                                3.45 V
                       | 
                                                  Over-Temperature Response
                                                鎖定關斷
                       | 
                                                  Output Profile
                                                CC
                       | 
                                                  Auto-Restart & Overvoltage Response
                                                自動重啟
                       | 
                                                  Secondary Response
                                                鎖定關斷
                       | 
                                                  Control Scheme
                                                Fluxlink
                       | 
                                                  Voltage - Output (Min)
                                                5 V
                       | 
                                                  Product Type
                                                IC
                       | 
                                                  Voltage - Input (Max)
                                                265 V
                       | 
                                                  Voltage - Input (Min)
                                                85 V
                       | 
                                                  Temperature - Operating (Max)
                                                150 °C
                       | 
                                                  Temperature - Operating (Min)
                                                -40 °C
                       | 
                                                  Protection Features
                                                輸入過壓, 輸入欠壓, 開路同步整流FET檢測, 輸出過載, 輸出過壓, 輸出短路, 過溫
                       | 
                                                  Internal Switch
                                                Yes
                       | 
                                                  IC Package
                                                InSOP-24D
                       | 
                                                  Voltage - Output (Max)
                                                24 V
                       | 
                                                  Switching Frequency (max)
                                                95 kHz
                       | 
                                                  Switching Frequency (min)
                                                25 kHz
                       | 
                                                  Topology
                                                返馳式
                       | 
                                                  MSL Rating
                                                15
                       | ||
| 
                                                  Data Sheet
                                                
    
      View Data Sheet
      
    
                       | 
                                                  Output Power (Max) - Enclosed, 230V
                                                80.0 W
                       | 
                                                  Output Power (Max) - Open Frame, 230V
                                                85.0 W
                       | 
                                                  PowiGaN?
                                                Yes
                       | 
                                                  Breakdown Voltage
                                                750 V
                       | 
                                                  Cable Drop Compensation
                                                0 mV
                       | 
                                                  Output Power (Max) - Enclosed, Univ
                                                65.0 W
                       | 
                                                  Output Power (Max) - Open Frame, Univ
                                                75.0 W
                       | 
                                                  Auto-Restart Threshold
                                                63%
                       | 
                                                  Over-Temperature Response
                                                鎖定關斷
                       | 
                                                  Output Profile
                                                CC
                       | 
                                                  Auto-Restart & Overvoltage Response
                                                鎖定關斷
                       | 
                                                  Secondary Response
                                                鎖定關斷
                       | 
                                                  Control Scheme
                                                Fluxlink
                       | 
                                                  Voltage - Output (Min)
                                                5 V
                       | 
                                                  Product Type
                                                IC
                       | 
                                                  Voltage - Input (Max)
                                                265 V
                       | 
                                                  Voltage - Input (Min)
                                                85 V
                       | 
                                                  Temperature - Operating (Max)
                                                150 °C
                       | 
                                                  Temperature - Operating (Min)
                                                -40 °C
                       | 
                                                  Protection Features
                                                輸入過壓, 輸入欠壓, 開路同步整流FET檢測, 輸出過載, 輸出過壓, 輸出短路, 過溫
                       | 
                                                  Internal Switch
                                                Yes
                       | 
                                                  IC Package
                                                InSOP-24D
                       | 
                                                  Voltage - Output (Max)
                                                24 V
                       | 
                                                  Switching Frequency (max)
                                                95 kHz
                       | 
                                                  Switching Frequency (min)
                                                25 kHz
                       | 
                                                  Topology
                                                返馳式
                       | 
                                                  MSL Rating
                                                15
                       | ||
| 
                                                  Data Sheet
                                                
    
      View Data Sheet
      
    
                       | 
                                                  Output Power (Max) - Enclosed, 230V
                                                80.0 W
                       | 
                                                  Output Power (Max) - Open Frame, 230V
                                                85.0 W
                       | 
                                                  PowiGaN?
                                                Yes
                       | 
                                                  Breakdown Voltage
                                                750 V
                       | 
                                                  Cable Drop Compensation
                                                0 mV
                       | 
                                                  Output Power (Max) - Enclosed, Univ
                                                65.0 W
                       | 
                                                  Output Power (Max) - Open Frame, Univ
                                                75.0 W
                       | 
                                                  Auto-Restart Threshold
                                                3.45 V
                       | 
                                                  Over-Temperature Response
                                                自動重啟
                       | 
                                                  Output Profile
                                                CC
                       | 
                                                  Auto-Restart & Overvoltage Response
                                                自動重啟
                       | 
                                                  Secondary Response
                                                鎖定關斷
                       | 
                                                  Control Scheme
                                                Fluxlink
                       | 
                                                  Voltage - Output (Min)
                                                5 V
                       | 
                                                  Product Type
                                                IC
                       | 
                                                  Voltage - Input (Max)
                                                265 V
                       | 
                                                  Voltage - Input (Min)
                                                85 V
                       | 
                                                  Temperature - Operating (Max)
                                                150 °C
                       | 
                                                  Temperature - Operating (Min)
                                                -40 °C
                       | 
                                                  Protection Features
                                                輸入過壓, 輸入欠壓, 開路同步整流FET檢測, 輸出過載, 輸出過壓, 輸出短路, 過溫
                       | 
                                                  Internal Switch
                                                Yes
                       | 
                                                  IC Package
                                                InSOP-24D
                       | 
                                                  Voltage - Output (Max)
                                                24 V
                       | 
                                                  Switching Frequency (max)
                                                95 kHz
                       | 
                                                  Switching Frequency (min)
                                                25 kHz
                       | 
                                                  Topology
                                                返馳式
                       | 
                                                  MSL Rating
                                                15
                       | 
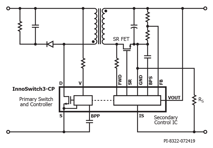
InnoSwitch3-CP IC 系列產品大幅簡化了返馳式功率轉換器的設計與製造程序,特別是要求高效率和 (或) 小型尺寸的功率轉換器。InnoSwitch3-CP 系列產品將一次側和二次側控制器及安全額定回授機制整合在單一 IC 中。
InnoSwitch3-CP 系列裝置整合了多種保護功能,包括線電壓過壓和欠壓保護、輸出過壓和過電流限制,以及過溫關機。此系列裝置支援常見的鎖定與自動重新啟動機制組合,可滿足多種應用的要求,如快速充電和 USB PD 設計。此裝置分為具有和不具有纜線壓降補償兩款。

 
 
                     
                     
                     
                     
