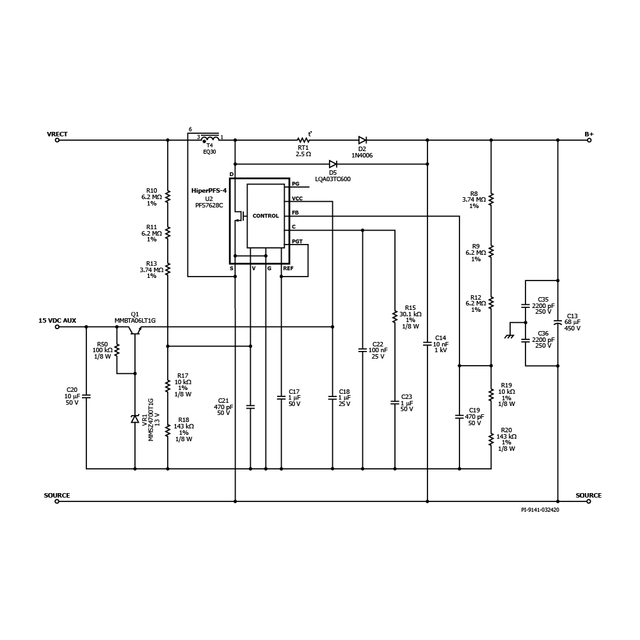
DER-901 - 125 W 2-Stage Boost and Isolated Flyback 3-Way Dimmable LED Ballast Using HiperPFS-4 and PowiGaN-Based LYTSwitch-6
- 3-Way Dimming (0-10VDC, PWM and resistor)
- 100 VAC – 277 VAC Input; 42 V, 3000 mA Output
- PowiGaN-based LYTSwitch-6 (LYT6067C)
- HiperPFS-4 (PFS7628C)
