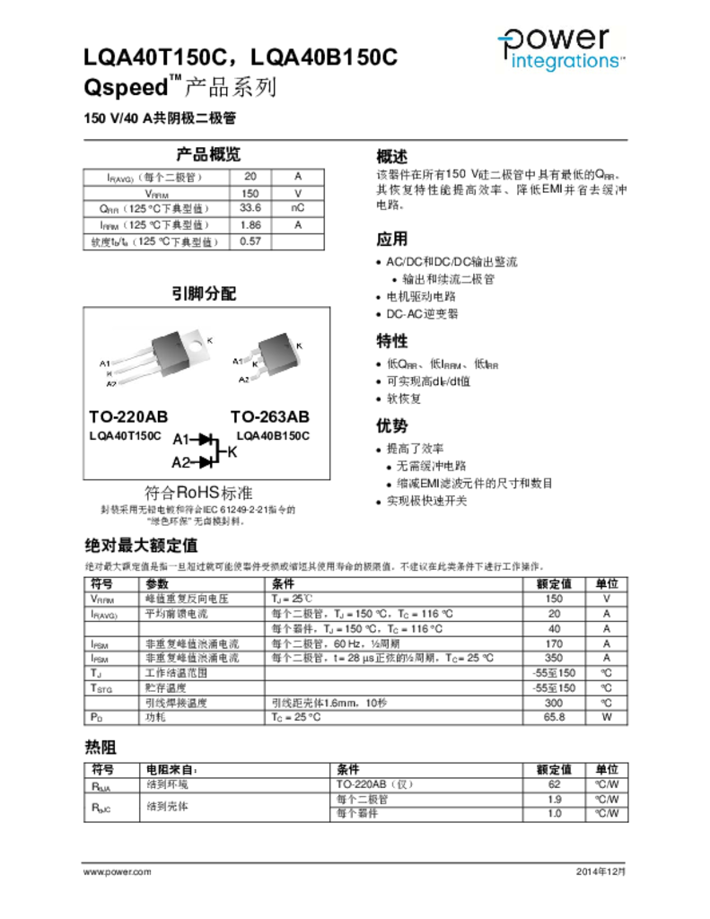
LQA40T150C, LQA40B150C 150 V/40 A共阴极二极管 下载PDF 查看PDF Login Required A MyPI account is required to receive email notifications for document updates. Please login or register for an account to continue. Continue × 文件更新请通知我 应用 产品 Qspeed Q系列二极管