Solution Finder Get Tech Support

2SP0325

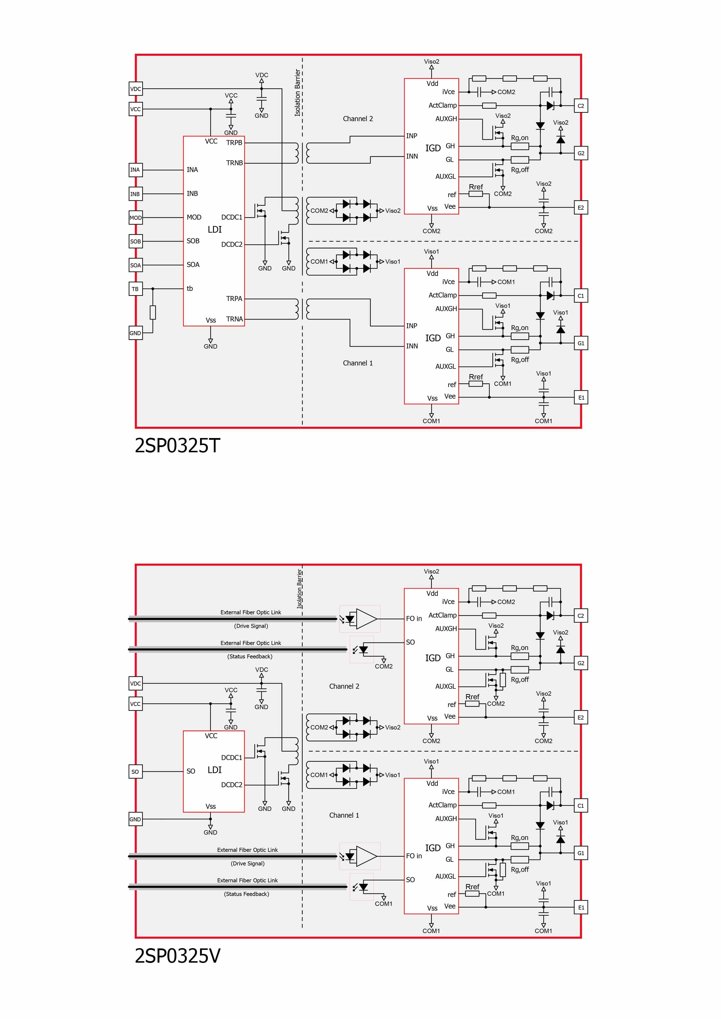
Dual-Channel SCALE-2 Plug-and-Play Driver for Mitsubishi’s New Mega Power Dual Module (New MPD)

This product is in End-of-Life status and is no longer available.
Applications

Product Details

The 2SP0325 is designed to drive Mitsubishi’s 1200 V and 1700 V New Mega Power Dual Modules. The combination of New MPD and 2SP0325 results in a system with very high power density in the 1MW inverter class.

As a member of the SCALE-2 plug-and-play driver family, the 2SP0325 satisfies industry demands for optimized electrical performance and noise immunity. The highly integrated SCALE-2 chipset reduces component count by 80% when compared to conventional solutions, thus significantly increasing reliability and reducing costs. 

2SP0325 two-channel IGBT drivers are complete and extremely compact and come equipped with DC/DC converters, short-circuit protection, Dynamic Advanced Active Clamping (DA²C) and supply-voltage monitoring. The drivers are simple to use immediately after mounting with no further development or matching effort required. In this way, design cycles are minimized without compromising overall system efficiency.

Specifically matched drivers are available for all module types and electrical and fiber-optic interfaces are available. 

Interface Options
The 2SP0325 driver is available with one electrical and two fiber-optic interfaces:
Electrical Interface: 2SP0325T
The DIC20 electrical interface is very simple and easy to use.
The driver has the following terminals:

  • Power supply and GND terminals
  • 2 x drive signal inputs
  • 2 x status outputs (failure returns)
  • 1 x mode selection (half-bridge mode / direct mode)
  • 1 x input to set the blocking time.

All inputs are ESD-protected and all digital inputs have Schmitt-trigger characteristics. 

Fibre-optic interface: 2SP0325V
Fiber-optic links are used to electrically isolate the command and status-feedback signals. 2SP0325V IS equipped with versatile links.
For details, please check the product documentation.

Clean and simple gate-drive solution for fast-switching high-performance modules.

  • Blocking voltages up to 1700V
  • Electrical (15V logic level)
  • or fiber-optic interfaces
  • +15V (regulated)/-10V gate driving
  • 2-level and multilevel topologies
  • IGBT short-circuit protection
  • Dynamic Advanced Active Clamping (DA²C)
  • Isolated DC/DC converter
  • Supply under-voltage lockout
  • Safe isolation to EN50178
  • UL compliant
  • Superior EMC
  • Reliable, long service life