|
产品
|
产品
|
数据手册
|
IGBT功率等级
|
通道数
|
三防漆?
|
驱动模式
|
门极峰值电流(最大)
|
门极关断电压
|
隔离技术
|
接口类型
|
保护功能
|
隔离类型
|
逻辑输入电压
|
主/外围
|
最大开关频率
|
选项信息
|
门极导通电压
|
支持的模块
|
支持的拓扑
|
输出功率/通道-最大
|
并行支持?
|
电源电压 (典型)
|
時間 - 輸出下降
|
時間 - 輸出上升
|
技术
|
|---|---|---|---|---|---|---|---|---|---|---|---|---|---|---|---|---|---|---|---|---|---|---|---|---|---|
|
Data Sheet
View Data Sheet
|
IGBT Voltage Class
1200 V
|
Number of Channels
2
|
Conformal Coated?
No
|
Driving Mode
直接独立
|
Gate Peak Current (Max)
+15 A
|
Gate Turn-off Voltage
--8.5 V
|
Isolation Technology
电隔离
|
Interface Type
电气
|
Protection Features
高级有源钳位, 短路, 欠压(次级侧), 欠压(初级侧)
|
Isolation Type
加强型
|
Logic Input Voltage
5
|
Main/Peripheral
N/A
|
Max Switching Frequency
50.0 kHz
|
Options Info
Conformal Coated Version 2SC0115T2A0C-12
|
Gate Turn-on Voltage
+15.0 V
|
Supported Module Type
IGBT, N沟道MOSFET
|
Supported Topologies
两电平电压源, 三电平NP钳位 - 类型1, 三电平NP钳位 - 类型2, 多电平NP钳位
|
Power - Output/Channel (Max)
1.4 W
|
|
Supply Voltage (Typ)
15 V
|
Time - Output Fall
12 ns
|
Time - Output Rise
6 ns
|
Technology
SCALE-2+
|
||
|
Data Sheet
View Data Sheet
|
IGBT Voltage Class
1200 V
|
Number of Channels
2
|
Conformal Coated?
Yes
|
Driving Mode
直接独立
|
Gate Peak Current (Max)
+15 A
|
Gate Turn-off Voltage
--8.5 V
|
Isolation Technology
电隔离
|
Interface Type
电气
|
Protection Features
高级有源钳位, 短路, 欠压(次级侧), 欠压(初级侧)
|
Isolation Type
加强型
|
Logic Input Voltage
5
|
Main/Peripheral
N/A
|
Max Switching Frequency
50.0 kHz
|
|
Gate Turn-on Voltage
+15.0 V
|
Supported Module Type
IGBT, N沟道MOSFET
|
Supported Topologies
两电平电压源, 三电平NP钳位 - 类型1, 三电平NP钳位 - 类型2, 多电平NP钳位
|
Power - Output/Channel (Max)
1.4 W
|
Paralleling Support?
No
|
Supply Voltage (Typ)
15 V
|
Time - Output Fall
12 ns
|
Time - Output Rise
6 ns
|
Technology
SCALE-2+
|
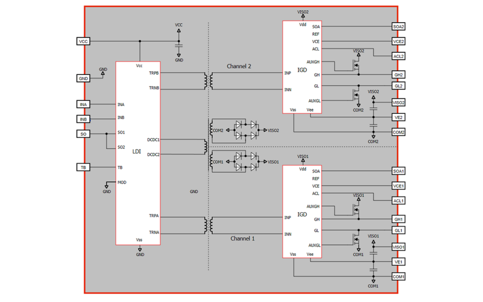
新型2SC0115T IGBT驱动核采用SCALE-2+集成电路以及适用于DC/DC电源和开关信号传输的隔离式变压器技术,并且无需采用光耦器,大大提高系统可靠性和性能。IGBT驱动核的增强电气隔离专门针对工作电压900 V的系统,这种技术通常适用于1200 V IGBT模块,并且满足IEC 60664-1和IEC 61800-5-1的PD2和OV II要求。2SC0115T IGBT门极驱动核支持电流高达2400 A的模块以及高达50 kHz的开关频率。
