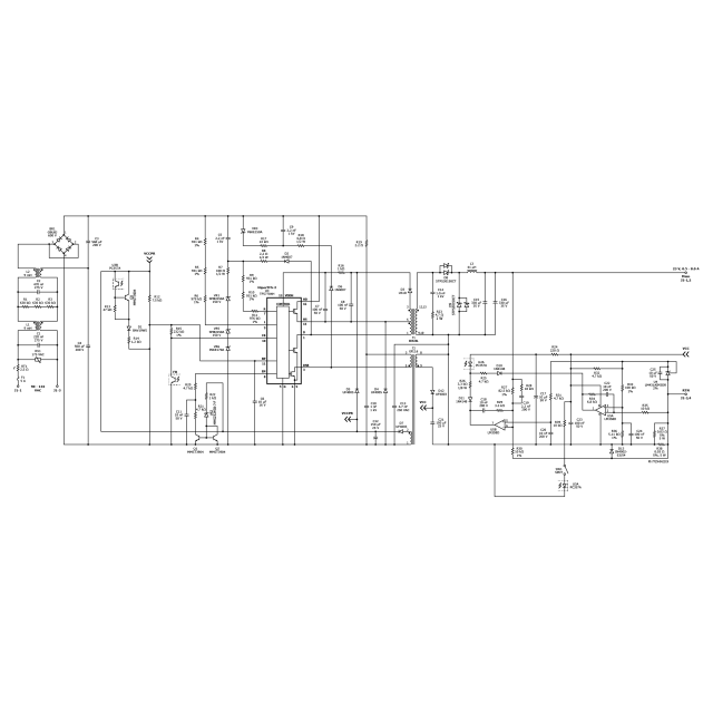
DER-483 - 184 W Non-PFC Stage Forward Power Supply PDF 다운로드 PDF 보기 Login Required A MyPI account is required to receive email notifications for document updates. Please login or register for an account to continue. Continue × 업데이트 알림 받기 애플리케이션 제품 HiperTFS-2
명세서 Design Type Design Example Reports (DER) 토폴로지 2-Switch Forward + Flyback Vout 1 23.00 V Vin (min) 90 Vin (max) 132 CV/CC CV/CC Efficiency 87.00% Number of outputs 1 출력 전력 184.00 W PFC? No Associated Parts TFS7704H Gerber File rd483gerber.zip