SiC MOSFET 전원 스위치 구동
폭넓은 SCALE 게이트 드라이버 제품으로 SiC MOSFET 파워 스위치 제어
실리콘 카바이드(SiC) MOSFET은 고전력 인버터 애플리케이션의 스위칭 성능을 이동 향상시켜 높은 항복 전계 강도와 캐리어 이동 속도를 제공하는 동시에 써멀 성능을 향상시킵니다. 그러나 SiC는 보다 소형화된 설계에서 더 빠른 회로 단락 보호를 필요로하며 다양한 SiC 아키텍처에서 다양한 전압을 지원해야 하는 게이트 드라이버 고유의 문제가 있습니다.
SCALE-iDriver SiC MOSFET 게이트 드라이버 IC
PI의 새로운 SIC1182K SCALE-iDriver IC는 외부 부스트 스테이지 없이 사용 가능한 최고 피크-출력 게이트 전류를 제공하는 고효율 단일 채널 SiC MOSFET 게이트 드라이버입니다. 오늘날의 SiC MOSFET 요구 사항의 범위와 일치하는 다양한 게이트 드라이브 전압을 지원하도록 구성할 수 있습니다.
SCALE-2, SCALE-2+ 게이트 드라이버 코어 및 SCALE-iDriver 게이트 드라이버 IC
IGBT 및 MOSFET과 같은 기존의 Si 기반 파워 디바이스를 구동하는 것 외에도 SCALE-iDriver 게이트 드라이버 IC와 SCALE-2 및 SCALE-2+ 게이트 드라이버 코어는 SiC MOSFET 파워 스위치를 구동할 수 있습니다.
사용 가능한 게이트 드라이버 제품
- SIC1182K - SiC MOSFET 게이트 드라이버
- SCALE-iDriver - 게이트 드라이버 IC
- 2SC0115T-12 - SCALE-2+ 드라이버 코어
- 2SC0435T-17 - SCALE-2+ 드라이버 코어플래너
- 트랜스포머가 있는 1SC2060P-17 - SCALE-2 드라이버 코어플래너
- 트랜스포머가 있는 2SC0650P-17 - SCALE-2 드라이버 코어
- 2SC0535T-17 - SCALE-2 드라이버 코어
- 2SC0635T-45 - SCALE-2 드라이버 코어
SiC, 게이트 드라이버에 대한 고유한 과제 제시
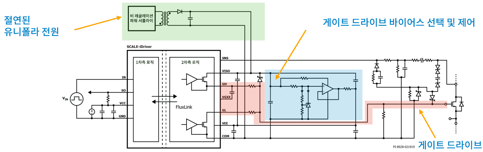
공급업체와 세대가 다른 SiC MOSFET 스위치는 게이트 턴온 및 턴오프 전압 수준에 대한 요구 사항이 다릅니다. 예를 들어, 일부 장치는 15V / -10V로 작동하지만 다른 장치는 19V / -6V에서 작동할 수 있습니다. 또한, 게이트 소스 안전 작동 영역을 초과하지 않도록 하기 위해 일부 장치는 레귤레이션된 턴온 전압이 필요하지만 다른 장치는 레귤레이션된 마이너스 턴오프 전압이 필요합니다.
SCALE 게이트 드라이버를 다른 요구 사항에 맞게 조정하기 위해 게이트 턴온 및 턴오프 레벨 관련 플러스 및 마이너스 전압 레일에 대한 전압 파티셔닝 제어(VEE 레귤레이터)를 무시할 수 있습니다. 자세한 내용은 애플리케이션 노트 AN-1601을 참조하십시오.

그림 2. SCALE-iDriver는 VGS 요구 사항에 맞게 드라이브를 조정하여 다양한 SiC MOSFET을 지원합니다.

그림 3. VEx / VEE 핀이 표시된 다른 SCALE 게이트 드라이버 고정
SCALE 게이트 드라이버로 Sic MOSFET을 구동해야 하는 이유?
|
|
SIC1182K의 포괄적인 보호 기능
|
|
