ソリューション ファインダー 技術サポート

IGD515EI

Single-Channel Driver Core

これは、新しい設計には推奨されないアクティブ製品です。
Suggested Alternative: 2SC0435T 2SC0535T
アプリケーション

製品詳細

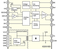
IGD515EI single-channel intelligent gate drivers have been developed specifically for the precise and reliable driving and protection of high-power and high-voltage modules, in series and parallel configuration. 

Drive information and status acknowledgement are transmitted via external fiber-optic links. The drivers contain an integrated DC/DC converter with a high-isolation test voltage. 

Specific logic functions facilitate reliable series implementation. The drivers support 2-level, 3-level and multilevel converters. 

Positive and negative control voltage (±15 V) gate driving allows IGBT modules of any size from any manufacturer to be operated. The negative gate voltage results in a high degree of immunity to interference, therefore several IGBT modules can be connected in parallel without the user having to worry about parasitic switching or oscillations. IGD515EI drivers feature: overcurrent / short-circuit protection; power supply-monitoring; status acknowledgement; a mode for brake operation; and a mode for series and parallel circuit design. 

The driver core is optimized to match various IGBTs and applications from 100 A / 1200 V to 1000 A / 1700 V and beyond.

Key Features
  • Suitable for IGBTs up to 3300V
  • Gate drive capability 15A, 6W
  • Typical delay time of 100ns
  • Switching frequency DC to 100kHz
  • Duty cycle 0 ... 100%
  • Series connection functions
  • 2-level and multilevel topologies
  • Short-circuit protection
  • Supply undervoltage lockout
  • Isolated DC/DC converter
  • Electrical isolation 6000 Vac
  • Signal fiber-optic link
  • Fiber-optic status feedback
  • Superior EMC