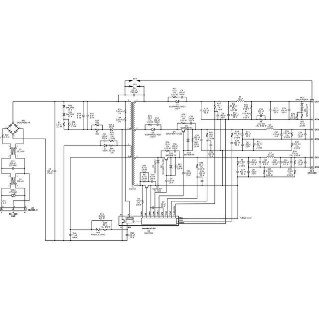
DER-716 - 62 W Nominal Power Multi-Output Flyback Power Supply for Appliances Using InnoMux2-EP
62 W nominal power, multi-output flyback converter with 3 CV outputs using PowiGaN-based InnoMux2-EP (IMX2379) for appliances and industrial power supplies
- Three independently regulated CV output:
• 5 V, 4 A
• 12 V, 1 A
• 24 V, 1.25 A - Input: 90 VAC – 265 VAC
- Unique single-stage conversion, no additional DC-DC converter needed
- High efficiency across the universal line range
- High regulation accuracy
Watch the DER-716 unboxing video.
