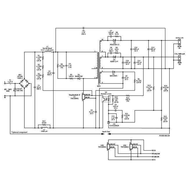
DER-881 - 14.5 W Dual-Output Isolated Flyback Power Supply Using TinySwitch-4
14.5 Dual-Output Isolated Flyback Using TinySwitch-4 (TNY289PG) for Appliances and Industrial Applications (85 VAC – 265 VAC Input; 12 V / 1 A, 5 V / 500 mA Output)
For improved performance in efficiency at full load and light load, consider the new TinySwitch-5 product family.
