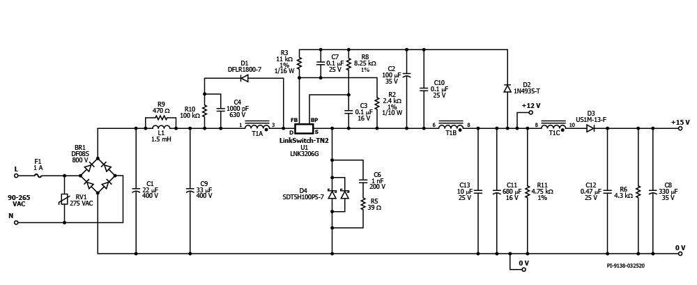
DER-846 - 15 W Tapped Buck Non-Isolated Power Supply for Appliances Using LinkSwitch-TN2
- 15 W dual-output embedded power supply for appliances
- Using LinkSwitch-TN2 (LNK3206G)
- Input: 90 VAC – 265 VAC
- Outputs: 12.0 V / 1 A, 15 V / 200 mA
A MyPI account is required to receive email notifications for document updates. Please login or register for an account to continue.
Continue© 2026 Power Integrations. All Rights Reserved
