DER-637 - 35 W High Power Factor, Isolated Flyback with Switched Valley Fill PFC LED Driver
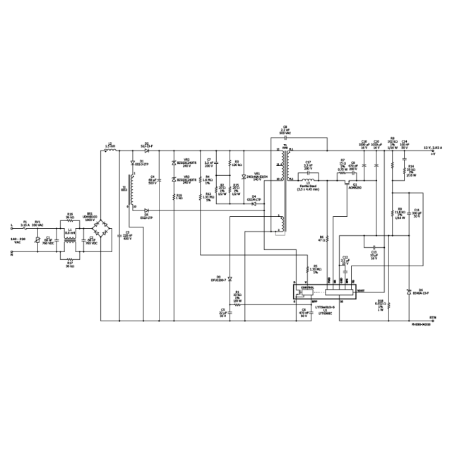
35 W High Power Factor, Isolated Flyback with Switched Valley Fill PFC LED Driver Using LYTSwitch-6 (LYT6068C)
35 W High Power Factor, Isolated Flyback with Switched Valley Fill PFC LED Driver Using LYTSwitch-6 (LYT6068C)
A MyPI account is required to receive email notifications for document updates. Please login or register for an account to continue.
Continue© 2026 Power Integrations. All Rights Reserved
