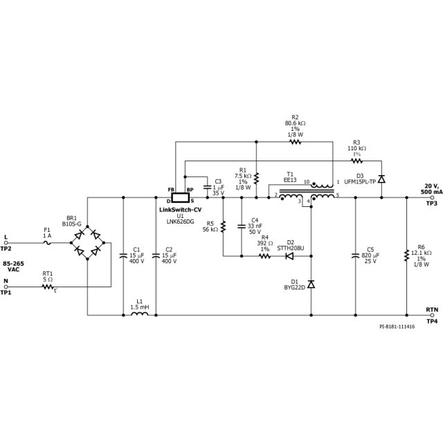
DER-572 - 10 W Non-Isolated Tapped Buck Power Supply Download PDF View PDF Login Required A MyPI account is required to receive email notifications for document updates. Please login or register for an account to continue. Continue × Notify Me of Updates Applications Products LinkSwitch-CV
Specifications Design Type Design Example Reports (DER) Topology Tapped Buck Vout 1 20.00 V Vin (min) 85 Vin (max) 265 P (NoLoad) 200.00 mW CV/CC CV/CC Efficiency 82.00% Isolated? No Number of outputs 1 Output Power 10.00 W Associated Parts LNK626DG Gerber File rd572gerber.zip (164.48 KB)