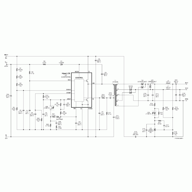
DER-270 - 125 W LLC DC-DC Resonant Converter Download PDF View PDF Login Required A MyPI account is required to receive email notifications for document updates. Please login or register for an account to continue. Continue × Notify Me of Updates Applications Products HiperLCS
Specifications Design Type Design Example Reports (DER) Topology LLC Half Bridge RoHS? Yes Vout 1 24.00 V Vout 2 12.00 V Isolated? Yes Number of outputs 2 Output Power 125.00 W Associated Parts LCS701HG Gerber File rd270gerber.zip (280.01 KB)