|
产品
|
产品
|
数据手册
|
IGBT功率等级
|
通道数
|
三防漆?
|
支持的模块
|
逻辑输入电压
|
保护功能
|
技术
|
接口类型
|
支持的拓扑
|
电源电压 (典型)
|
门极导通电压
|
门极关断电压
|
输出功率/通道-最大
|
门极峰值电流(最大)
|
隔离类型
|
隔离技术
|
最大开关频率
|
時間 - 輸出下降
|
時間 - 輸出上升
|
驱动模式
|
主/外围
|
选项信息
|
并行支持?
|
|---|---|---|---|---|---|---|---|---|---|---|---|---|---|---|---|---|---|---|---|---|---|---|---|---|---|
|
Data Sheet
View Data Sheet
|
IGBT Voltage Class
1700 V
|
Number of Channels
2
|
Conformal Coated?
No
|
Supported Module Type
IGBT, N沟道MOSFET
|
Logic Input Voltage
5
|
Protection Features
高级有源钳位, 短路, 欠压(次级侧), 欠压(初级侧)
|
Technology
SCALE-2+
|
Interface Type
电气
|
Supported Topologies
两电平电压源, 三电平NP钳位 - 类型1, 三电平NP钳位 - 类型2, 多电平NP钳位
|
Supply Voltage (Typ)
15 V
|
Gate Turn-on Voltage
+15.0 V
|
Gate Turn-off Voltage
--10.1 V
|
Power - Output/Channel (Max)
6.0 W
|
Gate Peak Current (Max)
+35 A
|
Isolation Type
加强型
|
Isolation Technology
电隔离
|
Max Switching Frequency
100.0 kHz
|
Time - Output Fall
20 ns
|
Time - Output Rise
20 ns
|
Driving Mode
半桥, 直接独立
|
Main/Peripheral
N/A
|
Options Info
Conformal Coated Version 2SC0435T2F1C-17
|
Paralleling Support?
No
|
||
|
Data Sheet
View Data Sheet
|
IGBT Voltage Class
1700 V
|
Number of Channels
2
|
Conformal Coated?
Yes
|
Supported Module Type
IGBT, N沟道MOSFET
|
Logic Input Voltage
5
|
Protection Features
高级有源钳位, 短路, 欠压(次级侧), 欠压(初级侧)
|
Technology
SCALE-2+
|
Interface Type
电气
|
Supported Topologies
两电平电压源, 三电平NP钳位 - 类型1, 三电平NP钳位 - 类型2, 多电平NP钳位
|
Supply Voltage (Typ)
15 V
|
Gate Turn-on Voltage
+15.0 V
|
Gate Turn-off Voltage
--10.1 V
|
Power - Output/Channel (Max)
6.0 W
|
Gate Peak Current (Max)
+35 A
|
Isolation Type
加强型
|
Isolation Technology
电隔离
|
Max Switching Frequency
100.0 kHz
|
Time - Output Fall
20 ns
|
Time - Output Rise
20 ns
|
Driving Mode
半桥, 直接独立
|
Main/Peripheral
N/A
|
|
Paralleling Support?
No
|
||
|
Data Sheet
View Data Sheet
|
IGBT Voltage Class
1700 V
|
Number of Channels
2
|
Conformal Coated?
No
|
Supported Module Type
IGBT, N沟道MOSFET
|
Logic Input Voltage
5
|
Protection Features
高级有源钳位, 短路, 欠压(次级侧), 欠压(初级侧)
|
Technology
SCALE-2+
|
Interface Type
电气
|
Supported Topologies
两电平电压源, 三电平NP钳位 - 类型1, 三电平NP钳位 - 类型2, 多电平NP钳位
|
Supply Voltage (Typ)
15 V
|
Gate Turn-on Voltage
+15.0 V
|
Gate Turn-off Voltage
--10.1 V
|
Power - Output/Channel (Max)
6.0 W
|
Gate Peak Current (Max)
+35 A
|
Isolation Type
加强型
|
Isolation Technology
电隔离
|
Max Switching Frequency
100.0 kHz
|
Time - Output Fall
20 ns
|
Time - Output Rise
20 ns
|
Driving Mode
半桥, 直接独立
|
Main/Peripheral
N/A
|
|
Paralleling Support?
No
|
||
|
Data Sheet
View Data Sheet
|
IGBT Voltage Class
1700 V
|
Number of Channels
2
|
Conformal Coated?
Yes
|
Supported Module Type
IGBT, N沟道MOSFET
|
Logic Input Voltage
5
|
Protection Features
高级有源钳位, 短路, 欠压(次级侧), 欠压(初级侧)
|
Technology
SCALE-2+
|
Interface Type
电气
|
Supported Topologies
两电平电压源, 三电平NP钳位 - 类型1, 三电平NP钳位 - 类型2, 多电平NP钳位
|
Supply Voltage (Typ)
15 V
|
Gate Turn-on Voltage
+15.0 V
|
Gate Turn-off Voltage
--10.1 V
|
Power - Output/Channel (Max)
6.0 W
|
Gate Peak Current (Max)
+35 A
|
Isolation Type
加强型
|
Isolation Technology
电隔离
|
Max Switching Frequency
100.0 kHz
|
Time - Output Fall
20 ns
|
Time - Output Rise
20 ns
|
Driving Mode
半桥, 直接独立
|
Main/Peripheral
N/A
|
|
Paralleling Support?
No
|
||
|
Data Sheet
View Data Sheet
|
IGBT Voltage Class
1700 V
|
Number of Channels
2
|
Conformal Coated?
No
|
Supported Module Type
IGBT, N沟道MOSFET
|
Logic Input Voltage
5
|
Protection Features
高级有源钳位, 短路, 欠压(次级侧), 欠压(初级侧)
|
Technology
SCALE-2+
|
Interface Type
电气
|
Supported Topologies
两电平电压源, 三电平NP钳位 - 类型1, 三电平NP钳位 - 类型2, 多电平NP钳位
|
Supply Voltage (Typ)
15 V
|
Gate Turn-on Voltage
+15.0 V
|
Gate Turn-off Voltage
--10.1 V
|
Power - Output/Channel (Max)
6.0 W
|
Gate Peak Current (Max)
+35 A
|
Isolation Type
加强型
|
Isolation Technology
电隔离
|
Max Switching Frequency
100.0 kHz
|
Time - Output Fall
20 ns
|
Time - Output Rise
20 ns
|
Driving Mode
半桥, 直接独立
|
Main/Peripheral
N/A
|
Options Info
Conformal Coated Version 2SC0435T2H0C-17
|
Paralleling Support?
No
|
||
|
Data Sheet
View Data Sheet
|
IGBT Voltage Class
1700 V
|
Number of Channels
2
|
Conformal Coated?
Yes
|
Supported Module Type
IGBT, N沟道MOSFET
|
Logic Input Voltage
5
|
Protection Features
高级有源钳位, 短路, 欠压(次级侧), 欠压(初级侧)
|
Technology
SCALE-2+
|
Interface Type
电气
|
Supported Topologies
两电平电压源, 三电平NP钳位 - 类型1, 三电平NP钳位 - 类型2, 多电平NP钳位
|
Supply Voltage (Typ)
15 V
|
Gate Turn-on Voltage
+15.0 V
|
Gate Turn-off Voltage
--10.1 V
|
Power - Output/Channel (Max)
6.0 W
|
Gate Peak Current (Max)
+35 A
|
Isolation Type
加强型
|
Isolation Technology
电隔离
|
Max Switching Frequency
100.0 kHz
|
Time - Output Fall
20 ns
|
Time - Output Rise
20 ns
|
Driving Mode
半桥, 直接独立
|
Main/Peripheral
N/A
|
|
Paralleling Support?
No
|
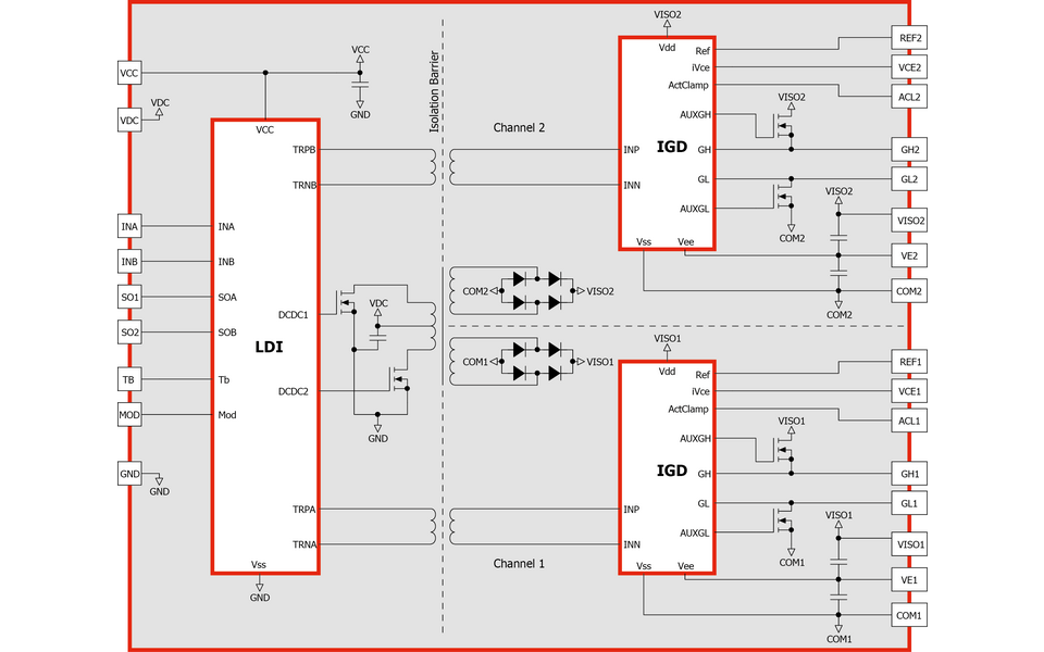
2SC0435T是一款新型的SCALE-2双通道驱动核,融合了设计紧凑、可靠性高与应用广泛的特点。2SC0435T可以驱动3600A/1700V以下的所有常见IGBT模块。这款驱动器支持多个驱动器直接并联,即使在额定功率更高的应用中,也能够实现简单的逆变器设计,并可支持多电平拓扑应用。
技术优势
2SC0435T是我们目前在工业应用中最紧凑的驱动核之一,尺寸仅有57.2 x 51.6 mm高度为20 mm。与传统解决方案相比,SCALE-2芯片组可将元件数量减少多达85%,因此能够显著地提高可靠性,并降低成本。
2SC0435T具备了双通道驱动核所必需的所有元件及功能,包括:隔离的DC/DC电源、短路保护以及电源电压监控功能。驱动器的原方与副方隔离,两个输出通道之间也隔离。
IGBT模式
每个输出通道都可以提供35 A的输出电流和4 W的驱动功率,使2SC0435T适合驱动大功率模块和并联IGBT模块。在IGBT模式下,驱动器可产生+15 V / –10V的门极电压摆幅。对开通电压进行稳压,无论输出功率如何都使其保持在稳定的+15 V。
EMC性能优异,即使在要求严苛的工业环境中也能安全可靠地运行。2SC0435T适合耐压1700 V以内的大功率IGBT。
MOSFET模式
2SC0435T内置了专用的MOSFET模式。它允许+10 V…+20 V / 0 V的任何门极电压摆幅,以最大限度地利用驱动器的100 kHz的开关速度。
2SC0435T驱动核输出功率高、延迟时间极短且抖动极小,专为大功率和超快速开关而设计,充分发掘最新的MOS功率器件的功能。
驱动并联的IGBT
带有独立驱动器的IGBT模块可实现任意数量的直接并联。驱动器直接并联是一种崭新的、开创性的概念,这使得IGBT并联的技术门槛大大降低,客户无需花太多时间对均流性进行调试。
2SC0435T可以驱动1700V以内的所有常见大功率IGBT模块。其高度集成和高性价比的特点,提供了广泛的应用范围,尤其是太阳能和风能逆变器应用。
