解决方案搜寻 技术支持

2SC0106T

双通道SCALE-2+驱动核,最高的集成水平,适用于10至75kVA的逆变器设计,以最经济的方式完整通过安全认证

筛选器 筛选产品
隐藏筛选器
Filter Products
显示1 - 2项产品, 共2项
Product Parts
产品
数据手册
IGBT功率等级
通道数
三防漆?
支持的模块
保护功能
技术
支持的拓扑
接口类型
电源电压 (典型)
门极导通电压
门极关断电压
输出功率/通道-最大
门极峰值电流(最大)
隔离类型
隔离技术
最大开关频率
時間 - 輸出下降
時間 - 輸出上升
UL合规
驱动模式
主/外围
选项信息
并行支持?
ROMS
IGBT Voltage Class 1200 V
Number of Channels 2
Conformal Coated? No
Supported Module Type IGBT, N沟道MOSFET
Protection Features 基本有源钳位, 软关断, 短路, 欠压(次级侧), 欠压(初级侧)
Technology SCALE-2+
Supported Topologies 两电平电压源
Interface Type 电气
Supply Voltage (Typ) 15 V
Gate Turn-on Voltage +15.0 V
Gate Turn-off Voltage --10.2 V
Power - Output/Channel (Max) 1.2 W
Gate Peak Current (Max) +6 A
Isolation Type 加强型
Isolation Technology 电隔离
Max Switching Frequency 50.0 kHz
Time - Output Fall 13 ns
Time - Output Rise 20 ns
UL Compliant 认可
Driving Mode 直接独立
Main/Peripheral N/A
Options Info Conformal Coated Version  2SC0106T2A1C-12
ROMS
IGBT Voltage Class 1200 V
Number of Channels 2
Conformal Coated? Yes
Supported Module Type IGBT, N沟道MOSFET
Protection Features 基本有源钳位, 软关断, 短路, 欠压(次级侧), 欠压(初级侧)
Technology SCALE-2+
Supported Topologies 两电平电压源
Interface Type 电气
Supply Voltage (Typ) 15 V
Gate Turn-on Voltage +15.0 V
Gate Turn-off Voltage --10.2 V
Power - Output/Channel (Max) 1.2 W
Gate Peak Current (Max) +6 A
Isolation Type 加强型
Isolation Technology 电隔离
Max Switching Frequency 50.0 kHz
Time - Output Fall 13 ns
Time - Output Rise 20 ns
Driving Mode 直接独立
Main/Peripheral N/A
Paralleling Support? No

产品详情

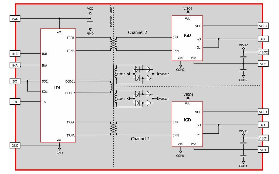
The dual-channel gate driver core 2SC0106T, equipped with the new SCALE-2+ chipset, is a high-performance two-channel IGBT/MOSFET gate driver core for 1200 V IGBTs in the 37 kW to 110 kW power range. The 2SC0106T drives 600 V to 1200 V IGBTs with collector currents up to 450 A and switches at frequencies up to 50 kHz.

The new SCALE-2+ technology enables soft shutdown (SSD) to be implemented in the event of a short circuit without requiring additional components. This is particularly beneficial in applications with low stray-inductance where full Advanced Active Clamping – a method invented by CONCEPT for shutting down IGBTs or MOSFETs in a controlled manner under any circumstances - may not be necessary.

UL-recognized under E321757 for UL508C and E346491 for UL60950-1 is planned.

与基于光耦的解决方案相比,有更高的性价比,安全隔离性能更高,且不会有参数衰减。

  • SCALE-2+芯片组
  • 新的管脚,支持手工焊接、波峰焊接及其他可选的焊接工艺
  • 新的管脚长度(2.54mm;3.1mm;5.84mm),支持2mm PCB板厚
  • 完全无铅
  • 均采用了EMC增强型技术
  • 电气及机械性能保持不变
  • 100%向下兼容
  • 所有型号均通过UL认证,且符合UL508C标准
  • 双通道驱动核,可驱动耐压在1200V以内的IGBT
  • ±6A门极电流,+15V/-8V门极驱动电压
  • 每个通道功率为1 W(85°C)
  • 板载DC/DC电源
  • 高可靠性(元件数量减少)
  • 一流的隔离技术
  • 采用局部放电测试的绝缘技术
  • 延迟时间<100ns,最高开关频率为50kHz
  • 符合IEC 61800-5-1和IEC 60664-1的安全隔离标准
  • 通过UL认证(认证号为UL508C标准中的E321757和UL60950-1标准中的E346491)
  • 工作温度-20℃——+85℃(105℃时降额使用)
  • 符合RoHS标准
  • 可提供原厂三防漆涂覆