HiperLCS-2
고효율, 오프라인 LLC 스위처 IC 칩셋:
- HiperLCS2-HB, 600V FREDFET이 통합된 하프 브리지 파워 디바이스, 및
- HiperLCS2-SR, 동기 정류 및 Fluxlink 피드백 기능이 포함된 안전 절연 디바이스
참고: HiperLCS-2는 HiperPFS-5 PFC IC와 함께 사용할 수 있습니다.
애플리케이션
고효율, 오프라인 LLC 스위처 IC 칩셋:
참고: HiperLCS-2는 HiperPFS-5 PFC IC와 함께 사용할 수 있습니다.
|
제품
|
제품
|
데이터 시트
|
출력 전력 (최대) - 마디 없는, 380V
|
출력 전력 (최대) - 피크, 380V
|
항복 전압
|
스위칭 주파수 (최대)
|
평균 스위칭 주파수 (230 VAC)
|
스위칭 주파수 (최소)
|
제어 체계
|
토폴로지
|
내부 스위치
|
출력 프로파일
|
상품 유형
|
IC 패키지
|
출력 전압 (최소)
|
입력 전압 (최소, DC)
|
입력 전압 (최대, DC)
|
보호 기능
|
과열 반응
|
고장 보고
|
자동 재시작 및 과전압 응답
|
2 차 응답
|
작동 온도 (최소)
|
작동 온도 (최대)
|
MSL 등급
|
|
|---|---|---|---|---|---|---|---|---|---|---|---|---|---|---|---|---|---|---|---|---|---|---|---|---|---|---|
|
Data Sheet
View Data Sheet
|
Output Power (Max) - Continuous, 380V
80 W
|
Output Power (Max) - Peak, 380V
135 W
|
Breakdown Voltage
600 V
|
|
|
|
|
Topology
LLC 하프 브리지
|
Internal Switch
Yes
|
Output Profile
CV
|
Product Type
IC
|
IC Package
InSOP-24C
|
Voltage - Output (Min)
5 V
|
Voltage Input (Min, DC)
345V
|
Voltage Input (Max, DC)
440V
|
Protection Features
입력 과전압, 입력 저전압, 출력 과전압, 출력 저전압, 과열
|
Over-Temperature Response
자동 재시작, 히스테리틱, 래치 오프
|
Fault Reporting
결함 버스
|
Auto-Restart & Overvoltage Response
자동 재시작, 래치 오프
|
Secondary Response
자동 재시작, 래치 오프
|
Temperature - Operating (Min)
-40 °C
|
Temperature - Operating (Max)
150 °C
|
MSL Rating
3
|
|
||
|
Data Sheet
View Data Sheet
|
Output Power (Max) - Continuous, 380V
120 W
|
Output Power (Max) - Peak, 380V
205 W
|
Breakdown Voltage
600 V
|
|
|
|
|
Topology
LLC 하프 브리지
|
Internal Switch
Yes
|
Output Profile
CV
|
Product Type
IC
|
IC Package
InSOP-24C
|
Voltage - Output (Min)
5 V
|
Voltage Input (Min, DC)
345V
|
Voltage Input (Max, DC)
440V
|
Protection Features
입력 과전압, 입력 저전압, 출력 과전압, 출력 저전압, 과열
|
Over-Temperature Response
자동 재시작, 히스테리틱, 래치 오프
|
Fault Reporting
결함 버스
|
Auto-Restart & Overvoltage Response
자동 재시작, 래치 오프
|
Secondary Response
자동 재시작, 래치 오프
|
Temperature - Operating (Min)
-40 °C
|
Temperature - Operating (Max)
150 °C
|
MSL Rating
3
|
|
||
|
Data Sheet
View Data Sheet
|
Output Power (Max) - Continuous, 380V
220 W
|
Output Power (Max) - Peak, 380V
375 W
|
Breakdown Voltage
600 V
|
|
|
|
|
Topology
LLC 하프 브리지
|
Internal Switch
Yes
|
Output Profile
CV
|
Product Type
IC
|
IC Package
InSOP-24C
|
Voltage - Output (Min)
5 V
|
Voltage Input (Min, DC)
345V
|
Voltage Input (Max, DC)
440V
|
Protection Features
입력 과전압, 입력 저전압, 출력 과전압, 출력 저전압, 과열
|
Over-Temperature Response
자동 재시작, 히스테리틱, 래치 오프
|
Fault Reporting
결함 버스
|
Auto-Restart & Overvoltage Response
자동 재시작, 래치 오프
|
Secondary Response
자동 재시작, 래치 오프
|
Temperature - Operating (Min)
-40 °C
|
Temperature - Operating (Max)
150 °C
|
MSL Rating
3
|
|
||
|
Data Sheet
View Data Sheet
|
Output Power (Max) - Continuous, 380V
460 W
|
Output Power (Max) - Peak, 380V
780 W
|
Breakdown Voltage
600 V
|
|
|
|
|
Topology
LLC 하프 브리지
|
Internal Switch
Yes
|
Output Profile
CV
|
Product Type
IC
|
IC Package
POWeDIP-20B
|
Voltage - Output (Min)
5 V
|
Voltage Input (Min, DC)
345V
|
Voltage Input (Max, DC)
440V
|
Protection Features
입력 과전압, 입력 저전압, 출력 과전압, 출력 저전압, 과열
|
Over-Temperature Response
자동 재시작, 히스테리틱, 래치 오프
|
Fault Reporting
결함 버스
|
Auto-Restart & Overvoltage Response
자동 재시작, 래치 오프
|
Secondary Response
자동 재시작, 래치 오프
|
Temperature - Operating (Min)
-40 °C
|
Temperature - Operating (Max)
150 °C
|
MSL Rating
3
|
|
||
|
Data Sheet
View Data Sheet
|
Output Power (Max) - Continuous, 380V
720 W
|
Output Power (Max) - Peak, 380V
1225 W
|
Breakdown Voltage
600 V
|
|
|
|
|
Topology
LLC 하프 브리지
|
Internal Switch
Yes
|
Output Profile
CV
|
Product Type
IC
|
IC Package
POWeDIP-20B
|
Voltage - Output (Min)
5 V
|
Voltage Input (Min, DC)
345V
|
Voltage Input (Max, DC)
440V
|
Protection Features
입력 과전압, 입력 저전압, 출력 과전압, 출력 저전압, 과열
|
Over-Temperature Response
자동 재시작, 히스테리틱, 래치 오프
|
Fault Reporting
결함 버스
|
Auto-Restart & Overvoltage Response
자동 재시작, 래치 오프
|
Secondary Response
자동 재시작, 래치 오프
|
Temperature - Operating (Min)
-40 °C
|
Temperature - Operating (Max)
150 °C
|
MSL Rating
3
|
|
||
|
Data Sheet
View Data Sheet
|
Output Power (Max) - Continuous, 380V
1440 W
|
Output Power (Max) - Peak, 380V
2450 W
|
Breakdown Voltage
600 V
|
|
|
|
|
Topology
LLC 하프 브리지
|
Internal Switch
Yes
|
Output Profile
CV
|
Product Type
IC
|
IC Package
POWeDIP-20B
|
Voltage - Output (Min)
5 V
|
Voltage Input (Min, DC)
345V
|
Voltage Input (Max, DC)
440V
|
Protection Features
입력 과전압, 입력 저전압, 출력 과전압, 출력 저전압, 과열
|
Over-Temperature Response
자동 재시작, 히스테리틱, 래치 오프
|
Fault Reporting
결함 버스
|
Auto-Restart & Overvoltage Response
자동 재시작, 래치 오프
|
Secondary Response
자동 재시작, 래치 오프
|
Temperature - Operating (Min)
-40 °C
|
Temperature - Operating (Max)
150 °C
|
MSL Rating
3
|
|
||
|
Data Sheet
View Data Sheet
|
|
|
|
Switching Frequency (max)
135 kHz
|
Switching Frequency (Avg. 230 VAC)
90 kHz
|
Switching Frequency (min)
23 kHz
|
Control Scheme
Fluxlink
|
|
|
|
Product Type
IC
|
IC Package
InSOP-24D
|
Voltage - Output (Min)
5 V
|
Voltage Input (Min, DC)
345V
|
Voltage Input (Max, DC)
440V
|
Protection Features
입력 저전압, 개방 SR FET 감지, 출력 과부하, 출력 과전압, 출력 단락, 과열
|
|
|
Auto-Restart & Overvoltage Response
자동 재시작
|
Secondary Response
자동 재시작
|
Temperature - Operating (Min)
-40 °C
|
Temperature - Operating (Max)
150 °C
|
MSL Rating
3
|
|
||
|
Data Sheet
View Data Sheet
|
|
|
|
Switching Frequency (max)
183 kHz
|
Switching Frequency (Avg. 230 VAC)
120 kHz
|
Switching Frequency (min)
30 kHz
|
Control Scheme
Fluxlink
|
|
|
|
Product Type
IC
|
IC Package
InSOP-24D
|
Voltage - Output (Min)
5 V
|
Voltage Input (Min, DC)
345V
|
Voltage Input (Max, DC)
440V
|
Protection Features
입력 저전압, 개방 SR FET 감지, 출력 과부하, 출력 과전압, 출력 단락, 과열
|
|
|
Auto-Restart & Overvoltage Response
자동 재시작
|
Secondary Response
자동 재시작
|
Temperature - Operating (Min)
-40 °C
|
Temperature - Operating (Max)
150 °C
|
MSL Rating
3
|
|
||
|
Data Sheet
View Data Sheet
|
|
|
|
Switching Frequency (max)
270 kHz
|
Switching Frequency (Avg. 230 VAC)
180 kHz
|
Switching Frequency (min)
45 kHz
|
Control Scheme
Fluxlink
|
|
|
|
Product Type
IC
|
IC Package
InSOP-24D
|
Voltage - Output (Min)
5 V
|
Voltage Input (Min, DC)
345V
|
Voltage Input (Max, DC)
440V
|
Protection Features
입력 저전압, 개방 SR FET 감지, 출력 과부하, 출력 과전압, 출력 단락, 과열
|
|
|
Auto-Restart & Overvoltage Response
자동 재시작
|
Secondary Response
자동 재시작
|
Temperature - Operating (Min)
-40 °C
|
Temperature - Operating (Max)
150 °C
|
MSL Rating
3
|
|
||
|
Data Sheet
View Data Sheet
|
|
|
|
Switching Frequency (max)
366 kHz
|
Switching Frequency (Avg. 230 VAC)
240 kHz
|
Switching Frequency (min)
60 kHz
|
Control Scheme
Fluxlink
|
|
|
|
Product Type
IC
|
IC Package
InSOP-24D
|
Voltage - Output (Min)
5 V
|
Voltage Input (Min, DC)
345V
|
Voltage Input (Max, DC)
440V
|
Protection Features
입력 저전압, 개방 SR FET 감지, 출력 과부하, 출력 과전압, 출력 단락, 과열
|
|
|
Auto-Restart & Overvoltage Response
자동 재시작
|
Secondary Response
자동 재시작
|
Temperature - Operating (Min)
-40 °C
|
Temperature - Operating (Max)
150 °C
|
MSL Rating
3
|
|
||
|
Data Sheet
View Data Sheet
|
|
|
|
Switching Frequency (max)
366 kHz
|
Switching Frequency (Avg. 230 VAC)
240 kHz
|
Switching Frequency (min)
60 kHz
|
Control Scheme
Fluxlink
|
|
|
|
Product Type
IC
|
IC Package
InSOP-24D
|
Voltage - Output (Min)
5 V
|
Voltage Input (Min, DC)
345V
|
Voltage Input (Max, DC)
440V
|
Protection Features
입력 저전압, 개방 SR FET 감지, 출력 과부하, 출력 과전압, 출력 단락, 과열
|
|
|
Auto-Restart & Overvoltage Response
자동 재시작
|
Secondary Response
자동 재시작
|
Temperature - Operating (Min)
-40 °C
|
Temperature - Operating (Max)
150 °C
|
MSL Rating
3
|
|
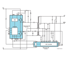
HiperLCS™-2 칩셋은 히트싱크 없이 최대 220W의 전원 공급 장치에서 높은 효율성과 컴팩트한 크기를 달성하며, 히트싱크를 사용하여 최대 1650W의 전원 공급 장치에서 높은 효율성과 컴팩트한 크기를 달성합니다. 이 IC 칩셋은 LLC 공진 전력 변환기의 설계 및 제조를 단순화합니다. HiperLCS2-HB (LCS726x) 1차 측 장치는 제어, 레벨 시프팅, 드라이브 및 자체 전원 시작을 갖춘 하프 브리지 배열에 600V FREDFET을 통합합니다. HiperLCS2-SR (LSR2000C) 마스터 컨트롤러 장치는 강화된 절연 피드백, 출력 감지 및 SR 관리를 제공합니다.
HiperLCS-2 칩셋은 라인 과전압 및 저전압 보호, 출력 과전압 및 과온도 셧다운을 포함한 여러 보호 기능을 통합합니다. 장치 고장 응답 옵션은 충전기, 어댑터, 소비자 전자 제품 및 산업 시스템과 같은 애플리케이션에서 요구되는 래칭 및 자동 재시작 동작의 일반적인 조합을 지원합니다.
