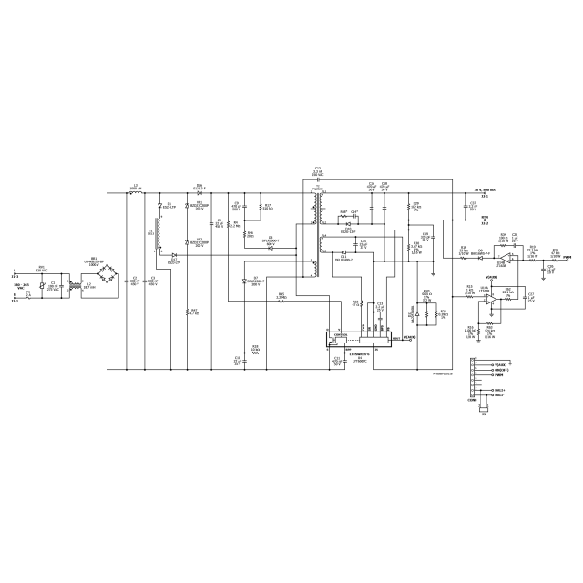
DER-660 - 29 W High Power Factor, Isolated Flyback LED Driver with DALI Dimming 29 W High Power Factor, Isolated Flyback LED Driver with DALI Dimming Using LYTSwitch-6 (LYT6067C) PDF 다운로드 PDF 보기 Login Required A MyPI account is required to receive email notifications for document updates. Please login or register for an account to continue. Continue × 업데이트 알림 받기 애플리케이션 제품 LYTSwitch-6
명세서 Design Type Design Example Reports (DER) 토폴로지 Flyback RoHS? Yes Vout 1 36.00 V Vin (min) 180 Vin (max) 265 TRIAC dimmable? Yes CV/CC CV/CC Efficiency 86.00% EU ErP Compliant? Yes 절연? Yes LineComp No Number of outputs 1 출력 전력 29.00 W OVP? Yes PFC? No Associated Parts LYT6067C Gerber File der-660_gerber.zip