ソリューション ファインダー 技術サポート

1SP0350

デジタル SCALE™-2 プラグアンドプレイ IGBT/IEGT ゲート ドライバ

この製品は、製造終了ステータスのため、使用できません。
アプリケーション

製品詳細

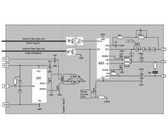
1SP0350V SCALE™-2 シングルチャンネル プラグアンドプレイ ゲート ドライバは、4500 V プレスパック IEGT 及び IGBT やその他の IEGT 及び IGBT モジュールを安全かつ確実に駆動するように特別に設計されており、HVDC や鉄道技術のような高い信頼性が必要な用途に最適です。

1SP0350 ゲート ドライバは、Power Integrations の SCALE-2 チップセットをベースとしています。1SP0350 は、SCALE-2 技術により開発された、自律型の高集積、高性能、完全な超小型シングルチャンネル ゲート ドライバです。SCALE-2 チップセットでは、従来のソリューションと比較して部品点数が 85% 減少するため、大幅に信頼性が高くなり、コストが削減されます。このドライバにはダイナミック アドバンスト アクティブ クランプ (DAAC)、短絡保護、内蔵 DC/DC コンバータ、制御されたターンオン ゲート駆動電圧、ゲートエミッタ監視及び電源電圧監視のすべてが搭載されています。

このドライバは、さまざまなプレスパック IEGT 及び IGBT モジュールに対応しています。ドライバのプラグアンドプレイ機能により接続してすぐに使用できます。

Key Benefits
  • カスタムの混合信号 ASIC に実装された洗練されたデジタル制御アルゴリズムにより、正確で繰り返しの使用に耐えるドライブを実現
  • 部品点数の削減による、MTBF の向上及びドライバ サイズの縮小
  • 製造時に樹脂コーティングを施し、環境ロバスト性を向上
  • 使いやすさ - 操作は、ゲートドライバをモジュール及び光ファイバ リンクに接続するだけ
  • シンプルなプログラミング オプションにより、回路遮断器の DC 電圧を最適化
Key Features
  • シングルチャンネル ゲート ドライバ
  • 専用のデジタル制御対応混合信号 ASIC
  • 小型プラグアンドプレイ ソリューション
  • 光ファイバ インターフェイス
  • 回路遮断器用の +15/-10 V ゲート駆動、+20 V 構成 (?) オプション
  • 制御されたゲート エミッタ電圧
  • IGBT/IEGT 短絡保護
  • ダイナミック アドバンスト アクティブクランプ (DAAC)
  • 絶縁型 DC/DC コンバータを内蔵
  • IEC 基準に従った空間距離及び沿面距離
  • DC/DC 負荷監視