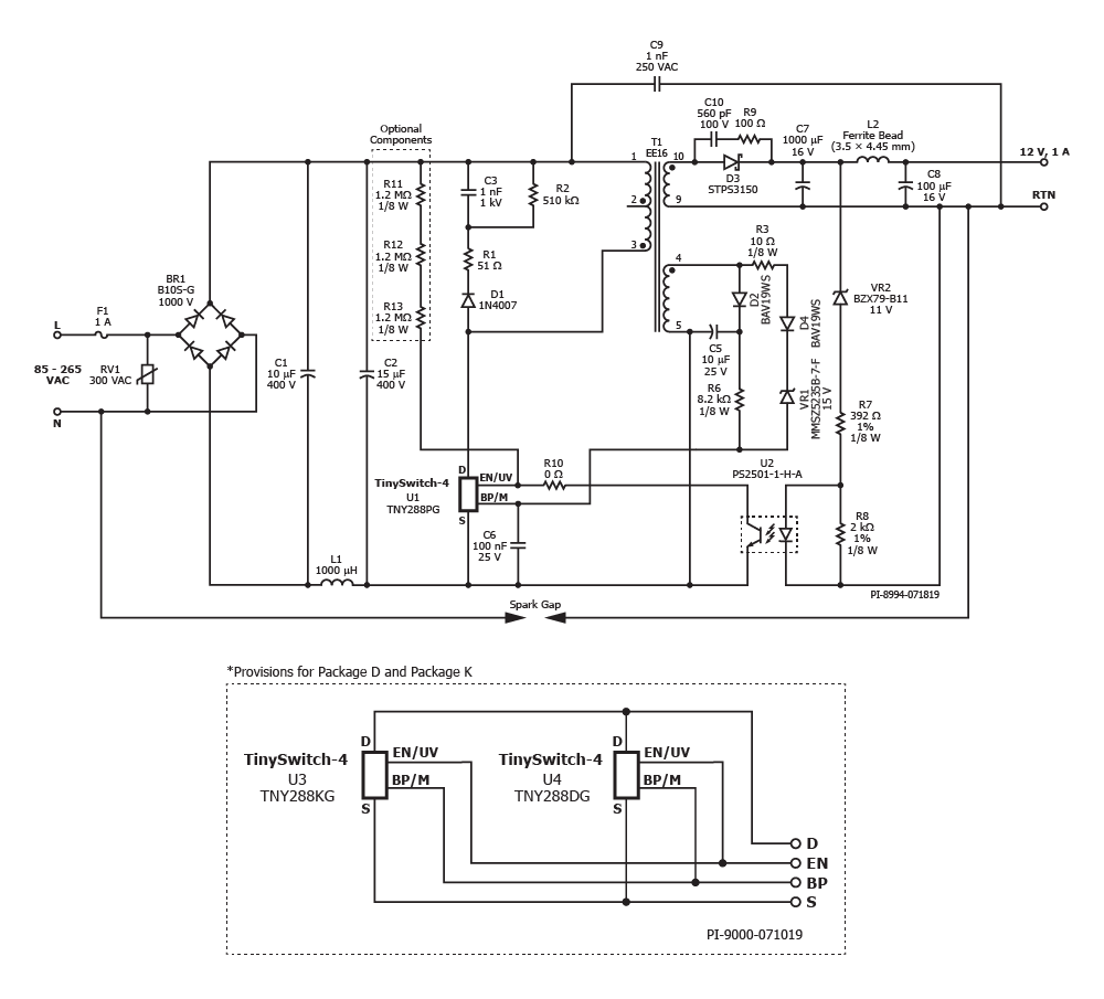
RDK-839 - 12 W Power Supply Using TinySwitch-4
12 W (85 VAC _ 265 VAC Input; 12 V, 1 A Output) Power Supply Using TinySwitch-4 (TNY288PG)
アプリケーション
仕様
Associated Product Numbers
TNY288PG
Design Type
Reference Design Reports (RDR)
トポロジー
Flyback
Vout 1
12.00 V
Vin (min)
85
Vin (max)
265
P (NoLoad)
30.00 mW
CV/CC
CV/CC
Efficiency
85.00%
EU ErP Compliant?
Yes
絶縁型?
Yes
Number of outputs
1
出力
12.00 W
OVP?
Yes
Associated Parts
TNY288PG
Gerber File
rdr-839_gerber.zip
(215.64 KB)
