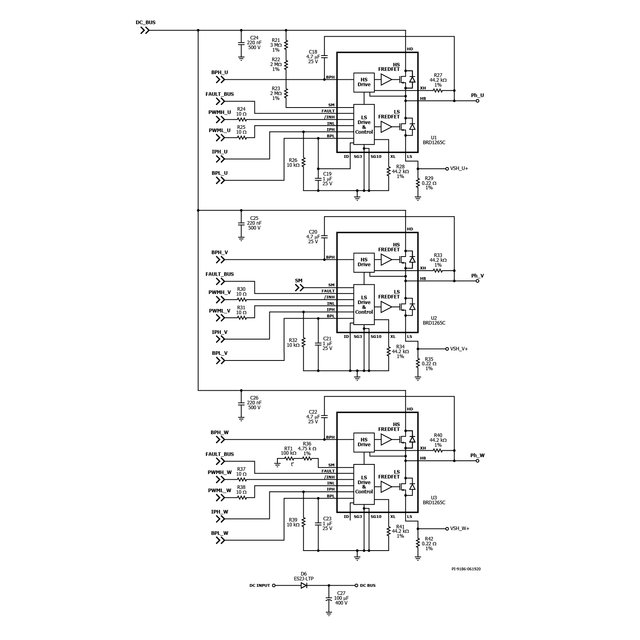
RDR-853 - 300 W High Thermal Performance 3-Phase Inverter Using BridgeSwitch Motor Driver and LinkSwitch-TN2
300 W 3-phase inverter for thermally challenged applications using BridgeSwitch BLDC Motor Driver IC (BRD1265C) and LinkSwitch-TN2 (LNK3204D) with in FOC operation (340 VDC input; 1 ARMS continuous motor phase current; 5000 RPM for 4-pole brushless sensorless motors)
