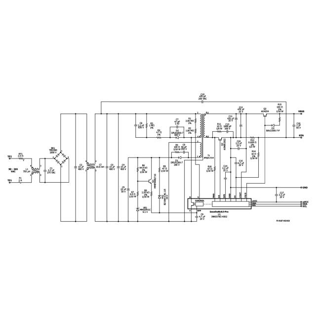
DER-908 - 30 W USB PD 3.0 with 3.3 V-21 V PPS Power Supply Using InnoSwitch3-Pro PowiGaN and VIA Labs VP302 Controller
30 W USB PD 3.0 with PPS charger using InnoSwitch3-Pro with PowiGaN (INN3378C-H302) and VIA Labs VP302 USB PD Controller
- 90 - 265 VAC Input
- Fixed PDO: 5 V/3 A; 9 V/3 A; 15 V/2 A; 20 V/1.5 A
- PPS: 3.3-11 V/3 A (30 W power-limited); 3.3-21 V/1.5 A (30 W power-limited)
