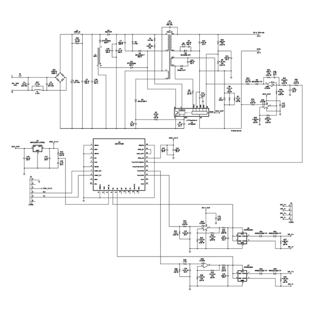
DER-646 - 9 W, Wide-Range, Isolated Flyback with Switched Valley-Fill, Bluetooth Track Light 9 W, Wide-Range, Isolated Flyback with Switched Valley-Fill, Bluetooth Track Light using LYTSwitch-6 (LYT6063C) with LensVector Beam Shaping Lens 下载PDF 查看PDF Login Required A MyPI account is required to receive email notifications for document updates. Please login or register for an account to continue. Continue × 文件更新请通知我 应用 产品 LYTSwitch-6
产品规格 设计类型 Design Example Reports (DER) 拓扑结构 Flyback RoHS? Yes Vout 1 30.00 V Vin (min) 90 Vin (max) 265 恒压/恒流 CV/CC 效率 84.00% EU ErP 合规? Yes 是否隔离? Yes LineComp No 输出数量 1 输出功率 9.00 W OVP? Yes PFC? No 使用产品型号 LYT6063C Gerber File der-646_gerber.zip (358.74 KB)