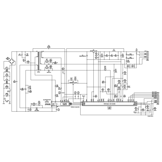
DER-636 - 40 W Multiple Output Power Supply with 4 LED Drivers for Computer Monitors using InnoSwitch3-MX and InnoMux Chipset
40 W multiple output flyback converter (85 VAC – 265 VAC input; 5 V / 3 A CV; (30 V – 50 V) / 25 W LED output; 4 LED strings) using InnoMux (IMX102U) and InnoSwitch3-MX (INN3468C) chipset
