|
製品
|
製品
|
データ シート
|
IGBT 電圧クラス
|
モジュールハウジング
|
サポートされているモジュール
|
IGBTのメーカー
|
サポートされているモジュールタイプ
|
ゲートターンオン電圧
|
ゲートターンオフ電圧
|
サポートされているトポロジ
|
保護機能
|
技術
|
供給電圧 (標準)
|
出力電力/チャネル-最大
|
Connection Type to IGBT
|
ドライブモード
|
ゲートピーク電流(最大)
|
インターフェイスタイプ
|
分離技術
|
隔離タイプ
|
ロジック入力電圧
|
最大スイッチング周波数 (kHz)
|
チャネル数
|
動作温度 - 最小
|
動作温度 - 最大
|
保管温度(最小)
|
保管温度(最大)
|
|
|---|---|---|---|---|---|---|---|---|---|---|---|---|---|---|---|---|---|---|---|---|---|---|---|---|---|---|---|---|
|
Data Sheet
View Data Sheet
|
IGBT Voltage Class
1700 V
|
Module Housing
62mm
|
Supported Module(s)
CAS300M17BM2
|
IGBT Manufacturer
Wolfspeed
|
Supported Module Type
炭化ケイ素
|
Gate Turn-on Voltage
+20.0 V
|
Gate Turn-off Voltage
-5.0 V
|
Supported Topologies
2レベル電圧源, 3レベルNPクランプ - タイプ1,
3レベルNPクランプ - タイプ2
|
Protection Features
高度アクティブクランピング, 過電圧, 短絡, 低電圧(セカンダリ側), 低電圧(プライマリ側)
|
Technology
SCALE-2
|
Supply Voltage (Typ)
15 V
|
Power - Output/Channel (Max)
1.3 W
|
Connection Type to IGBT
直接
|
Driving Mode
直接独立型
|
Gate Peak Current (Max)
+30 A
|
Interface Type
電気
|
Isolation Technology
ガルバニック
|
Isolation Type
強化型
|
Logic Input Voltage
15
|
Max Switching Frequency
92.0 kHz
|
Number of Channels
2
|
Temperature - Operating (Min)
-40 ℃
|
Temperature - Operating (Max)
85 ℃
|
Temperature - Storage (Min)
-40 ℃
|
Temperature - Storage (Max)
50 ℃
|
|
||
|
Data Sheet
View Data Sheet
|
IGBT Voltage Class
1200 V
|
Module Housing
62mm
|
Supported Module(s)
2MBI300XHA120-50
|
IGBT Manufacturer
Fuji
|
Supported Module Type
IGBT
|
Gate Turn-on Voltage
+15.0 V
|
Gate Turn-off Voltage
-10.0 V
|
Supported Topologies
2レベル電圧源, 3レベルNPクランプ - タイプ1,
3レベルNPクランプ - タイプ2
|
Protection Features
高度アクティブクランピング, 過電圧, 短絡, 低電圧(セカンダリ側), 低電圧(プライマリ側)
|
Technology
SCALE-2
|
Supply Voltage (Typ)
15 V
|
Power - Output/Channel (Max)
1.3 W
|
Connection Type to IGBT
直接
|
Driving Mode
直接独立型
|
Gate Peak Current (Max)
+30 A
|
Interface Type
電気
|
Isolation Technology
ガルバニック
|
Isolation Type
強化型
|
Logic Input Voltage
15
|
Max Switching Frequency
92.0 kHz
|
Number of Channels
2
|
Temperature - Operating (Min)
-40 ℃
|
Temperature - Operating (Max)
85 ℃
|
Temperature - Storage (Min)
-40 ℃
|
Temperature - Storage (Max)
50 ℃
|
|
||
|
Data Sheet
View Data Sheet
|
IGBT Voltage Class
1200 V
|
Module Housing
62mm
|
Supported Module(s)
CM450DY-24T
|
IGBT Manufacturer
Mitsubishi
|
Supported Module Type
IGBT
|
Gate Turn-on Voltage
+15.0 V
|
Gate Turn-off Voltage
-10.0 V
|
Supported Topologies
2レベル電圧源, 3レベルNPクランプ - タイプ1,
3レベルNPクランプ - タイプ2
|
Protection Features
高度アクティブクランピング, 過電圧, 短絡, 低電圧(セカンダリ側), 低電圧(プライマリ側)
|
Technology
SCALE-2
|
Supply Voltage (Typ)
15 V
|
Power - Output/Channel (Max)
1.3 W
|
Connection Type to IGBT
直接
|
Driving Mode
直接独立型
|
Gate Peak Current (Max)
+30 A
|
Interface Type
電気
|
Isolation Technology
ガルバニック
|
Isolation Type
強化型
|
Logic Input Voltage
15
|
Max Switching Frequency
92.0 kHz
|
Number of Channels
2
|
Temperature - Operating (Min)
-40 ℃
|
Temperature - Operating (Max)
85 ℃
|
Temperature - Storage (Min)
-40 ℃
|
Temperature - Storage (Max)
50 ℃
|
|
||
|
Data Sheet
View Data Sheet
|
IGBT Voltage Class
1200 V
|
Module Housing
62mm
|
Supported Module(s)
FF200R12KS4
|
IGBT Manufacturer
Infineon
|
Supported Module Type
IGBT
|
Gate Turn-on Voltage
+15.0 V
|
Gate Turn-off Voltage
-10.0 V
|
Supported Topologies
2レベル電圧源, 3レベルNPクランプ - タイプ1,
3レベルNPクランプ - タイプ2
|
Protection Features
高度アクティブクランピング, 過電圧, 短絡, 低電圧(セカンダリ側), 低電圧(プライマリ側)
|
Technology
SCALE-2
|
Supply Voltage (Typ)
15 V
|
Power - Output/Channel (Max)
1.3 W
|
Connection Type to IGBT
直接
|
Driving Mode
直接独立型
|
Gate Peak Current (Max)
+30 A
|
Interface Type
電気
|
Isolation Technology
ガルバニック
|
Isolation Type
強化型
|
Logic Input Voltage
15
|
Max Switching Frequency
92.0 kHz
|
Number of Channels
2
|
Temperature - Operating (Min)
-40 ℃
|
Temperature - Operating (Max)
85 ℃
|
Temperature - Storage (Min)
-40 ℃
|
Temperature - Storage (Max)
50 ℃
|
|
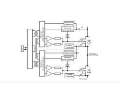
The Plug-and-Play 2SP0230T2x0 gate driver family is a compact double-channel gate driver designed for the operation of 62 mm half-bridge SiC and IGBT power modules up to 1700 V. The drivers feature electrical interface with built-in DC/DC power supplies. Power Integrations’ Advanced Active Clamping allows to turn-off safely within an extended DC-link voltage range.
This board requires a signal interface (Molex 53258-1029), available for order from Avnet, Digikey or Mouser.
