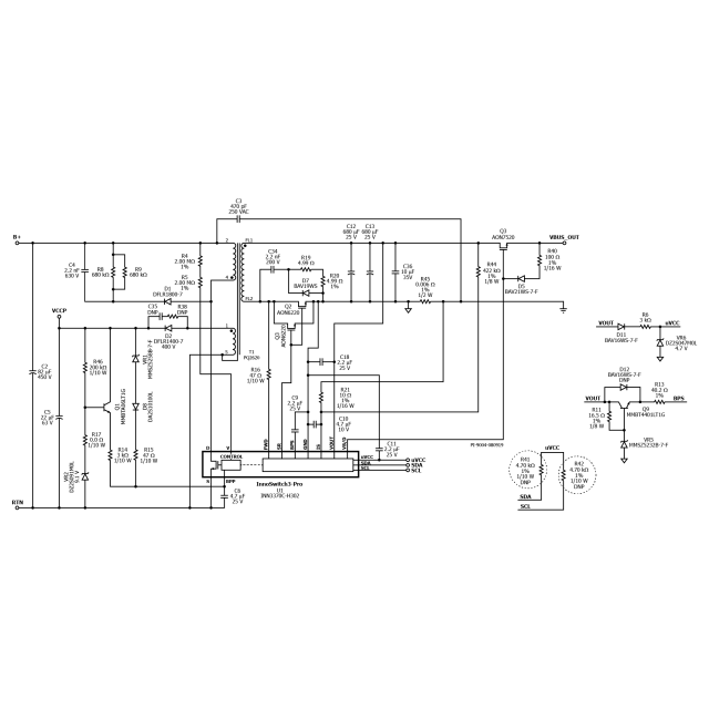
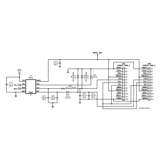
RDR-805 - 100 W USB PD 3.0 with 3.3 V-21 V PPS Power Supply Using InnoSwitch3-Pro and VIA Labs VP302 Controller
100 W USB PD 3.0 with PPS charger (3.3 V/5 A; 5 V/5 A; 9 V/5 A; 15 V/5 A; 20 V/5 A; 3.3 V-21 V PPS outputs) using InnoSwitch3-Pro (INN3370C-H302 featuring PowiGaN Technology) and VIA Labs VP302 USB PD controller
