RDR-641 - 40 W Variable Output (3 V to 8 V, 5 A; 8 V – 20 V Constant Power) Supply Using InnoSwitch3-Pro and Microchip’s PIC16F18325 Microcontroller PDF をダウンロード PDF を表示 RDK利用可能 Login Required A MyPI account is required to receive email notifications for document updates. Please login or register for an account to continue. Continue × アップデートの通知を受け取る アプリケーション 製品 InnoSwitch3-Pro
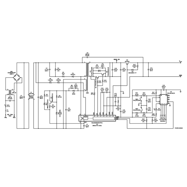
仕様 Design Type Reference Design Reports (RDR) トポロジー Flyback RoHS? Yes Vout (min) 3.00 V Vout (max) 20.00 V Vout 1 3.00 V Vout 2 8.00 V Vout 3 20.00 V Vin (min) 85 Vin (max) 265 Variable Power Output Yes P (NoLoad) 29.00 mW CV/CC CV/CC Efficiency 88.00% EU ErP Compliant? Yes 絶縁型? Yes Number of outputs 1 出力 40.00 W OVP? Yes PFC? No Associated Parts INN3377C Gerber File rdr-641_gerber.zip (303.97 KB)