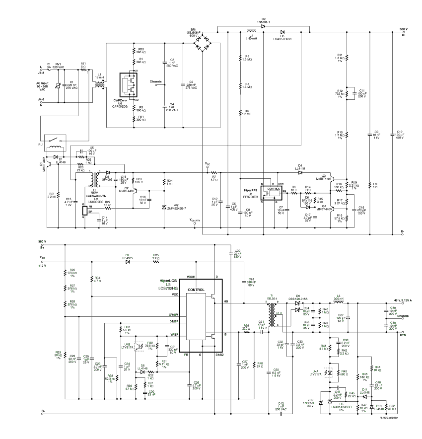
RDR-292 - Reference Design Report for a 150 W LLC Power Supply for LED Street Lighting PDF をダウンロード PDF を表示 Login Required A MyPI account is required to receive email notifications for document updates. Please login or register for an account to continue. Continue × アップデートの通知を受け取る アプリケーション 製品 HiperLCS
仕様 Design Type Reference Design Reports (RDR) トポロジー Flyback RoHS? Yes Vout 1 48.00 V Vin (min) 90 Vin (max) 265 CV/CC CV/CC Efficiency 91.00% 絶縁型? No 出力 150.00 W PFC? Yes Associated Parts LCS702HG Gerber File rd292gerber.zip