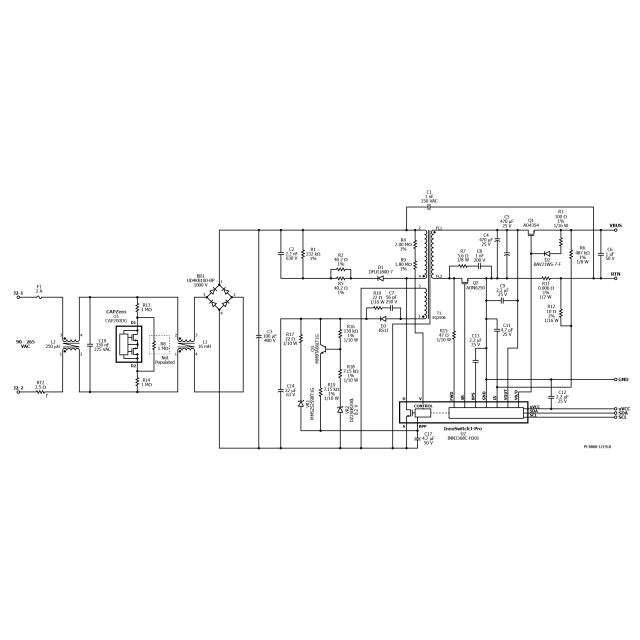
DER-804 - 45 W USB PD 3.0 with 3.3 V-21 V PPS (APDO 5 A for 3.3 V-5.9 V) Power Supply Using InnoSwitch3-Pro and VIA Labs VP302 Controller
45 W USB PD 3.0 with PPS charger using InnoSwitch3-Pro (INN3368C-H301) and VIA Labs VP302 USB PD Controller
- Fixed PDP: 5 V/5 A; 9 V/3 A; 15 V/3 A; 20 V/2.25 A
- PPS: 3.3 V-21 V output
- PPS APDO: 5 A (3.3 V-5.9V, with e-marked 5 A cable)
