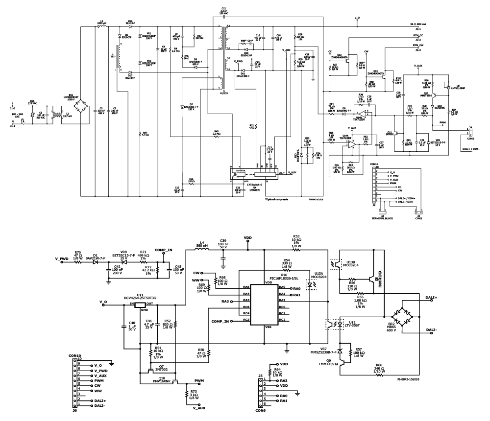
DER-754 -29 W High Power Factor Isolated Flyback LED Driver Using LYTSwitch-6 with 3-in-1, DALI Dimming and CCT Toggle
29 W high power factor isolated flyback LED driver (180 VAC – 265 VAC input; 36 V, 800 mA output) using LYTSwitch-6 (LYT6067C) with 3-in-1, DALI dimming and CCT toggle
