DER-393 - 100 W Low Profile TV Power Supply PDF をダウンロード PDF を表示 Login Required A MyPI account is required to receive email notifications for document updates. Please login or register for an account to continue. Continue × アップデートの通知を受け取る アプリケーション 製品 HiperPFS-3
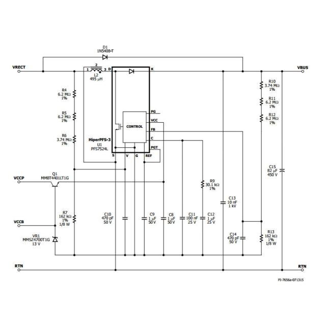
仕様 Design Type Design Example Reports (DER) トポロジー Flyback Vout 1 12.00 V Vout 2 24.00 V Vin (min) 90 Vin (max) 264 絶縁型? Yes Number of outputs 2 出力 100.00 W OVP? Yes Gerber File rd393gerber.zip