解决方案查找器 技術支援

1SC2060P

Single-channel SCALE-2 driver core with Planar transformers, 60 A gate current for driving large IGBT modules in parallel, 20 W output power for high-frequency applications up to 500 kHz

過濾器 Filter Products
隱藏篩選器
Filter Products
顯示1 - 1項產品, 共1項
Product Parts
產品
產品規格型錄
IGBT電壓等級
通道數
保形塗層?
支持的模組種類
保護功能
技術
接口類型
支持的拓撲
閘極導通電壓
閘極關斷電壓
輸出功率/通道 - 最大
閘極峰值電流 (最大)
隔離類型
隔離技術
最大開關頻率
時間 - 輸出下降
時間 - 輸出上升
驅動模式
主/外圍
並行支持?
IGBT Voltage Class 1700 V
Number of Channels 15
Conformal Coated? No
Supported Module Type IGBT, N溝道MOSFET
Protection Features 高級有源鉗位, 短路, 欠壓(次級側), 欠壓(初級側)
Technology SCALE-2
Interface Type 電氣
Supported Topologies 兩電平電壓源, 三電平NP鉗位 - 類型1, 三電平NP鉗位 - 類型2, 多電平NP鉗位
Gate Turn-on Voltage +15.0 V
Gate Turn-off Voltage --10.5 V
Power - Output/Channel (Max) 23.0 W
Gate Peak Current (Max) +60 A
Isolation Type 加強型
Isolation Technology 電隔離
Max Switching Frequency 500.0 kHz
Time - Output Fall 15 ns
Time - Output Rise 10 ns
Driving Mode 直接獨立
Main/Peripheral
Paralleling Support? No

產品詳情

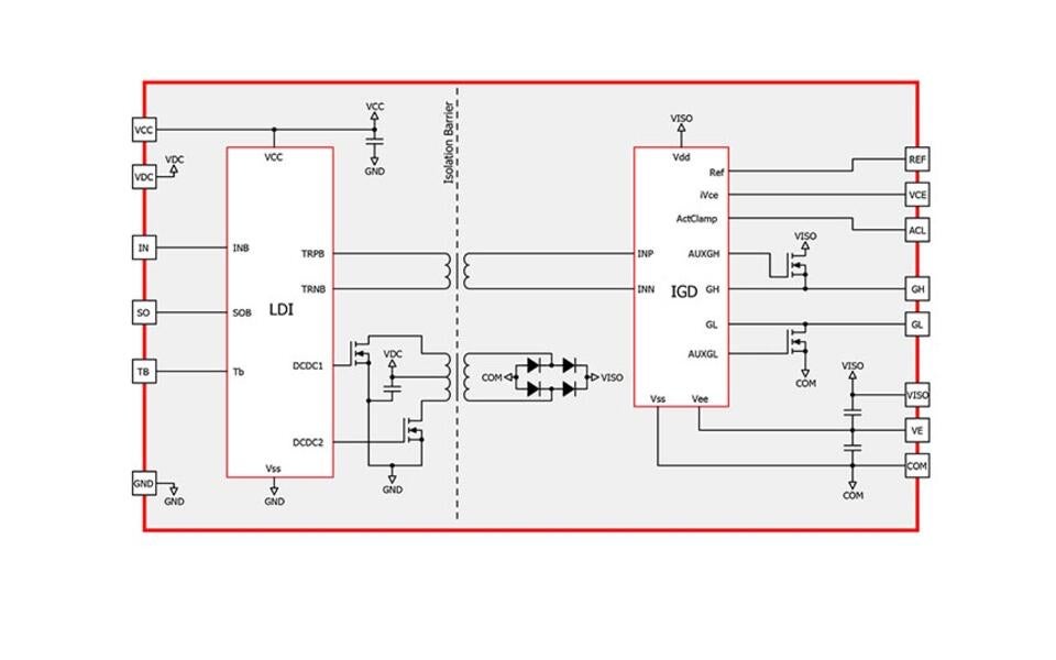
The 1SC2060P is the latest, highest power member of CONCEPT’s driver core family. The high-performance SCALE-2 driver core targets high-power single-channel IGBT and MOSFET applications such as induction heating, resonant and high-frequency power conversion as well as parallel gate driving of large modules. 

The use of planar transformer technology enables significant improvements in power density, noise immunity, and reliability. 

Equipped with the latest SCALE-2 chipset, the gate driver supports switching at up to 500 kHz with best-in-class efficiency. The 1SC2060P effectively comprises a complete single-channel IGBT driver core, fully-equipped with an isolated DC/DC converter, short-circuit protection, Advanced Active Clamping, and supply-voltage monitoring. 

With its extremely compact outline of 44 mm x 74 mm and a total height of just 7 mm, the 1SC2060P delivers high power density in an attractive form factor. The highly-integrated SCALE-2 chipset reduces component count by 80% compared to conventional solutions, thus significantly increasing reliability and reducing costs. 

An embedded-paralleling capability allows easy inverter design covering higher power ratings. 

IGBT Mode

Merging 60 A gate current with 20 W output power makes the 1SC2060P the ultimate high-power driver platform for both single and parallel gate driving of large IGBT modules. In the dedicated IGBT mode, the driver provides a gate voltage swing of +15 V / –10 V. The turn-on voltage is regulated to maintain a stable 15 V regardless of the output power level. 

Superior EMC performance allows reliable operation even in industry’s harshest environments. The 1SC2060P is suited for high-power IGBTs with blocking voltages up to 1700 V. 

MOSFET Mode

With its high output power, very short delay, and extremely small jitter, the 1SC2060P driver core has been specifically designed for high-power and ultra-fast switching, fully exploiting the capabilities of state-of-the-art MOS power devices. 

Benefits in Fast-Switching Applications

Fast switching not only requires high drive power and maximum frequency but also relies on tight control over crucial parameters such as the driver’s delay time and the associated jitter. A fast driver with a short delay introduces significantly less phase lag into the power system’s control loop. Less phase lag is of great importance for maintaining the stability of the control loop, thus allowing the benefits of fast switching to be fully exploited.

The 1SC2060P shares SCALE-2 high performance figures for fast signal transmission featuring a delay time of less than 80ns and extremely low jitter of less than ±1ns. It is this unique combination of high output power and stable precision that makes the 1SC2060P a highly-suitable choice for optimized systems, where tight control over timing margins is mandatory.

Use of planar transformer technology leads to low transformer stray inductance, ultra-flat design and extrem power density.

  • Ultra-flat solution
  • Planar transformer isolation
  • Blocking voltages up to 1700V
  • Switching frequency up to 500kHz
  • Very short delay time of <80ns
  • Extremely small jitter of <±1ns
  • High gate current ±60A
  • Schmitt-trigger inputs
  • Interface for 3.3V...15V logic level
  • Compatible to all logic families
  • Embedded paralleling capability
  • 2-level and multilevel topologies
  • IGBT short-circuit protection
  • Advanced Active Clamping
  • Isolated DC/DC converter
  • 20W output power
  • Supply under-voltage lockout
  • Safe isolation to EN50178
  • UL compliant
  • Superior EMC
  • Reliable, long service life