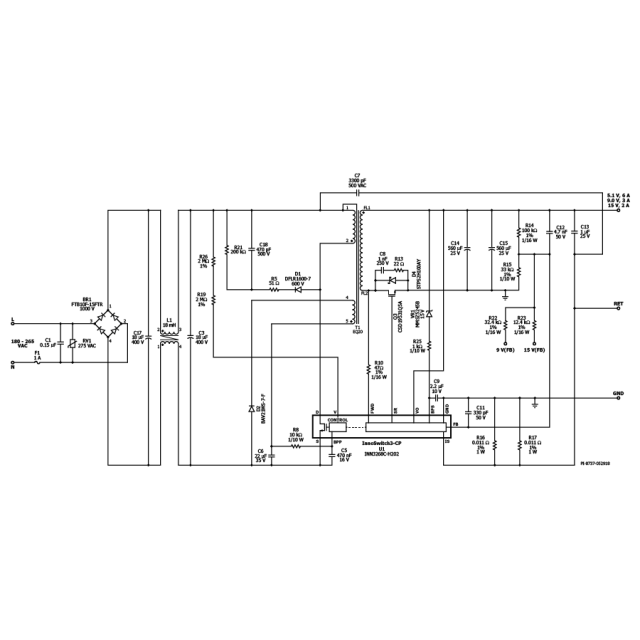
RDR-659 - 30 W Power Supply for Wall Outlet Using InnoSwitch3-CP 30 W Power Supply for AC Wall Outlet with USB Ports Using InnoSwitch3-CP (INN3268C-H202) PDF 다운로드 PDF 보기 RDK 사용 가능 Login Required A MyPI account is required to receive email notifications for document updates. Please login or register for an account to continue. Continue × 업데이트 알림 받기 애플리케이션 제품 InnoSwitch3-CP
명세서 Design Type Reference Design Reports (RDR) 토폴로지 Flyback Vout (variable) 5.10 V Vout (variable) 9.20 V Vout (variable) 15.30 V Vout 1 5.10 V Vout 2 9.20 V Vout 3 15.30 V Vin (min) 180 Vin (max) 265 Variable Power Output 예 P (NoLoad) 30.00 mW CV/CC CV/CC Efficiency 89.00% 절연? Yes Number of outputs 1 출력 전력 30.00 W OVP? Yes Associated Parts INN3268C-H202 Gerber File rdr-659_gerber.zip (245.04 KB)