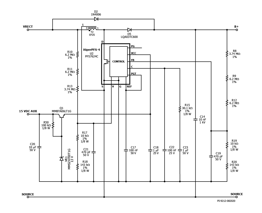
DER-920 - 65 W 2-Stage Boost and Isolated Flyback 3-Way Dimmable LED Ballast Using HiperPFS-4 and PowiGaN-Based LYTSwitch-6
- 3-Way Dimming (0-10VDC, PWM and resistor)
- 90 VAC – 277 VAC Input; 36 V-48 V, 1350 mA Output
- PowiGaN-based LYTSwitch-6 (LYT6078C)
- HiperPFS-4 (PFS7624C)
