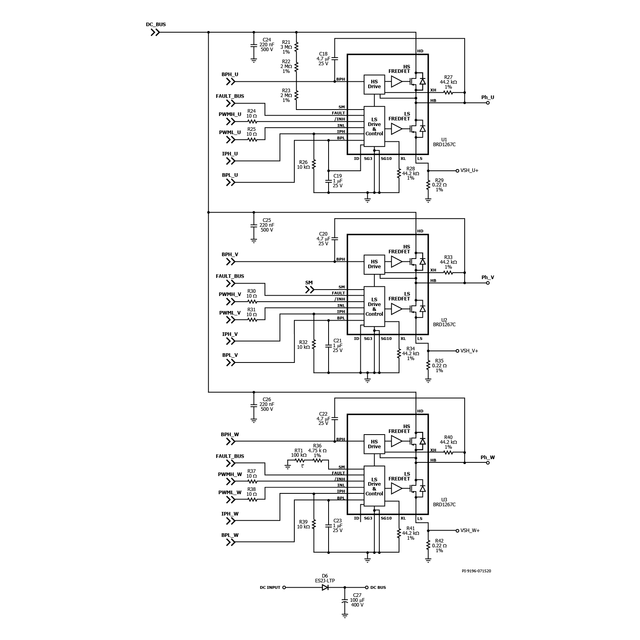
DER-870 - 400 W 3-Phase Inverter Using BridgeSwitch Motor Driver and LinkSwitch-TN2
400 W 3-phase inverter using BridgeSwitch Motor Driver IC (BRD1267C) and LinkSwitch-TN2 (LNK3204D) in FOC operation (340 VDC input; 1.3 ARMS continuous motor phase current)
