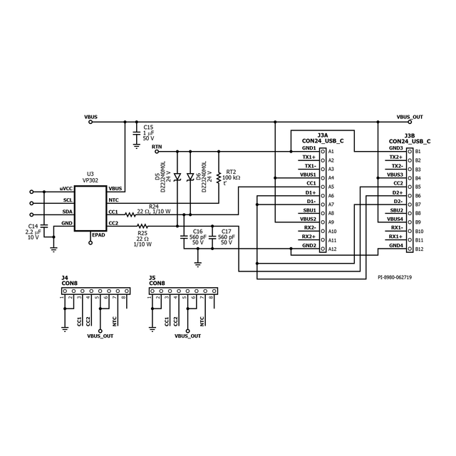
DER-803 - 60 W USB PD 3.0 with 3.3 V-21 V PPS Power Supply Using InnoSwitch3-Pro and VIA Labs VP302 Controller
60 W USB PD 3.0 with PPS charger (5 V/3 A; 9 V/3 A; 15 V/3 A; 20 V/3 A or 3.3 V-21 V PPS outputs) using InnoSwitch3-Pro (INN3379C-H302 featuring PowiGaN Technology) and VIA Labs VP302 USB PD controller
