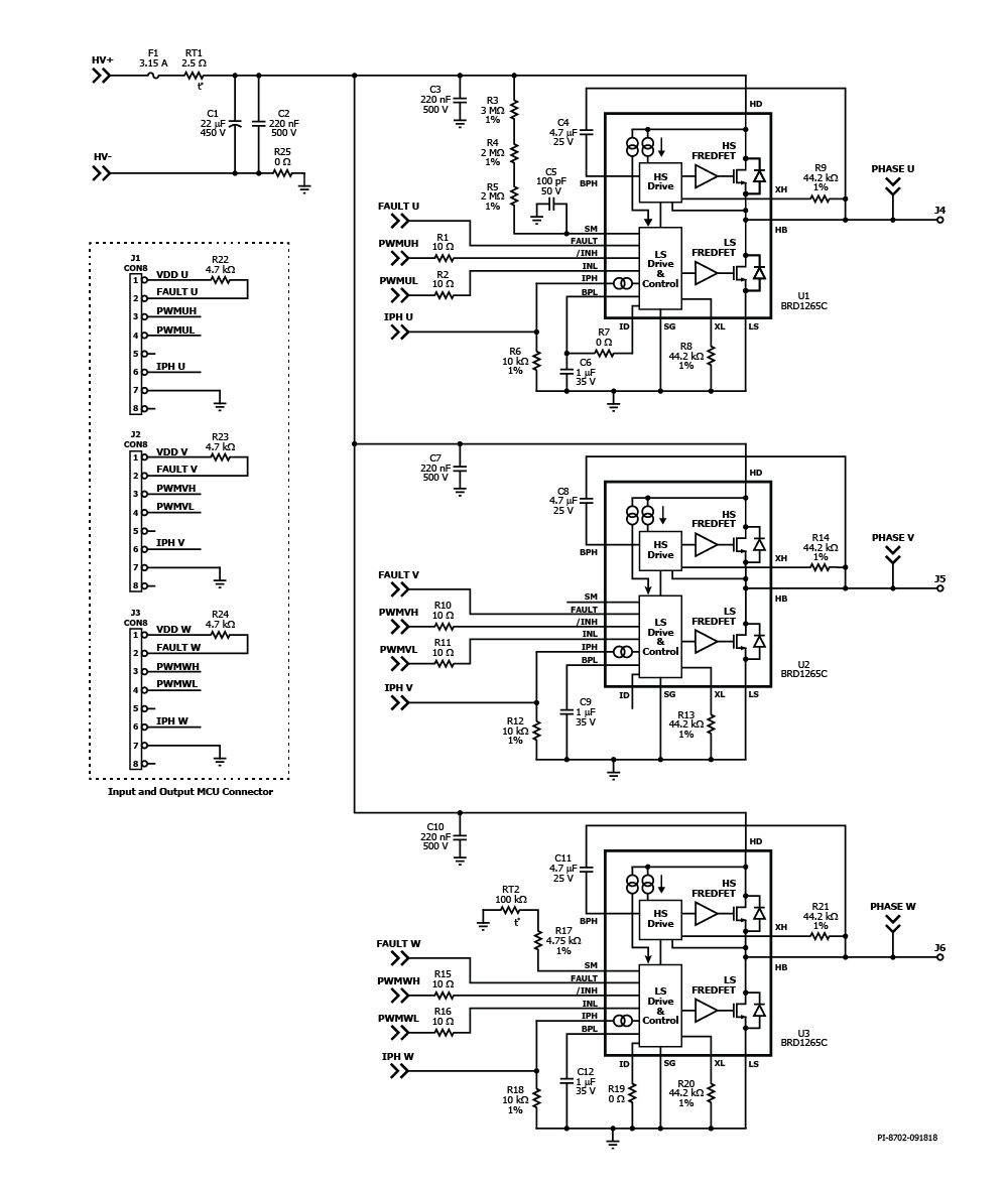
DER-654 - 300 W 3-Phase Inverter Using BridgeSwitch Motor Driver 300 W 3-phase inverter (270 VDC - 365 VDC input; 1.0 A motor RMS current) using BridgeSwitch Motor Driver IC (BRD1265C) 下載 PDF 檢視 PDF Login Required A MyPI account is required to receive email notifications for document updates. Please login or register for an account to continue. Continue × 文件更新請通知我 應用 產品 BridgeSwitch
產品規格 設計類型 Design Example Reports (DER) Vout 1 300.00 V Vin (min) 270 Vin (max) 365 P (NoLoad) 280.00 mW Efficiency 98.00% Number of outputs 1 輸出功率 300.00 W Associated Parts BRD1265C Gerber File der-654_gerber.zip