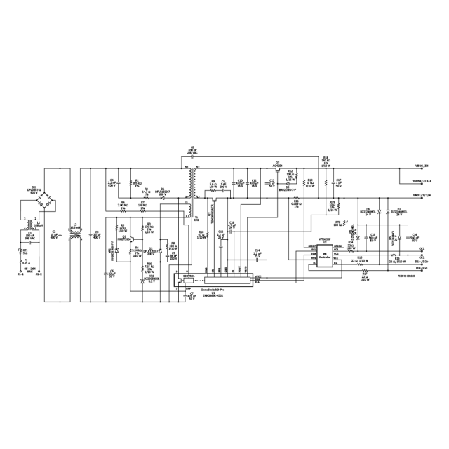
DER-613 - 27 W USB PD 3.0 with 3.3 V-11 V PPS Power Supply Using InnoSwitch3-Pro and Weltrend WT6635P Controller (Single-Board Design)
27 W USB PD 3.0 with PPS charger (5 V/3 A; 9 V/3 A; 3.3 V-11 V PPS outputs) using InnoSwitch3-Pro (INN3366C-H301) and Weltrend (WT6635P) USB PD controller, single-board design
