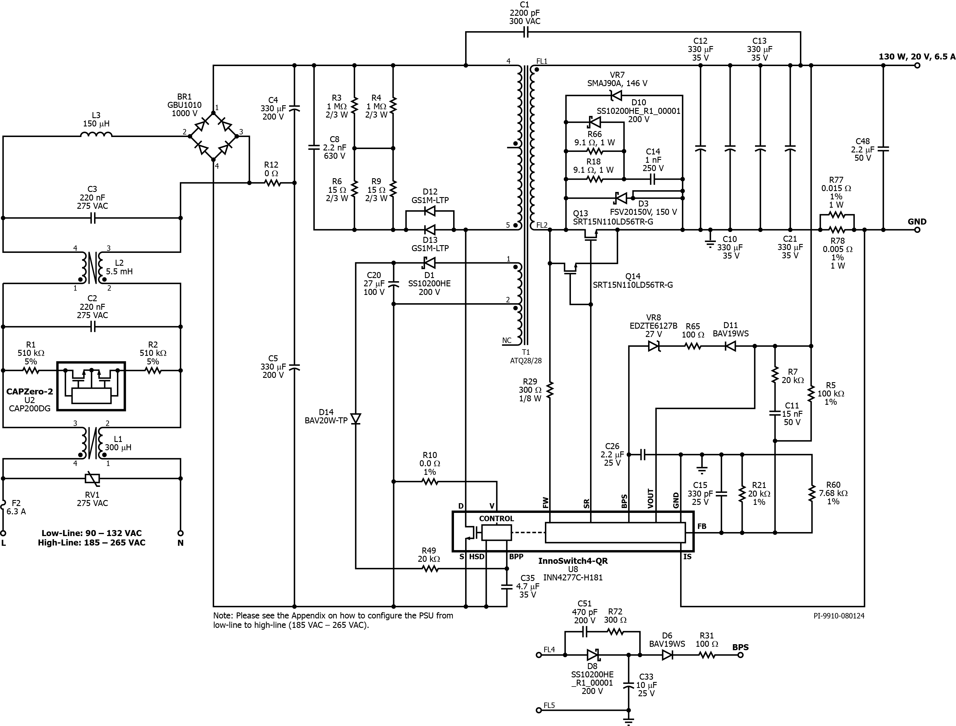
DER-1033 - 130 W Isolated Flyback with 197 W Peak Power for Printers Using InnoSwitch4-QR
130 W isolated flyback power supply with 197 W peak power for printer applications, using InnoSwitch4-QR (INN4277C–H181)
- 130 W continuous output power
- 197 W peak power capability for 100 ms duration
- No Heatsink up to 55°C Operating Ambient
- >94 % Full Load Efficiency at 115 VAC and 230 VAC
- >375 mW Standby Input Power at 120 VAC, 7.5 V Output with 300 mW Load
- >100 mW Standby Input Power at 120 VAC, 7.5 V Output with 40 mW Load
- Can be easily modified for high-line operation with 185-265 VAC input range
PowiGaN-based InnoSwitch4-QR
- Fast instantaneous transient response with 0%-100%-0% load step
- Quasi-Resonant (QR) operation for high efficiency
- Robust 750 V PowiGaN primary switch
